Датчик работы электроустановки
- Подробности
- Категория: Датчики
- Опубликовано: 06.05.2018 07:49
- Просмотров: 2785
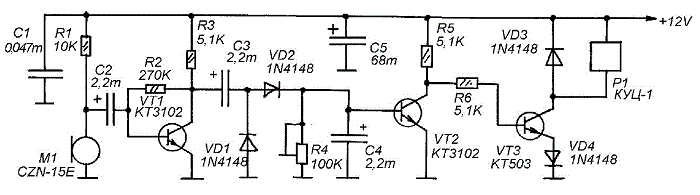
При помощи этого датчика можно дистанционно определить работает электроустановка или они выключена. Он реагирует на вибрацию, которая происходит при работе электродвигателя или мощного трансформатора, электромагнита, механических частей электропривода.

Вибрация улавливается электретным микрофоном М1. Затем, сигнал усиливает каскад на транзисторе VT1. Детектор на диодах VD1 и VD2 вырабатывает постоянное напряжение. Транзистор VT2 открывается, a VT3 закрывается и ток на обмотку реле Р1 не поступает.
Если установка перестает вибрировать, напряжение на С4 падает, что приводит к закрыванию VT2 и открыванию VT3. Реле срабатывает и включает сигнальное устройство.
Подстроечный резистор R4 служит для настройки чувствительности датчика.
Этот же датчик можно использовать и для наблюдения за работой любого другого вибрирующего объекта, например, двигателя внутреннего сгорания.
При установке нужно выбрать такое место, где вибрация достаточно высока, но нет существенного нагревания.
В схеме можно использовать практически любые доступные компоненты. При большом уровне вибрации (двигатель внутреннего сгорания, например) электретный микрофон можно заменить менее чувствительным микрофоном, например, динамическим или электромагнитным.
Миронченко Ю.

