Простая система дистанционного управления
- Подробности
- Категория: Дистанционное управление
- Опубликовано: 17.05.2018 07:01
- Просмотров: 3653
Сегодня для всех зданий и сооружений требуется система управления дымоудалением. На рынке лучшее предложение дает компании mercorproof.ru. И цены при этом очень низкие!
В современной аппаратуре применяются интегральные приемники ИК-излучения типа SFH-506-36, HL536AA3P и многие другие, которые содержат ИК-фотодиод, усилитель, фильтр на 36 кГц (или на другую частоту указанную в маркировке), детектор и формирователь логических импульсов. Интересная особенность работы таких фотоприемников была исследована на примере HL536AA3P. При частоте ИК-вспышек от 300 Гц до 6-10 кГц фотоприемник работает как обычный детектор ИК-излучения, то есть, на его выходе формируются отрицательные импульсы такой же частоты, как и частота вспышек. А при более высокой частоте ИК-вспышек (около 25-38 кГц) он переходит в режим амплитудной демодуляции, и на его выходе устанавливается постоянное напряжение логического нуля. Эта особенность позволяет очень легко реализовать однокомандную систему дистанционного управления, например, предназначенную для переключения по кольцу фиксированных настроек старого телевизора (типа 3-УСЦТ) или самодельного УКВ-ЧМ тюнера.

В этом случае, пульт ДУ будет представлять собой обычный мультивибратор, генерирующий импульсы частотой около 36 кГц (для НL536АА3Р или SFH-506-36), на выходе которого будет токовый ключ с ИК-светодиодом в коллекторной цепи. А приемник будет представлять собой сочетание интегрального фотоприемника и обычного двоично-десятичного счетчика.
Принципиальная схема пульта ДУ такой системы показана на рисунке 1. Мультивибратор на элементах D1.1 и D1.2 генерирует импульсы частотой около 36 кГц, в то время когда кнопка S1 нажата. Эти импульсы через буфер D1.3 поступают на ключ на транзисторе Дарлингтона VT1, в коллекторной цепи которого включен импортный ИК-светодиод через токоограничительный резистор R3. После отпускания кнопки генерация прекращается.
Питается пульт от 9-вольтовой батарейки типа "Корунд" (или аналогичной).
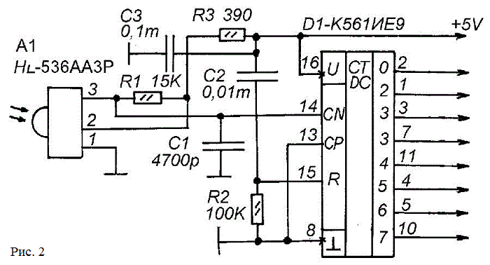
Схема приемного узла приведена на рисунке 2. Когда нажата кнопка S1 (рис. 1) светодиод излучает ИК-вспышки, следующие с частотой около 36 кГц. Если есть оптическая связь между этим светодиодом и фотоприемником А1 (рис. 2), то на выводе 3 последнего устанавливается логический ноль. При отсутствии излучения - единица. Таким образом, если нажать и отпустить кнопку S1 (рис. 1) на выходе А1 (рис.2) сформируется отрицательный логический импульс, который поступит на вход двоично-десятичного счетчика D1 и изменит его состояние.
Так, нажимая и отпуская кнопку можно переключать выходы счетчика, на которых будет логическая единица (на остальных -ноль). Если напряжения с выходов счетчика подать на узел управления фиксированными настройками, то можно будет каждым нажатием и отпусканием кнопки переходить от одной настройки к другой по кольцу.
Для того, чтобы после подачи питания счетчик D1 включался не в случайное положение, а исключительно на первую команду, служит цепь C2-R2 принудительно обнуляющая его.
Схемы пульта и приемника собраны на миниатюрных печатных платах.
В качестве S1 используется малогабаритная кнопка, такая как на панелях управления видеоплейеров и видеомагнитофонов. Перед монтажом кнопки определите её разводку контактов чтобы не перепутать.
Светодиод используется импортный для пультов ДУ. Марка светодиода не известна. Вероятно, что можно использовать любой ИК-светодиод, включая и АЛ107, АЛ147.
Вместо транзистора КТ972 можно применить КТ815, увеличив сопротивление R3 до 47 Оm, но это понизит дальность работы системы.
Батарейка подключается через стандартную колодку, которая посредством отрезков проволоки диаметром около 1 мм припаяна и прикреплена на контактные площадки "+" и "-" платы пульта. Пульт имеет размеры, сопоставимые с размерами двух батареек.
Все детали используются малогабаритные.
Вместо HL536ААЗР (на корпусе именно так и написано - буквы "HL" с наклоном, а остальные ровно) можно использовать практически любые аналогичные интегральные фотоприемники для дистанционного управления современных телевизоров. Те же результаты получаются и с фотоприемником SFH-506-36.
Если после первого включения система не заработает, и при этом, нет ошибок в монтаже, - нужно подобрать сопротивление резистора R1 (рис. 1). Сначала можно заменить его переменным, а затем установив его в нужное положение, измерить его сопротивление и заменить наиболее близким постоянным. Такая же процедура может потребоваться если используете фотоприемник с другой резонансной частотой.
Если будут наблюдаться ошибки, типа переключения счетчика на несколько позиций при однократном нажатии S1, то нужно увеличить емкость С2 или сопротивление R1 (рис. 2).
Теперь о особенностях применения. Схема показанная на рисунке 2 предназначена для переключения настроек УКВ-ЧМ тюнера, приемный тракт которого и система настроек питается напряжением 5V. Если данную систему дистанционного управления предполагается использовать с телевизорами типа 3-УСЦТ с УСУ-1-15, нужно повысить питание счетчика до 12V. При этом, повышать питание А1 выше 7V не рекомендуется. Поэтому между выводами 1 и 2 А1 нужно включить стабилитрон типа КС147 или КС156, или аналогичные импортные, так чтобы R3 и этот стабилитрон образовали параметрический стабилизатор напряжения. А импульсы на счетчик подавать через транзисторный ключ, согласующий уровни по напряжению.
Выходы счетчика D1 к УСУ-1-15 нужно подключать через диоды типа КД521 или КД522, обращенные к счетчику анодами.
Не исключено и другое применение данной системы управления, например, для переключения каких-то нагрузок. Если использовать счетчик К561ИЕ8 можно увеличить число выходов до 10-ти.
По аналогичному принципу можно делать различные оптические датчики. Такой датчик будет состоять из генератора ИК-вспышек частотой около 36 кГц и интегрального фотоприемника. Важно то, что такой фотодатчик будет обладать высокой помехозащищенностью.

