Однокнопочное ду на десять положений
- Подробности
- Категория: Дистанционное управление
- Опубликовано: 14.08.2018 08:00
- Просмотров: 3854
Схема предназначена для последовательного переключения десяти нагрузок или состояний какого-либо устройства. Управление осуществляется с помощью простого и компактного пульта с одной кнопкой. Для управления нужно
нажать эту кнопку и удерживать её в нажатом состоянии. При этом происходит последовательное переключение десяти выходов по кольцу, с индикацией включенного выхода посредством светодиода. Как только будет включен нужный выход, кнопку пульта нужно отпустить.

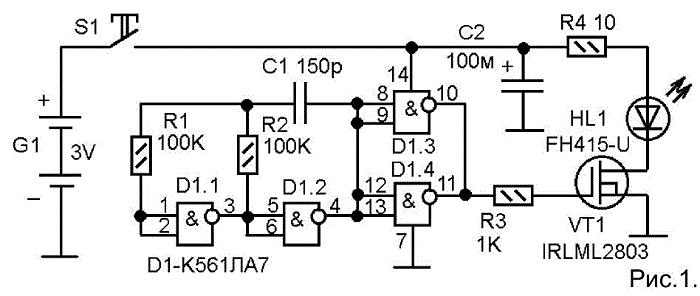
Принципиальная схема пульта ДУ показана на рисунке 1. В качестве канала передачи сигнала управления здесь используется инфракрасное излучение, модулированное частотой 38 kHz. Команда одна, - представляет собой посылку такого излучения, длящуюся столько времени, сколько удерживают нажатой кнопку, через которую подается питание. Источник питания батарея из двух элементов «АА» -G1, кнопка S1 - кнопка управления, через неё поступает питание.
На микросхеме D1 сделан мультивибратор, генерирующий импульсы частотой 38 kHz (при налаживании частота уточняется подбором сопротивления R2). Через буфер на параллельно соединенных элементах D1.3 и D1.4 импульсы поступают на ключ на транзисторе VT1, в стоковой цепи которого включен ИК-светодиод HL1.
Схема приемного блока показана на рисунке 2. ИК-сигнал принимается фотоприемником F1. Это цифровой фотоприемник для систем дистанционного управления телевизоров. В нем есть резонансный каскад настроенный на 38 kHz и выходной ключ, который открывается когда есть прием сигнала, модулированного частотой 38 kHz. Таким образом, при приеме сигнала на выходе F1 - ноль. Уровень с выхода F1 поступает на два параллельно соединенных элемента D1.3 и D1.4. Когда на их входах ноль, на выходе единица. И конденсатор СЗ заряжается медленно через резистор R4. Когда на выходе F1 единица, на выходах D1.3 и D1.4 - ноль, и конденсатор СЗ разряжается быстро через диод VD1 и резистор R3. Таким образом, если фотоприемник случайно принимает сигнал от стандартного пульта ДУ бытовой техники, на выходе F1 будет не постоянный логический уровень, а импульсы. И конденсатор СЗ не будет успевать заряжаться до напряжения логической единицы. Если же сигнал поступает от собственного пульта (на рис.1), то на выходах D1.3 и D1.4 будут не импульсы, а логическая единица продолжительное время, и СЗ сможет зарядиться до логической единицы. Напряжение с СЗ поступит на вывод 6 D1.2 и запустит мультивибратор на элементах D1.1 и D1.2, импульсы с выхода которого будут поступать на вывод 14 счетчика D2. Счетчик считает эти импульсы и его выходы переключаются последовательно. За переключением можно следить по светодиодам HL1-HL10, которые подключены к его выходам. Скорость переключения выходов счетчика D2 зависит от частоты импульсов на выходе мультивибратора D1.1-D1.2. Во время налаживания можно установить желаемую скорость переключения подбором сопротивления R6.
Как только загорается нужный светодиод кнопку пульта ДУ нужно отпустить, конденсатор СЗ быстро разрядится через R3 и VD1, и на выводе 6 D1.2 будет логический ноль, мультивибратор выключится и счетчик D2 остановится в состоянии, в котором он будет на тот момент.
Кнопка S1 (рис.2) нужна для непосредственного управления (без пульта).
Все микросхемы можно заменить зарубежными аналогами, например, К561ЛА7 можно заменить на CD4011, а К561ИЕ8 -на CD4017. ИК-светодиод FH415-U можно заменить любым ИК-светодиодом, предназначенным для пультов дистанционного управления. Фотоприемник SFH506-38 можно заменить любым аналогичным фотоприемником. При этом, нужно будет узнать на какую частоту модуляции он рассчитан (обычно это указано в маркировке - последние две цифры). И на такую же частоту настроить мультивибратор пульта ДУ.
Светодиоды HL1-HL10 -любые повышенной яркости, индикаторные.
Главный момент налаживания - это сопряжение частоты мультивибратора пульта с частотой фотоприемника. Нужно заменить R2 пульта переменным резистором, замкнуть кнопку S1 пульта перемычкой. С помощью мультиметра следить за напряжением на выводе 1 F1. И подстраивая R2 (рис.1) добиться чтобы на выходе F1 (рис.2) был логический ноль при наибольшей дальности от F1 пульта ДУ. Затем, снять перемычку с S1 (рис.1) и отпаять переменный резистор, включенный вместо R2 (рис.1), измерить его сопротивление и впаять на место R2 резистор ближайшего номинала к измеренному.
Если вместо двоично-десятичного счетчика типа К561ИЕ8 использовать любой двоичный счетчик, можно будет переключать комбинации выходов, соответственно двоичному коду, то есть, если счетчик четырехразрядный, у схемы будет четыре выхода, и 16 комбинаций их состояний. К этим выходам, посредством промежуточных ключей, можно подключить через оптореле (оптосимисторы) лампы люстры или подвесного потолка, и переключать их пультом, выбирая желаемое их сочетание включенных и выключенных.
Можно выход двоичного счетчика подать на резистивную матрицу, и таким образом регулировать постоянное напряжение на его выходе 16-ю ступенями от логического нуля, до логической единицы.
Конечно же могут быть и другие варианты применения данной схемы.
Мамедов И.Д.
Двухпроводной дистанционный переключатель на десять положений
Дистанционное управление бытовыми электроприборами
Блок дистанционного управления
12-командное радиоуправление
Дистанционное управление с помощью сотового телефона

