Квазисенсорный выключатель на микросхеме CD40106
- Подробности
 - Категория: Включатели выключатели
 - Опубликовано: 14.02.2018 09:14
 - Просмотров: 5106
 
Ашаров Р.А.
 Здесь приводятся схемы трех квазисенсорных выключателей и одного квазисенсорного переключателя. Приставка «квази» говорит о том, что здесь используется все же не сенсор, а кнопка, но это одна кнопка без фиксации. Схемы меняют свое состояние на противоположное после каждого нажатия этой кнопки.
 В основе схем лежит микросхема CD40106, которая очень похожа на отечественную микросхему К561ЛН2, тем что в ней так же 6 инверторов, и цоколевка такая же, но есть и важное отличие - эти инверторы с триггерами Шмитта.

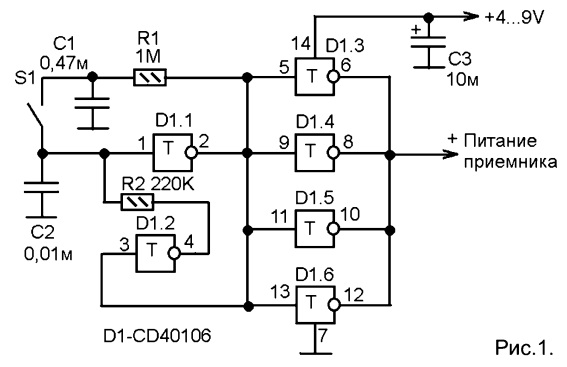
 На рисунке 1 показана схема квазисенсорного выключателя малогабаритного карманного приемника, с низким током потребления. Собственно триггерный узел выполнен на элементах D1.1 и D1.2. После каждого нажатия кнопки S1
 состояния выходов этих элементов меняются на противоположные и такими же и остаются до следующего нажатия. Важную роль в этом процессе играет конденсатор С1, - для переключения используется накопленный в нем заряд. Который затем опять накапливается через резистор R1 (или стекает через него, в зависимости от состояния триггера).
 На оставшихся четырех элементах микросхемы (D1.3-D1.6) сделан выходной каскад, логической единицей с выхода которого и питается малогабаритный приемник.
 На рисунке 2 показана схема более мощного выключателя, который может управлять нагрузкой мощностью в сотни ватт. Схема в принципе такая же, но она дополнена ключом на ключевом полевом транзисторе VT1. Это транзистор BUZ90, он может работать при напряжении между стоком и истоком от нуля до 600 V. Поэтому и диапазон питающего напряжения может быть таким широким, - все зависит от номинального напряжения питания нагрузки, которой нужно управлять, в данном случае, лампы Н1.
 Микросхема питается напряжением не более 12V через стабилизатор на стабилитроне VD1 и резисторе R4. Назначение этого стабилизатора в том, чтобы при высоком напряжении питания нагрузки обеспечить нормальное напряжение питания для микросхемы. При этом, сопротивление резистора R4 выбирается исходя из напряжения питания нагрузки таким образом, что-
 бы ток через стабилитрон не был более 10-15 mА. Рассчитать значение сопротивления несложно из Закона Ома.
 На рисунке 3 показана схема переключателя двух нагрузок (ламп). Схема аналогична той, что показана на рисунке 2, но отличается тем, что у переключателя два выхода. Первый -это выходы логических элементов D1.3 и D1.4, а второй - выходы логических элементов D1.5 и D1.6. Соответственно, два электронных ключа на VT1 и VT2. Когда один ключ закрыт, другой открыт. Нажатие кнопки приводит к переключению нагрузок Н1 и Н2.
 На рисунке 4 показана схема выключателя для управления нагрузкой, питающейся от электросети. Схема самого триггерного узла на микросхеме D1 точно такая же, как на рисунках 1 и 2. Но, на выходе включен составной ключ на высоковольтных ключевых полевых транзисторах VT1 и VT2, который обеспечивает подачу именно переменного (а не пульсирующего) напряжения на нагрузку. Данная схема может служить аналогом проходного выключателя с неограниченным числом точек управления. Потому что все точки управления - это простые замыкающие кнопки без фиксации. Можно проложить длинный двухпроводной кабель, вроде телефонной «лапши» и им все эти кнопки соединить параллельно. Включать и выключать свет можно будет
 любой из них, независимо от того какой включили, а какой выключили.
 Транзисторы BUZ90 можно заменить на IRF840 или КП707В2.
 РК 03-2017

