ИСТОЧНИК ПИТАНИЯ С ВЫХОДОМ USB
- Подробности
 - Категория: Блоки питания
 - Опубликовано: 12.04.2017 13:54
 - Просмотров: 2860
 
Андреев С.
Сейчас очень многие пользуются карманными МР-3 плеерами и другой
миниатюрной электроникой, питающейся от встроенного аккумулятора, который можно заряжать от USB-порта персонального компьютера. Несмотря на всю экономичность, одной зарядки плееру редко хватает на сутки. А персональный компьютер с свободным USB-портом может не всегда быть под рукой. В таком случае можно организовать питание МР-3 плеера от розетки. Но для этого нужен специальный сетевой блок питания (адаптер). Некоторое время назад были очень популярны игровые приставки к телевизору вроде «Денди» или «Кенга». Эти приставки не отличались большой надежностью и выходили из строя чаще всего из-за поломки разъема в который вставляют картриджи с играми, или из-за обрыва или разлома печатных дорожек, идущих от микросхемы приставки к этому самому разъему. Обычно такие приставки плохо ремонтируются и, так как стоимость относительно небольшая, взамен сломанной покупали новую. А блок питания (сетевой адаптер) остается. Пожалуй, блок питания был самой надежной частью 8-битной телеигровой приставки. Вот из такого сетевого адаптера на 9V и можно сделать стабилизированный источник для зарядки аккумулятора устройства с USB-разъемом от электросети. 


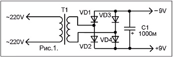
Принципиальная схема сетевого адаптера «Денди» обычно выглядит так, как показано на рисунке 1.
 Т1 - это маломощный трансформатор. На его высоковольтную обмотку (много витков тонким проводом) поступает напряжение от электросети. А пониженное напряжение с его низковольтной обмотки поступает на мостовой выпрямитель на диодах VD1-VD4. Конденсатор С1 сглаживает пульсации. В результате на выходе адаптера получается нестабилизированное напряжение 9V (реально от 7,5 до 10V). Вот им и питается игровая приставка.
Чтобы из этого нестабильного напряжения получить стабильное 5V нам нужно будет сделать стабилизатор, который понизит напряжение до 5V и будет его поддерживать стабильным. На рисунке 2 показана схема уже переделанного сетевого адаптера, в который уже встроен стабилизатор.

Стабилизатор сделан на транзисторе VT1 по схеме параметрического стабилизатора с усилителем тока. Транзистор VT1 работает как каскад - эмиттерный повторитель. Теоретически у такого каскада напряжение на базе равно напряжению на эмиттере, но на эмиттере ток больше, то есть мощность выше. Практически же напряжение на эмиттере будет немного ниже, чем на базе. Связано это с тем, что эмиттер транзистора представляет собой р-n переход, сходный по свойствам с диодом. Поэтому на эмиттере падает некоторое напряжение (как прямое напряжение на диоде), вот и получается что у транзистора КТ814 в данной схеме на эмиттере будет напряжение примерно на 0,3-0,4V меньше чем на базе.
Когда делают стабилизаторы по таким схемам, то на базу обычно подают напряжение со стабилитрона. При условии, что на выходе должно быть 5V, на базу транзистора должно поступать на 0,3V больше, то есть 5,3V. Стабилитронов на такое напряжение нет, но есть КС147А на 4,7V, плюс нужно добавить еще 0,6V, и нужно сделать это на доступных деталях. Вот например, доступные диоды КД522, они встречаются почти во всей электронике, и в продаже очень свободно. На одном диоде КД522 в прямом направлении падает напряжение около 0,6-0,7V.
Цепь из резистора R1, диода КД522 и стабилитрона КС147А образует простой параметрический стабилизатор напряжения 5,3-5,4V. Это напряжение поступает на базу транзистора VT1. А на его эмиттере получается 5-5,1V, то есть как раз то самое напряжение, которое нам нужно.
Конденсатор С2 дополнительно подавляет пульсации, а резистор R2 служит дополнительной нагрузкой транзистора, чтобы когда МР-3 плеер выключен транзистор не оставался без нагрузки, а при выключении адаптера из розетки чтобы С2 быстро разряжался через R2.
Резистор R3 включен между выводами данных порта USB. Он нужен для того чтобы заряжаемое устройство перешло в режим зарядки или питания и не пыталось обмениваться данными с не существующим компьютером.
Как все это сделать практически, прежде всего зависит от конструкции сетевого адаптера, подвергающегося переделке. Если есть выбор лучше взять адаптер размерами побольше, чтобы в нем было достаточно места для установки схемы стабилизатора. Если же есть только маленький адаптер, и стабилизатор в него никак не впихнуть, то можно сделать стабилизатор в отдельном корпусе, например в спичечном коробке или кассете от фотопленки. Тогда будет идти один провод от адаптера к стабилизатору, а затем другой провод от стабилизатора к МР-3 плееру.
Стабилизатор спаян на маленькой плате, показанной на рисунке 3.

 Дорожки показаны если смотреть на плату со стороны дорожек, а детали - со стороны деталей. Обратите внимание на цоколевку деталей. У транзистора КТ814 с одной стороны корпуса есть радиаторная металлическая пластина, а с другой нанесена маркировка. На монтажной схеме показано как именно должен быть расположен транзистор. Диоды КД522 сделаны в стеклянных полосатых корпусах. Широкая полоска ближе к анодному выводу, но часто вместо КД522 продают импортные аналоги 1N4148, у них полоска со стороны катода.
Конденсатор С2 нужно тоже запаять соблюдая полярность. Если это отечественный конденсатор типа К50-35, то на его корпусе возле положительного вывода будет «+», а вот у импортных конденсаторов широкой полоской обозначен минус.
В транзисторе КТ814 есть дырка под винт. Этой дыркой плата и крепится в корпусе сетевого адаптера, — сверлите в корпусе адаптера дырку и подходящим винтом с гайкой привинчиваете туда транзистор, предварительно подложив небольшую металлическую пластину, которая будет служить радиатором для отвода тепла от транзистора. А плата уже на нем будет держаться. Если у вас не оказалось подходящего винта, - лучше хорошенько поискать, так как рассверливать отверстие в транзисторе нельзя.
Подключая схему к выпрямителю сетевого адаптера нужно соблюдать полярность чтобы не перепутать плюс с минусом. Это же касается и подключения к МР-3 плееру.
В качестве соединителя с заряжаемым или питаемым устройством можно использовать покупной кабель - USB-удлинитель. Нужно отрезать вилку, и разделать кабель. В нем будут четыре провода красного, белого, зеленого и черно цвета. На рисунке 3 показано, куда припаиваются провода согласно цвету.
Если нет блоки питания от «Денди», можно воспользоваться любым другим блоком питания с выходным постоянным напряжением 9 или 12V.
Можно сделать стабилизатор в отдельном корпусе, и пользоваться им в автомобиле, подавая на его вход напряжение с разъема «прикуривателя».
PK 01-2015
		
	
			
