Сетевой источник питания для батарейной аппаратуры
- Подробности
 - Категория: Блоки питания
 - Опубликовано: 23.03.2017 16:54
 - Просмотров: 3187
 
Каравкин В.
 Аппаратура с автономным питанием обычно рассчитана на номинальное напряжение питания кратное 1,5V, - стандартному значению номинального напряжения одного гальванического элемента. Питание от гальванической батареи хорошо только в переносном режиме, но как только появляется доступ к электросети очень желательно перейти на питание от неё, потому что емкость гальванической батареи весьма ограничена. Сетевой источник питания должен состоять из силового трансформатора, выпрямителя и стабилизатра с регулируемым выходным напряжением.
 На рисунке 1 показана схема источника питания.
    
  Трансформатор на схеме не показан, потому что это может быть практически любой силовой трансформатор с выходным переменным напряжением в пределах 15-20V. Например, можно использовать китайский трансформатор с вторичной обмоткой 9-0-9V, используя крайние выводы, а средний отвод не подключая в схему. Либо любой другой покупной или самодельный вариант.
 Регулировка выходного напряжения осуществляется переключением десяти фиксированных значений от 1,5V до 15V с шагом в 1,5V. Таким образом, можно питать аппаратуру, питающуюся от гальванического источника состоящего из числа гальванических элементов от одного до десяти последовательно включенных.
 Переменное напряжение 18V (от 15 до 20V) поступает на мостовой выпрямитель на диодах VD1-VD4.Выпрямленное напряжение сглаживается конденсатором С1. Стабилизатор напряжения выполнен на основе регулируемого стабилизатора А1 типа LM317. Данная микросхема представляет собой регулируемый интегральный стабилизатор напряжения от 1,25 до 33V при входном напряжении не более 37V. Величина выходного напряжения зависит от соотношения сопротивлений двух резисторов, образующих делитель напряжения на выходе микросхемы, для подачи на регулирующий вход.
 В схеме на рисунке 1 этот делитель состоит из резистора R1 и резисторов R2-R14, переключаемых переключателем S1.
 При указанных на схеме величинах сопротивления резисторов R1-R14 фактические выходные напряжения будут следующими: 1,51V, 3,08V, 4,45V, 5,9V, 7,47V, 9,03V, 10,58V, 11,88V, 13,51V и 15,12V. Но это при условии, что сопротивления резисторов R1-R14 точно такие, как подписано на схеме. На деле существует погрешность номинальных сопротивлений постоянных резисторов, и поэтому, в пределах погрешности реальное сопротивление может отличаться. Здесь может быть два выхода из положения, - использовать прецизионные резисторы, что дорого и не всегда доступно, или из кучи резисторов общего применения с помощью точного омметра выбрать подходящие, либо набирать необходимые величины сопротивления составляя их из нескольких резисторов.
 Есть и третий вариант, не годный для серийного производства, но вполне пригодный для радиолюбительского творчества. Дело в том, что сопротивление резистора зависит
 от толщины его резистивного слоя. Можно взять резистор немного более низкого сопротивления, чем требуется, а затем с помощью нулевой шкурки подточить его поверхность. При этом сопротивление резистора будет увеличиваться. Как показывает практика, таким образом можно увеличить фактическое сопротивление резистора в пределах 8-10%, но не более, так как при более значительном стачивании резистивного слоя может возникнуть его разрыв и сопротивление
 станет бесконечно большим.
 После того как сопротивление резистора подогнано до необходимой величины, его оголившийся резистивный слой нужно защитить от воздействия окружающей среды. Можно залить парафином или замазать клеем БФ-6.
 На рисунке 2 показана схема аналогичного устройства, в котором переключатель напряжения не механический, а цифровой.
  
  Переключение резисторов R2-R14 здесь осуществляется десятью транзисторами VT1-VT10. А индикация выходного напряжения с помощью десяти свето-диодов HL1-HL10.
 Основу схемы переключателя составляет десятичный счетчик D1 типа К561ИЕ8. Кнопкой S2 счетчик устанавливается в нулевое положение, что соответствует выходному напряжению 1,5V. Кнопка S1 служит для последовательного выбора выходного напряжения по нарастающей. Каждое нажатие кнопки S1 формирует импульс, поступающий на счетный вход D1. При этом счетчик переходит на одно положение вверх. То есть, каждое нажатие S1 прибавляет к выходному напряжению 1,5V.
 Конденсатор СЗ служит для устранения ошибок переключения от дребезга контактов кнопки S1.
 Если нужно чтобы в момент подачи питания переключатель гарантированно устанавливался на минимальное напряжение, нужно параллельно кнопке S2 включить конденсатор, такой же как СЗ.
 Питается логическая схема переключателя от источника постоянного тока напряжением 12V, создаваемым интегральным стабилизатором А2.
 Монтаж схемы по рисунку 1 выполнен без печатной платы. Микросхема А1 закреплена на радиаторе, который в свою очередь закреплен в корпусе источника питания. Конденсатор С1 прикреплен в корпусе источника питания с помощью проволочного хомута. Монтаж резисторов R2-R14 выполнен на контактах  галетного переключателя S1. Переключатель S1 - галетного типа на 11 положений и 1 направление. Используется только десять положений, а 11-е заблокировано соединением одиннадцатого контакта с соседним десятым.
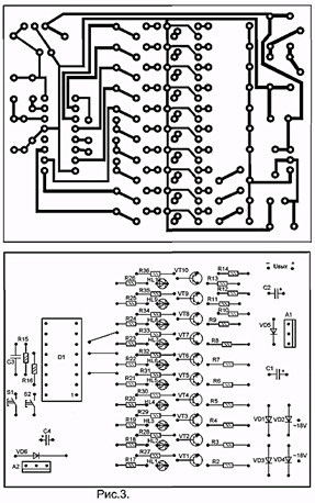
 Схема по рисунку 2 собрана на печатной плате, показанной на рисунке 3.
  
  На плате есть три проволочные перемычки. На рисунке 3 печатные дорожки показаны со стороны их расположения. Если плату делать фотоэкспонированием или «лазерным утюгом» будет нужен зеркальный рисунок, показанный на рис.4.
  
 Диоды 1N4004 можно заменить любыми аналогичными диодами, например, 1N4002, 1N4007, 1N5404, 1N5405, 1N5406, 1N5407, 1N5408, КД209, КД105, КД226 и другими.
 Транзисторы КТ3102 можно заменить любыми аналогами, например, 2SC945, 2SC815, 2SC1815, 2SC1845, ВС547, SS9014, КТ503.
 Все конденсаторы должны быть на напряжение не ниже указанного на схеме.
 Микросхему К561ИЕ8 можно заменить на К176ИЕ8 или зарубежный аналог 4017.
 Стабилизатор по схеме на рис.1 можно использовать и в автомобиле, но верхний предел напряжения ограничить 9V (резисторы R8-R14 удалить), потому что напряжения аккумулятора автомобиля 11-14V будет недостаточно для эффективной стабилизации напряжения выше 9V.
  (Родиоконструктор 12-2014

