РЕМОНТ ЗАРЯДНОГО УСТРОЙСТВА СОТОВОГО ТЕЛЕФОНА
- Подробности
- Категория: Ремонт блоков питания
- Опубликовано: 13.04.2017 14:33
- Просмотров: 4373
Снегирев И.
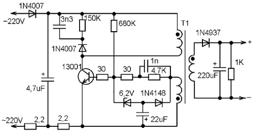
Пожалуй, самой «больной» частью сотового телефона является его зарядное устройство. Компактный источник постоянного тока нестабильным напряжением 5-6V часто выходит из строя по разным причинам, от собственно неисправности, до механической поломки в результате неосторожного обращения. Впрочем, замену неисправному зарядному устройству найти весьма легко. Как показал анализ нескольких зарядных устройств различных фирм-производителей, они все построены по весьма схожим схемам (см. рисунки).








Практически это схема высоковольтного блоккинг-генератора, напряжение со вторичной обмотки трансформатора которого выпрямляется и служит для зарядки аккумулятора сотового телефона. Различие, обычно заключается только в разъемах, а так же непринципиальные различия в схеме, такие как выполнение входного сетевого выпрямителя по однополупериодной или мостовой схеме, различие в схеме установки рабочей точки на базе транзистора, наличие или отсутствие индикаторного светодиода, и другие мелочи.
И так, какие же «типовые» неисправности? Прежде всего следует обратить внимание на конденсаторы. Пробой конденсатора, включенного после сетевого выпрямителя весьма вероятен, и приводит как к повреждению выпрямителя, так и к перегоранию низкоомного постоянного резистора, включенного между выпрямителем и отрицательной обкладкой этого конденсатора. Данный резистор, кстати говоря, работает практически как предохранитель.
Зачастую выходит из строя и сам транзистор. Обычно там стоит высоковольтный мощный транзистор, обозначенный «13001» или «13003». Как показывает практика, при отсутствии такового на замену можно использовать отечественный КТ940А,
широко использовавшийся в выходных каскадах видеоусилителей старых отечественных телевизоров.
Пробой конденсатора 22 мкФ приводит к отсутствию запуска генерации. А повреждение стабилитрона 6,2V приводит к непредсказуемому выходному напряжению и даже выходу из строя транзистора из-за превышения напряжения на базе.
Повреждение конденсатора на выходе вторичного выпрямителя бывает реже всего.
Конструкция корпуса зарядного устройства неразборная. Нужно пилить, ломать, а потом как-то все это склеивать, заматывать изолентой... Возникает вопрос о целесообразности ремонта. Ведь чтобы зарядить аккумулятор сотового телефона достаточно практически любого источника постоянного тока напряжением 5-6V, с максимальным током не ниже 300mA. Возьмите такой источник питания, и подключите его к кабелю от неисправного зарядного устройства через резистор сопротивлением 10-20 Ом. И все. Главное не перепутать полярность. Если разъем USB или универсальный 4-контактный - между средними контактами включить сопротивление около 10-100 килоом (подобрать, чтобы телефон «признал» зарядное устройство).
PK 01-2015

