Оригинальный светодиодный индикатор режима
- Подробности
- Категория: Индикаторы
- Опубликовано: 23.05.2018 06:37
- Просмотров: 2509
Для индикации режима работы какого-то устройства обычно используется мигающий свето-диод или двухцветный, меняющий свой цвет в зависимости от режима. Согласитесь, - это скучно и однообразно. Предлагаю другой вариант, - индикатор режима состоит из линейки из шести двухцветных светодиодов. Индикатор работает в четырех режимах, - светодиоды все выключены; воспроизводится красный эффект бегущих огней в одну сторону; воспроизводится зеленый эффект бегущих огней в другую сторону; воспроизводится эффект встречного разноцветного движения.

Переключение режимов индикации производится изменением логических уровней на двух входах. При входном коде «00» - встречное движение разноцветных бегущих огней, при коде «01» - зеленые бегущие огни, при коде «10» - красные бегущие огни, при коде «11»- светодиоды выключены.
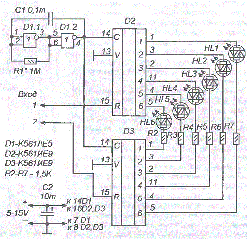
Принципиальная схема показана на рисунке. Импульсы от мультивибратора на элементах D1.1 и D1.2 поступают на входы двух десятичных счетчиков D2 и D3 одновременно. Счетчики К561ИЕ9 работают так, что единица в любой момент времени присутствует только на одном из выходов, а на остальных выходах нули. Для индикации используются импортные двухцветные светодиоды повышенной яркости, в которых есть по два кристалла, включенных встречно-параллельно. Поэтому цвет свечения такого светодиода зависит от направления тока через него.
В данной схеме, светодиоды включены между выходами двух счетчиков, причем так, что каждый из них подключен к разным выходам счетчиков. Поэтому, цвет и номер включенных светодиодов зависит от соотношения уровней на выходах этих счетчиков.
Управляются счетчики по входам «R», — блокируются подачей единиц, а запускаются подачей нулей. Если на вход подан код «00» работают оба счетчика Предположим, светодиоды включены так, что при подаче «+» на верхний по схеме вывод горит красный цвет (К), а если «+» внизу, - зеленый (3). Тогда светодиоды будут включаться разноцветными парами,- HL1(K) + HL6(3), затем, HL2(K) + HL5(3), далее, HL3(K) + HL4(3), далее, HL4(K) + HL3(3), далее, HL5(K) + HL2(3), далее, HL6(K) + HL1(3). И снова повторяется. Таким образом, получается световой эффект движущихся навстречу разноцветных бегущих огней, которые, при встрече пересекаются и начинают движение в разные стороны.
Если на входе код «01» счетчик D2 принудительно находится в нулевом состоянии и на всех его выходах, задействованных в этой схеме, логические нули. Напротив, счетчик D3 работает и переключает поочередно зеленые светодиоды светодиодов с HL6 до HL1. Если код на входе установить «10». ситуация меняется на обратную, - теперь работает счетчик D2, a D3 удерживается в нулевом состоянии Переключаются красные светодиоды в другом направлении, - с HL1 по HL6.
Выключить светодиоды можно подачей логических единиц на оба входа.
Скорость воспроизведения светового эффекта можно изменить подбором R1. Если в схеме, в которой будет работать такой индикатор, есть источник импульсов частотой 0,1..1 Гц можно мультивибратор на D1 подавать эти импульсы на входы «С» счетчиков.
Светодиоды импортные, красно-зеленые, марка не известна.
Кулешов М.

