Индикаторы тока и напряжения для лабораторного источника
- Подробности
- Категория: Индикаторы
- Опубликовано: 27.05.2018 07:42
- Просмотров: 3851
При налаживании схемы, её обычно питают от лабораторного источника. Это позволяет проверить её работу при разных напряжениях питания. При этом, желательно видеть не только напряжение питание схемы, но следить за изменением тока, потребляемого ею. А для этого нужны вольтметр и амперметр. Плюс, еще универсальный прибор для контроля режимов по постоянному току.
Работа будет легче, если в самом лабораторном источнике питания будет вольтметр, измеряющий выходное напряжение и амперметр, измеряющий выходной ток источника (ток его нагрузки).

Используя относительно недорогие микросхемы КР572ПВ5А и четырехразрядные жидкокристаллические индикаторы ИЖКЦ1-4/24А можно сделать для источника питания два простых цифровых измерителя, один из которых будет показывать выходное напряжение, а второй - выходной ток.
На рисунке 1 показана схема измерителя напряжения от нуля до 20V. Поскольку высокого входного сопротивления не требуется, а так же, не нужно измерять переменные напряжения, не нужно переключать пределы, вольтметр выполнен по предельно упрощенной схеме. Он практически состоит только из микросхемы и индикатора, плюс, минимальное количество навесных элементов.
Входное напряжение (напряжение с выхода источника) подается через делитель R5/R6. Точность показаний вольтметра выставляется подстроечным резистором R3.
Схема амперметра аналогичная (рис. 2), отличается только схема входной цепи, в которой есть мощное шунтирующее низкоомное сопротивление R5.
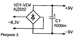
Сопротивление R5 - проволочное, самодельное, оно намотано проводом ПЭВ 0,56 на картонной оправке. Всего, нужно около 5 метров такого провода. Его наматывают на оправку. Устанавливать предел измерения изменяя это сопротивление неудобно. Поэтому, параллельно ему включен подстроечный резистор R6. Ток прибор определяет по падению напряжения на R5, a R6 позволяет регулировать поступление этого напряжения. Источник питания вырабатывает напряжение от 0,2 до 20V, а максимальный выходной ток для него 5А. Поэтому, сопротивления входного делителя вольтметра выбраны так, что он измеряет напряжение от 0 до 19,99V. Амперметр, теоретически может измерять токи до 19,99 А, но в данном случае (с конкретным источником питания) он не показывает более 4,99 А, так как при большем токе срабатывает защита источника питания. Схема измерителя на КР572ПВ5 такова, что источник питания его не должен иметь гальванической связи с измеряемой цепью, то есть, с общим проводом. Поэтому питание измерителя от того же выпрямителя, что питается стабилизатор источника невозможно. В данном случае, в основе лабораторного источника лежит трансформатор от старого черно-белого телевизора (УНТ-35) мощностью 120Вт. Все вторичные обмотки трансформатора перемотаны, кроме одной накальной. От неё и питаются измерители (рис. 3).
Напряжение 6,3V выпрямляется мостом и на конденсаторе образуется около 9V.
Порядин О.

