Определитель номеров проводов кабеля с речевой индикацией
- Подробности
- Категория: Прочие
- Опубликовано: 18.03.2017 17:20
- Просмотров: 3059
В. АКСЁНОВ, г. Москва
Предлагаемый прибор, работая совместно с компьютером, позволяет определить номер каждого провода в кабеле, содержащем от двух до ста проводов, и найти, если они есть, замкнутые между собой провода.
В отличие от описанной в статье В. Назарова "Приставки к компьютеру для "прозвонки" кабелей с речевым оповещением" ("Радио", 2010, №11, с. 22, 23), в этом приборе отсутствует прямая связь выводов микросхем с проводами проверяемого кабеля. Тут на нршм цена очень низкая. Речевые сообщения о номерах проводов передаются по тому же кабелю. Это даёт возможность проверить его силами одного человека, находящегося рядом с удалённым от прибора концом кабеля, к которому не требуется прокладывать никаких дополнительных проводов.
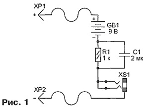
Выполняя её, он пользуется пробником, состоящим из гальванической батареи напряжением 9 В ("Крона", 6F22), резистора, конденсатора и головных телефонов, в которых слышны сообщения. Схема пробника показана на рис. 1.

Другой конец проверяемого кабеля подключают к прибору, собранному по схеме, изображённой на рис. 2.

Его разъём XS1 соединён с разъёмом физического или виртуального (созданного с помощью адаптера USB—COM) СОМ-порта компьютера. Отдельный источник питания прибору не требуется, он питается от одной из линий СОМ-порта. Выходной разъём аудиокарты компьютера соединяют с гнездом XS2 прибора.
Компьютерная программа формирует на линии DTR СОМ-порта импульсы, которые через инвертор на транзисторе VT1 поступают на счётный вход микросхемы DD1, образующей вместе с микросхемой DD2 двухразрядный десятичный счётчик. С помощью ключей на транзисторах VT2—VT11 микросхема DD1 (счётчик единиц) поочерёдно соединяет с общим проводом горизонтали матрицы 10x10 из электронных ключей А1—А100. Микросхема DD2 (счётчик десятков) с помощью ключей на транзисторах VT12—VT31 поочерёдно соединяет вертикали матрицы с резистором R6 и далее через резистор R5 с линией CTS СОМ-порта. Импульсы с выходов 9 микросхем счётчика поступают по линиям DCD и DSR в компьютер и используются для синхронизации. Напряжение питания прибора поступает с линии RTS СОМ-порта через диод VD1 и сглаживается конденсатором С2. Все ключи А1—А100 одинаковы и собраны по схеме, изображённой на рис. 3.

С гнёздами nXS1 (n — номер ключа) соединяют в порядке номеров провода одного из концов проверяемого кабеля. С любым из проводов на другом его конце соединяют минусовый щуп ХР2 пробника. Благодаря имеющимся в каждом ключе матрицы диодам nVD1 он будет фактически подключён к общему проводу прибора. С проводом, номер которого нужно определить, соединяют плюсовой щуп ХР2 пробника.
В тот момент, когда соответствующая вертикаль матрицы соединена с резистором R6, а её горизонталь — с общим проводом, транзистор nVT1 будет открыт и на линию CTS СОМ-порта компьютера поступит напряжение батареи GB1 пробника. Обнаружив это, работающая в компьютере программа приостановит формирование счётных импульсов и, зная состояние счётчиков DD1 и DD2, воспроизведёт хранящееся в памяти сообщение, содержащее номер провода. Через открытые ключи и проверяемый провод сигнал дойдёт до пробника. Оператор услышит сообщение в головных телефонах. Затем проверка кабеля продолжится. Сообщение будет повторяться в каждом её цикле.
Если несколько проводов замкнуты между собой, то будут "произнесены" номера каждого из них. Поэтому прежде чем переносить щуп на другой провод, следует прослушать как минимум два сообщения и убедиться, что они содержат один и тот же номер. Чтобы определить номер провода, к которому был подключён минусовый щуп пробника, достаточно поменять щупы местами.
Программа, управляющая проверкой, разработана и проверена на компьютере с операционной системой Windows XP Особых требований к скорости работы компьютера и объёму его оперативной памяти не предъявляется. В одной папке с исполняемым файлом программы должны находиться звуковые файлы с именами NN.wav, где NN — номер проверяемого провода от 1 до 100. Каждый из файлов содержит фразу, произносимую при обнаружении соответствующего провода. Число таких файлов должно быть не меньше числа проводов кабеля.
Предлагаемый прибор определяет номера проводов с высокой достоверностью. Даже если сформируется случайное, вызванное помехой сообщение, проверяющий его не услышит, так как оно будет направлено не в тот провод кабеля, к которому подключён щуп пробника.
Прибор имеет модульную конструкцию с вертикальным расположением плат. Они выполнены из фольгированного стеклотекстолита методом вырезания зазоров между участками фольги, используемыми для монтажа деталей.
Монтаж на плате модуля управления — двусторонний. Чертёж двух её сторон показан на рис. 4, а расположение деталей на них — на рис. 5.


На одной стороне расположены счётчик DD1, транзисторы VT1—VT11, относящиеся к ним резисторы, конденсаторы С1 и С2. На другой — счётчик DD2, транзисторы VT12, VT14, VT16, VT18, VT20, VT22, VT24, VT26, VT28, VT30, относящиеся к ним резисторы, а также резисторы R4—R6 и диод VD1. Соединения микросхем с подключаемыми к их выводам деталями выполнены в основном перемычками из изолированного провода. На плате имеются четыре переходных отверстия, которые помечены на рис. 5 точками внутри. В них нужно вставить и пропаять с двух сторон короткие отрезки неизолированного провода. На десяти одинаковых платах, выполненных по чертежу на рис. 6,

расположены ключи А1—А100 (по десять ключей, соединённых с одной вертика-
лью матрицы, на каждой). Эти платы — односторонние. Расположение деталей на одной из них, содержащей ключи А1 — А10, показано на рис. 7.

Сначала на плату монтируют транзисторы (рис. 7,а), причём VT13 предварительно переворачивают и отгибают его выводы в противоположную заводской формовке сторону. Затем, как показано на рис. 7,б, монтируют диоды и резисторы. Модули остальных вертикалей аналогичны описанному.
Все транзисторы должны иметь малый ток утечки и коэффициент передачи тока n21э не менее 100. Резисторы — МЛТ-0,125 или подобные. Диоды КД521А можно заменить любыми кремниевыми с такими же или меньшими габаритными размерами. Конденсаторы использованы керамические для поверхностного монтажа с рабочим напряжением не менее 10В.
Если компьютер не оснащён СОМ-портом, для связи с ним можно использовать переходник USB—COM, Такие переходники выпускают многие фирмы, но самый дешевый приобретать не стоит. Он может работать со сбоями.
Программа для устройства написана с помощью системы разработки программ Delphi 7.
Компьютерная программа, определяющая номера проводов кабеля скачать
Компонент BComPort, обслуживающий СОМ-порт, найден в Интернете по адресу <http://delphi7. do.am/index/0-2>. Запись звука произведена с микрофона средствами Windows XP. Для подготовки звуковых файлов использовалась программа Power Sound Editor Free <http://www.free-sound-editor.com/download.html>. Для работы важно, чтобы звуковые файлы находились в одной папке с исполняемым файлом программы.
Перед запуском программы необходимо соединить устройство с СОМ-портом компьютера или через переходник USB—COM с его портом USB, а также с аудиовыходом компьютера. К гнёздам 1XS1 — 100XS1 подключают в порядке номеров (если они известны) или в произвольном порядке провода одного конца проверяемого кабеля. Запустив программу, следует подключить минусовый щуп пробника к любому проводу на противоположном конце кабеля и, касаясь плюсовым щупом других проводов, прослушивать сообщения об их номерах (точнее, о номерах гнёзд прибора, к которым они присоединены). Одновременно те же номера будут появляться на экране компьютера вместе со значениями длительности формируемых речевых сообщений. Для получения номера провода, к которому был подключён минусовый щуп, достаточно коснуться его плюсовым щупом, предварительно перенеся минусовый на любой другой провод.
От редакции. Компьютерная программа, определяющая номера проводов кабеля, имеется по адресу ftp://ftp.radio.ru/pub/2014/03/wirenum.zip на нашем FTP-сервере.
Радио №3/2014

