Частотомер на микроконтроллере
- Подробности
 - Категория: схемы на PIC
 - Опубликовано: 02.04.2017 08:21
 - Просмотров: 5031
 
Н. ЗАЕЦ, г. Азов Ростовской обл. Радио №3, 2010.
 Предлагаемый частотомер собран на микроконтроллере и семиэлементных светодиодных индикаторах с общим катодом. Его разрешающая способность составляет 0,1 Гц, что может быть полезным при проведении точных измерений.
 Основные технические характеристики
 Диапазон измеряемых частот, МГц................0.1 Гц...40
 Время измерения частоты, с . .1 или 10
 Чувствительность, В.............0,1
 Напряжение питания, В........4,5...5
 Потребляемый ток, мА:
 в режиме ожидания..........10
 максимальный........   .... .35
 Схема частотомера показана на рис. 1.
  
  На входе устройства установлен компаратор DA1, который включен по типовой схеме с инвертирущим входом. Порог срабатывания компаратора можно изменять подборкой резистора R4 — чем больше его сопротивление, тем выше порог. Работа компаратора управляется сигналом на входе LATCH (вывод 5) DA1. который поступает с линии порта RАЗ (вывод 5 DD1), и разрешена при низком логическом уровне на этом входе.
 Порт В микроконтроллера DD1 задействован для подачи напряжения на элементы a—h индикаторов HG1. HG2, а порт С — для подключения катодов этих индикаторов к общему проводу. Резистор R7 является "подтягивающим" для линии порта RA0, a R6 уменьшает влияние на компаратор DA1 импульсов, поступающих на вход предделителя в режиме досчета. Резисторы R8—R15 токоограничивающие. от их сопротивлений зависит яркость свечения индикаторов HG1, HG2.
 Входной сигнал преобразуется компаратором DA1 в прямоугольные импульсы с уровнями ТТЛ, которые поступают на вход микроконтроллера для их дальнейшего счета Восьмиразрядные регистры предделителя, таймера TMR0 и двух счетчиков прерывания по переполнению TMRO подсчитывают эти импульсы. Измерительный интервал задает тай мер TMR1.
 Информация в регистрах таймера TMR0 и счетчиков доступна для чтения, а вот содержимое высокочастотного (до 90 МГц) регистра предцелителя недоступно. Поэтому для извлечения информации, хранящейся в нем, применен ставший уже классическим способ досчета импульсов до переполнения предделителя. После остановки счета значение TMRO сохраняется в цифровом компараторе. Число поданных на вход предделителя импульсов подсчитывается, и после каждого импульса сравниваются текущее и сохраненное значения TMRO. При изменении текущего значения TMRO подача импульсов на предделитель прекращается. Накопленное в младшем регистре число, преобразованное в дополнительный код, и будет тем числом, которое было в предделителе. Двоичный код на выходах четырех восьмиразрядных регистров преобразуется в двоично-десятичный, а затем в код для управления семиэлементными индикаторами.
 После подачи питающего напряжения осуществляется инициализация регистров микроконтроллера Частота
 переключения разрядов при динамической индикации должна быть такой, чтобы не было видно мерцания индикатора. Как известно, эта частота должна быть не ниже 25 Гц. Выбранная длительность индикации одного разряда на восьмиразрядном индикаторе составляет 3 мс, поэтому частота переключения F= 1/T= 1 /(0,003*8) = 41,7 Гц, где F — частота обновления индикатора; Т — период. При такой частоте мерцание индикатора не заметно.
 Периодически микроконтроллер проверяет состояние контактов кнопки SB1. Если кнопка нажата, то состояние флага времени измерения изменяется на противоположное, при этом также изменяется положение запятой на индикаторе. Далее последовательно на индикатор выводится информация остальных разрядов. Последовательность вывода на индикацию нарушается только прерываниями.
 В программе использованы два прерывания: одно — по результату сравнения значений шестнадцатиразрядных регистров специального события (CCPR1Н и CCPR1L) и регистров таймера TMR1 (TMR1Н и TMR1L). другое — по переполнению таймера TMR0. Регистры ССР1 и TMR1 используются для формирования временного интервала измерения частоты. Делитель на 10 для получения временного интервала 1 с и еще один делитель на 10 для получения интервала 10 с реализованы на отдельных регистрах, которые заполняются при прерывании
 После сохранения значений контекстных регистров проверяются флаги прерывания. Если прерывание произошло по переполнению таймера TMR0. то инкрементируется счетчик и программа выходит из прерывания. При прерывании по результату сравнения модуля ССР1 заполняется регистр делителя на 10 и проверяется флаг времени измерения. Если установлено время измерения 10с, заполняется регистр делителя на 10. После окончания времени измерения выполняются досчет и определение содержимого предделителя Полученные данные перекодируются в девять разрядов двоично-десятичного кода. Для экономии энергии батарей портативного прибора все незначащие нули гасятся. При выполнении операций во время прерываний работа таймеров TMR0 и TMR1 не останавливается, поэтому цикл измерения повторяется непрерывно.
 В устройстве применены резисторы С2-23, Р1-4, оксидный конденсатор — импортный, остальные керамические — К10-17. Компаратор AD8611 можно заменить на компаратор AD8561, кварцевый резонатор ZQ1 —
 HC-49U Кнопки SB1 и SB2 с самовозвратом — ПКн159. выключатель питания — кнопочный с возвратом в исходное положение повторным нажатием. Кнопка и выключатель должны иметь удлиненные (10 мм) толкатели
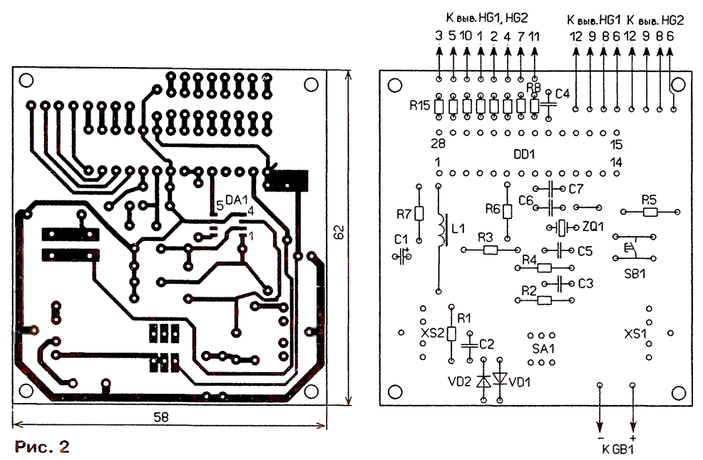
 Большинство элементов смонтированы на печатной плате из односторонне фольгированного стеклотекстолита, чертеж которой показан на рис. 2.
  
  Светодиодные индикаторы монтируют на печатной плате из аналогичного материала, чертеж ее показан на рис. 3.
  
  Платы установлены в унифицированном корпусе Z55 (рис. 4)
  
  размерами 105x63*28 Для входного гнезда
 и гнезда питания в боковой стенке сделаны отверстия соответствующего диаметра. Отверстия для толкателей кнопки и выключателя питания делают на верхней крышке. Чтобы исключить случайное включение частотомера при транспортировке, например в кармане, толкатели не должны выступать над крышкой В этом случае для нажатия на толкатели можно применить авторучку, карандаш или измерительный щуп частотомера. В верхней крышке корпуса сверлят отверстия диаметром 1,5...2 мм для выводов светодиодных индикаторов. Предварительно сверлят отверстия диаметром 0,8...1 мм, используя печатную плату (см. рис. 3) как шаблон, а затем рассверливают сверлом большего диаметра. Индикаторы устанавливают в эти отверстия с внешней стороны, а печатную плату надевают на выводы индикаторов с внутренней стороны крышки и затем припаивают. Для элементов питания применена кассета на четыре элемента типоразмера ААА. причем контакты в одном отсеке замкнуты. Платы и кассету соединяют друг с другом изолированными проводами, например МГТФ-0,07. Внешний вид смонтированного прибора показан на рис. 5.
  
 После включения питания в течение одной секунды во всех разрядах индикаторов появляются нули, а затем высвечиваются две запятые, выделяющие разряды единиц, десятков и сотен герц. При нажатии на кнопку SB1 запятые сдвигаются влево на один разряд. Если эти операции выполняются, частотомер готов к работе.
 Налаживание сводится к установке частоты кварцевого генератора. Для этого на вход частотомера подают сигнал с известной частотой и подборкой конденсаторов С6 или установкой последовательно с резонатором конденсатора емкостью 10...100 пф (на плате для него предусмотрено место, в которое предварительно монтируют проволочную перемычку) устанавливают это значение частоты на индикаторе Для облегчения процедуры можно установить подстроечные конденсаторы, например КТ4-25. Следует отметить, что для обеспечения точности измерения частоты в доли герц следует применить эти конденсаторы, а также кварцевый резонатор с повышенной термостабильностью.
 От редакции Чтобы исключить протекание постоянного тока через входные цепи частотомера, следует включить диоды VD1, VD2 параллельно резистору R2 (после конденсатора С2)
 Скачать Текст и коды программы микроконтроллера частотомера можно с сервера или  на FTP-сервере журнала Радио по адресу ftp:// ftp.radio.ru/ pub/2010/03/fmeter.zip
 Редактор — И. Нечаев, графика — И Нечаев, фото — автора

