ГЕНЕРАТОР ДЛЯ ИЗУЧЕНИЯ ТЕЛЕГРАФНОЙ АЗБУКИ
- Подробности
 - Категория: Схемы начинающим
 - Опубликовано: 15.03.2017 11:25
 - Просмотров: 52834
 
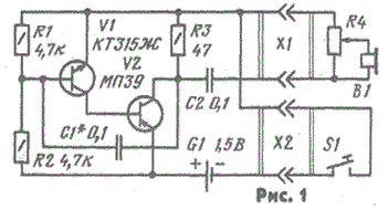
Наиболее просто собрать такой генератор по приведенной на рис. 1 схеме, разместив детали в подвале корпуса телеграфного ключа.
  
 Генератор представляет собой несимметричный мультивибратор, выполненный на транзисторах разной структуры и вырабатывающий колебания частотой примерно 1000 Гц (она за висит от емкости конденсатора С1). Нагрузкой генератора является резистор R3, с которого сигнал подается через конденсатор С2 на резъем X1 — в него включают вилку высокоомных головных телефонов В1 типа ТОН-2 или ТЭГ-1 с регулятором громкости R4. С гнездами разъема Х2 соединяют контакты телеграфного   ключа S1.
 Бoльшую громкость звука удастся получить, собрав генератор по схеме, приведенной на рис. 2.
  
 Здесь вместо головных телефонов к генератору подключена малогабаритная динамическая головка В1.
 При отсутствии динамической головки ее можно заменить абонентским громкоговорителем на напряжение 15В, подключив его к генератору в соответствии со схемой на рис. 3.
  
 Причем переменным резистором громкоговорителя можно устанавливать нужную громкость звука.
 Транзистор V1 во всех конструкциях может быть любой из серий КТ301, КТ306, КТ312, КТ315; V2 - МП39— МП42, МП25, МП26 с любым буквенным индексом. Коэффициент передачи тока каждого транзистора — не менее 20. Динамическая головка — мощностью 0,1... 0,5 Вт со звуковой катушкой сопротивлением 6...10 Ом. Трансформатор Т1 -- выходной от малогабаритного транзисторного радиоприемника (например, «Сокол», «Селга», «Алмаз», «Нейва») с коэффициентом трансформации не менее 1:8. Причем обмотка с меньшим числом витков (вторичная) такого трансформатора используется в генераторе как обмотка I, а. с большим числом витков — как обмотка II. Источник питания — элемент 316, 332 или 343.
 Е. САВИЦКИЙ г. Коростень Житомирской обл.
 РАДИО № 5, 1983 г.</p

