Осторожно, Вас слушают!
- Подробности
 - Категория: шпионские штучки
 - Опубликовано: 25.03.2017 13:13
 - Просмотров: 3119
 
В. Арапов, г. Киев
  К сожалению, в последнее время появляется все больше и больше жертв подслушивания и подсматривания. Чтобы успешно бороться с "врагом", нужно знать его методы. Поэтому в этой статье пойдет речь о видах подслушивающих устройств.
 Самые доступные акустические, самые дорогие лазерные
 Существует великое множество видов подслушивающих устройств (ПУ), но самыми распространенными являются акустические, вибрационные, инфракрасные, сетевые, телефонные, лазерные.
 Акустические ПУ (прослушка акустического канала) были подробно описаны в прошлом номере в статье "Жучки - находка для конкурентов", поэтому сразу перейдем ко второму виду. Вибрационные подслушивающие устройства (прослушка вибрационного канала) - это ПУ, перехватывающие акустические колебания, распространяющиеся в твердых конструкциях. Это могут быть стены, полы, потолки, трубы отопления, водоснабжения, канализации. Подслушивающие устройства, в которых используются микрофоны данного типа, называются радиостетоскопами. Радиостетоскопы способны улавливать звуковые колебания через бетонные стены толщиной 0,3...0,5 м, а также через двери и оконные рамы.
 Инфракрасные ПУ - подслушивающие устройства, передающие информацию по оптическому каналу в инфракрасном, невидимом для глаза диапазоне. Такие жучки иногда называют "инфракрасными" или ИК-закладками. Инфракрасный передатчик преобразует акустические колебания в световые. Для приема информации, передаваемой такими закладными устройствами, используются приемники оптического излучения. Дальность передачи информации составляет несколько сотен метров. Ведение прослушки с помощью ИК-закладок - это альтернатива использованию акустических закладных устройств, поскольку акустические "жучки'' можно обнаружить специальными приемниками по их радиоизлучению.
 Сетевые подслушивающие устройства (прослушка сети 220 В) - радиозакладки, которые для передачи информации используют линии электропитания силовой сети 220 В. Они могут быть установлены в электрических розетках, тройниках, удлинителях, бытовой аппаратуре, питающейся от сети переменного тока, или непосредственно в силовой линии. Их достоинства — неограниченное время работы и сложность обнаружения. Для приема информации, передаваемой сетевыми подслушивающими устройствами, применяют специальные приемники, подключаемые к силовой сети в пределах здания (силового трансформатора).
 Антенной сетевого "жучка" является силовой провод. Сетевые ПУ работают в основном на частотах от 40 до 600 кГц (в некоторых случаях могут быть использованы частоты до 5... 10 МГц).
 Лазерные   подслушивающие   устройства   не являются "жучком" в стандартном понимании, так как само подслушивающие устройство не находится непосредственно на месте проведения бесед. Прослушка помещения может проводиться лазерным микрофоном, представляющим собой систему, которая позволяет на расстоянии до 300 м считывать вибрацию оконных стекол и преобразовывать ее в слышимую речь. Для работы такого закладного устройства необходимо "метить" стекло, т.е. наносить на него пятна специальной краской, отражающей лазерный луч в месте излучения, где он принимается фотоприемным устройством. Существуют лазерные подслушивающие устройства, не нуждающиеся в "метке", но они дорогостоящи и сложны в эксплуатации.
 Приведем две схемы разных видов подслушивающих устройств по принципу "от простого к сложному".
  
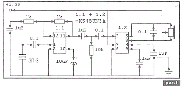
 На рис.1 показана схема простейшего микрофона-стетоскопа, который работает достаточно надежно, но только после подбора деталей в зависимости от вида и толщины перекрытия (стены, пола, окна), через которое ведется прослушка. Хороший результат получается при прослушивании через стену толщиной 25...30 см. В качестве датчика применен пьезоэлемент от игрушки.
  
  На рис.2 показана схема радиопередатчика с амплитудной модуляцией, работающего в диапазоне частот 27...30 МГц. Основное достоинство устройства - питание от электросети. Эту же сеть оно использует для излучения сигнала высокой частоты.
 Приемник принимает сигнал, используя телескопическую антенну или специальный сетевой адаптер.
 Задающий генератор собран на транзисторе VT2 типа КТ315 по традиционной схеме. Для питания микрофона M1 применен
 параметрический стабилизатор напряжения, собранный на резисторе R1 и светодиоде VD1, включенном в прямом направлении, на аноде которого поддерживается напряжение 1,2...1,4 В. На транзисторе VT1 типа КТ315 собран усилитель звуковой частоты, сигнал с которого модулирует по амплитуде задающий генератор. Постоянное напряжение на коллекторе транзистора VT1 является напряжением смещения для транзистора VT2.
 Модулированный ВЧ сигнал с катушки связи L2 через конденсатор С9 поступает в электросеть. В данном случае провода
 электросети играют роль антенны. Источник питания собран по бестрансформаторной схеме. Дроссель Др1 предотвращает
 проникновение ВЧ колебаний в источник питания. На реактивном сопротивлении конденсатора С8 гасится излишек сетевого напряжения. В отличие от резистора конденсатор не нагревается и не выделяет тепло, что благоприятно сказывается на режиме работы устройства. Выпрямитель собран на диодах VD3, VD4. Конденсатор С7 сглаживает пульсации выпрямленного напряжения. Далее напряжение через параметрический стабилизатор, собранный на резисторе
 R5 и стабилитроне VD2, поступает для питания радиомикрофона. Конденсатор С6 уменьшает пульсации выпрямленного
 напряжения. Такой блок питания обеспечивает стабильную работу радиомикрофона при изменениях сетевого напряжения в интервале от 80 до 260 В.
 Микрофон M1  -  любой малогабаритный конденсаторный микрофон со встроенным усилителем (МКЭ-3, M1-Б, "Сосна" и т.п.).
 Конденсаторы С8 и С9 должны быть рассчитаны на рабочее напряжение не менее 250 В.
 Дроссель Др1 типа ДПМ-0,1 номиналом 50...90 мкГн. Дроссель Др1 может быть изготовлен самостоятельно. Он содержит 100-150 витков провода ПЭВ 0,1 мм на стандартном ферритовом сердечнике диаметром 2,8 и длиной 14 мм (длину сердечника можно уменьшить в 2 раза). Катушки L1 и L2 намотаны на стандартных ферритовых стержнях диаметром 2,8 мм и длинной 14 мм проводом ПЭВ 0,23. Катушка L1 имеет 14 витков, L2 - 3 витка поверх L1. В качестве транзистора VT2 можно использовать также КТ3102 или КТ368. Диоды VD3, VD4 можно заменить КД105 или другими на напряжение не ниже 300 В. Конденсаторы С6 и С7 могут быть большей емкости и на большее рабочее напряжение, они должны иметь минимальную утечку. Стабилитрон VD1 заменим любым стабилитроном с напряжением стабилизации 8...12 В.
  
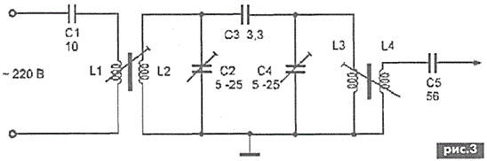
 На рис.3 показана схема сетевого адаптера. Конденсатор С1 исключает проникновение напряжения сети в катушку L1 и на вход используемого приемника. Катушки L2-L4 и конденсаторы С2-С4 образуют двухконтурный фильтр сосредоточенной селекции. С катушки L4 отфильтрованный сигнал поступает на вход приемника. Катушки L1-L4 намотаны на каркасах от катушек коротковолновых диапазонов переносных радиоприемников. Катушка L1 имеет 2 витка, L2 - 14 витков, L3 - 14 витков, L4 - 5 витков провода ПЭВ 0,23. Конденсатор C1 - на напряжение не ниже 250 В, конденсаторы С2 и С4 подстроечные.
 Настройку устройства следует начинать с проверки напряжения питания. Для этого необходимо сделать разрыв в точке А
 (рис.2). Напряжение на конденсаторе С6 должно быть 9 В. Если напряжение отличается от указанного, следует проверить
 исправность элементов блока питания Др1, С8, VD3, VD4, С7, R5, VD2, С6. При исправном блоке питания следует восстановить соединение в точке "А" и подбором сопротивления резистора R2 установить напряжение на базе транзистора VT2 равным 3,5 В.
 Дальнейшая настройка сводится к установке несущей частоты подстройкой контура в результате перемещения сердечника катушек L1, L2. Настройка адаптера сводится к настройке контуров L2, С2 и L3, С4 на частоту передатчика.
 В борьбе с прослушкой поможет искатель
 Сегодня каждый может приобрести или собрать самостоятельно радиомикрофон, а также телефонное радиопрослушивающее устройство. И если вы, к примеру, занимаетесь бизнесом, то вам наверняка необходима уверенность в том, что ваш разговор в квартире или офисе не прослушивается. Ведь от соблюдения коммерческой тайны зависит успех дела.
 Обычно "жучки" излучают на одной частоте в диапазоне 30...500 МГц небольшую мощность (до 5 мВт). Иногда они работают в ждущем режиме: включаются на передачу при наличии шума в помещении (это обеспечивает экономичность расходования энергии элементов питания) или при снятии телефонной трубки. "Жучки" могут иметь постоянное питание от сети 220 В - в этом случае они располагаются внутри розеток или переходных тройников.
 Услуги специалистов по поиску таких закладок стоят довольно дорого.
 Самостоятельная разборка и осмотр всех электроприборов займет очень много времени и
 не гарантирует успех (электрическую лампочку не разберешь, а в ней может находиться радиомикрофон). Поэтому предлагаем вашему вниманию простейший прибор, который поможет обнаружить ПУ.
 Радиочастотный искатель подслушивающих устройств.
 Устройство (рис.4)
  
  является широкополосным мостовым детектором ВЧ напряжения, который перекрывает диапазон частот 1...200 МГц (при
 использовании в качестве VD1-VD6 диодов СВЧ диапазона рабочая полоса может быть расширена) и позволяет обнаруживать "жучки" на расстоянии примерно 0,5...1 м (это зависит от мощности передатчика).
 Известно, что измерение ВЧ напряжений с уровнем, меньшим 0,5 В, затруднено тем, что уже при 0,2...0,3 В все
 полупроводниковые диоды при детектировании становятся неэффективными из-за особенности их вольтамперной характеристики.
 В данной схеме применен известный способ измерения малых переменных напряжений с использованием сбалансированного диодно-резистивного моста. Небольшой ток, протекающий через диоды VD3, VD4, улучшает условия детектирования (повышает чувствительность) и позволяет отодвинуть нижнюю границу уровня измеряемых напряжений до 20 мВ при равномерной амплитудно-частотной характеристике. Диоды VD5, VD6 образуют второе плечо моста и обеспечивают термостабилизацию. На элементах микросхемы D1.2-D1.4 собраны трехуровневые компараторы, к выходам которых подключены светодиодные индикаторы HL1-HL3. Диоды VD1, VD2 выполняют функцию стабилизаторов напряжения 1,4 В, что необходимо для устойчивой работы устройства в широком диапазоне изменения питающих напряжений.
 Применение устройства требует определенных навыков, так как схема довольно чувствительна и способна улавливать вблизи любые радиоизлучения, например работу гетеродина приемника или телевизора, а также вторичное переизлучение токопроводящих поверхностей. Для облегчения поиска "жучка" используют сменные антенные штыри с разной длиной (рис.5),
  
  которые позволяют снизить чувствительность.
 При использовании устройства после его включения необходимо резистором R2 добиться свечения индикатора HL3. Этим
 устанавливают уровень начальной чувствительности относительно фона. При поднесении антенны к источнику радиоизлучения должны засветиться светодиоды HL2 и HL1 по мере увеличения амплитуды принятого сигнала. Регулировку подстроечным резистором R9 выполняют один раз (при первоначальной настройке от него зависит уровень порогов чувствительности компараторов).
 Питается устройство от аккумулятора 7Д-0.125Д или батарейки типа "Крона" и сохраняет работоспособность при изменении
 напряжения питания от 6 до 10В.
 В схеме применены: переменные резисторы R2 типа СПЗ-36 (многооборотный), R9 типа СПЗ-19а, остальные резисторы типа С2-23; конденсаторы С1-С4 типа К10-17; гнездо X1 типа Г4,0, выключатель S1 типа ПД-9-2.
 Светодиоды можно заменить любыми из серии КИП (при малом потребляемом токе они светят достаточно ярко).
 РА 8'2006

