ПЕРЕКЛЮЧАТЕЛЬ ГРУПП ЛАМП ПОДВЕСНОГО ПОТОЛКА С ПАМЯТЬЮ
- Подробности
- Категория: освещение
- Опубликовано: 24.03.2017 15:49
- Просмотров: 2052
Бочаров А. А. Радиоконструктор 2-2008
Модные сейчас подвесные потолки с точечными источниками света нуждаются в специальном оборудовании для переключения и зонирования освещения. Имеющиеся в широкой продаже двойные механические выключатели для этого мало пригодны, так как могут управлять только двумя группами ламп, а число вариантов освещения не может быть больше четырех (выключено,включена 1-я группа, включена 2-я группа, включены обе группы).
Электронным способом можно достигнуть большего разнообразия и эффективности освещения. Здесь приводится схема электронного переключателя четырех групп светильников, позволяющего выбрать из 16-ти вариантов освещения. Органов управления -два, это обычный сетевой выключатель и кнопка без фиксации. Выключатель S2 служит для отключения светильников, а кнопка S1 для выбора вариантов. Сразу после подачи питания схема переходит на нулевой вариант, - когда все светильники выключены. Затем нужно нажать кнопку S1. Пока вы её держите нажатой происходит перебор вариантов освещения. Как только увидите, что светильники зажглись в таком порядке как вам нужно, - отпустите кнопку.
Выключателем S2 вы можете выключить светильники, сохранив в памяти схемы последний вариант их включения.

При включении выключателя, если не было перерыва в электроснабжении, светильники будут гореть так же как до выключения.
На самом деле никакой памяти, в прямом смысле слова, в этой схеме нет. Просто когда вы выключаете выключатель S2, вы отключаете светильники, а электронная часть схемы остается под напряжением, и сохраняет свое установившееся состояние.
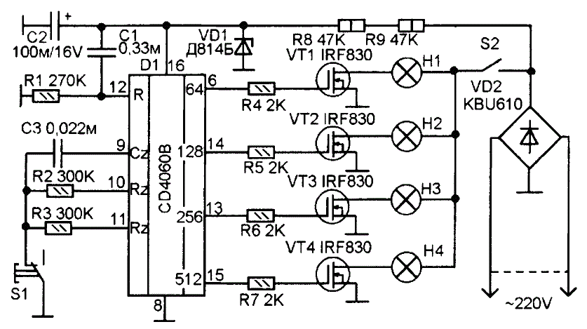
Теперь подробнее о схеме. Светильники питаются пульсирующим напряжением, полученным с мостового выпрямителя VD2. Тип моста нужно выбирать из условия максимальной мощности в сумме всех ламп. Все лампы подвесного потолка сгруппированы в четыре группы, каждая из которых включается ключевым полевым транзистором с низким сопротивлением открытого канала. Максимальная мощность в сумме всех ламп, входящих в одну группу не должна быть больше 100 Вт. При такой мощности радиаторы полевым транзисторам не нужны.
Логическая часть схемы сделана на одной микросхеме - CD4060B, представляющей собой 14-разрядный двоичный счетчик с элементами мультивибратора. В схеме мультивибратора работают СЗ, R2, R3. Генерируемая частота около 100 Гц.
Кнопка S1 - размыкающая, пока она не нажата, она шунтирует частотозадающую цепь мультивибратора и таким образом не допускает его генерации. При нажатии кнопка размыкается и мультивибратор работает.
Дребезг контактов, который обязательно имеет место, здесь существенного влияния на работу схемы не оказывает, поскольку импульсы с выхода мультивибратора подвергаются делению как минимум на 64, да и сама частотозадающая RC-цепь оказывает на помехи от дребезга подавляющее действие.
Схема собрана на печатной макетной плате размерами 72x59 мм. Такие платы часто бывают в продаже, на них по 546 отверстий с круглыми печатными площадками. Отверстия расположены рядами с шагом в 2,5 мм.

