УСИЛИТЕЛИ НА TDA2005. СТЕРЕОУСИЛИТЕЛЬ
- Подробности
 - Категория: УМЗЧ на микросхемах
 - Опубликовано: 19.03.2017 13:30
 - Просмотров: 5743
 
Микросхема TDA2005 относится к разряду недорогих и широкодоступных, на сегодняшний день, интегральных УМЗЧ. Относительно небольшое число навесных элементов, в сочетании с вполне хорошими электрическими характеристиками, наличие защиты выхода от перегрузки, термозащита, а так же, возможность установки коэффициента передачи в широких пределах (подбором сопротивлений резисторов в цепи ООС). Все это позволяет на базе TDA2005 строить самые разнообразные усилители, стереофонические, мостовые, многополосные и т.д.
На рисунке 1 приводится схема простого полного стереофонического усилителя, обладающего следующими параметрами:
 
 1. Выходная мощность при КНИ = 10%, на нагрузке 2 Оm..............2 х 10W.
 2. Выходная мощность при КНИ = 0,3%, на нагрузке 2 Om..............2 х 6 W.
 3. Уровень входного сигнала, для получения выходной мощности 1 W.......90 mV.
 4. Коэффициент усиления с учетом потерь в регуляторе тембра.........36 дб.
 5. Возможность увеличения коэффициента усиления до..........50 дб.
 Усилитель предназначен для работы в составе самодельного музыкального центра, его можно использовать для озвучивания сигналов от аудиоплейера, компактного проигрывателя CD, или от компьютерного привода CD-ROM.
 Входной стереосигнал поступает на разъем Х1. На переменных резисторах R3, R5, R9 сделан пассивный блок регулировок. Сдвоенным резистором R3 осуществляется регулировка тембра по ВЧ одновременно в обеих каналах. Сдвоенный резистор R5 служит для регулировки громкости. Резистор R5 используется с отводами от «подковки», которые служат для тонкомпенсации, улучшающей звучание при работе на малой громкости. Одинарный переменный резистор R9 служит регулятором стереобаланса
 Усилители, входящие в состав TDA2005 представляют собой мощные операционные усилители с однополярным питанием, прямые
 входы, - выводы 5 и 1, инверсные, соответственно, - выводы 4 и 2.
 Изменяя сопротивления резисторов R13 и R15 (или R12 и R14) можно изменять в широких пределах коэффициент передачи усилительных каналов. Для сопротивлений R13 и R15 зависимость обратная, а для R12 и R14 -прямая.
 Цепь R10-C12 служит для плавного включения усилителей, воизбежание броска тока в акустических системах.
 Конденсаторы С13 и С16 создают вольтодобавку к выходному каскаду, повышая выходную мощность без повышения напряжения питания. Усилитель может работать и без них, в этом случае С13 и С16 удаляют, выводы 7 и 11 соединяют с положительной шиной питания (с выводом 9). Но в этом случае максимальная мощность ниже.
 Детали узла регулировок монтируются непосредственно на выводах переменных резисторов, установленных на передней панели корпуса усилителя. Поскольку регуляторы пассивные, - так удобнее во всех отношениях.
 Детали непосредственно усилителя монтируются на небольшой печатной плате, схема которой приводится на рисунке 2.
 
 Плата выполнена из одностроннего фольгированного стеклотекстолита. На заготовке перед травлением, печатные дорожки нарисованы обычной нитроэмалью, при помощи остро заточенной спички. Конечно, не исключаю и метод «лазерного утюга», но здесь монтаж неплотный и спичкой дорожки рисуются быстрее (хотя и выглядят не так красиво).
 Выходные конденсаторы С21 и С18, а так же, сглаживающий конденсатор С19, расположены за пределами печатной платы (жестко закреплены при помощи хомутков в корпусе усилителя).
 Печатная плата не имеет собственных крепежных элементов, - крепится она на радиатор посредством радиаторной пластины микросхемы, одним винтом.
 Для отвода тепла от микросхемы используется радиатор, конструкция которого показана на рисунке 3.
 
 Радиатор сделан из наиболее доступного сейчас материала, -
 алюминиевого профиля, который используется для устройства подвесных потолков или каркаса для панелей из гипсокартона. Для одного радиатора нужно отрезать два куска длиной 10-15 см. Затем, один из кусков нужно разрезать вдоль на две одинаковые части (получится два уголка). Далее, два уголка складывают «вперекрышку» и размещают посредине внутри целого куска профиля. Все сопрягаемые поверхности необходимо
 промазать теплопроводной пастой. В середине конструкции сверлят отверстие, в которое при помощи винта с гайкой прикрепляют микросхему. Это крепление служит и креплением пластин такого радиатора.
 Силовой трансформатор Т1 использован готовый, типа ТБС 004 220/12. Его мощность 40W, а напряжение на вторичной обмотке 12V. Такие трансформаторы продаются в магазинах электроарматуры. Они используются для питания низковольтных светильников. Трансформаторы обыкновенные, низкочастотные, на «lib-образном сердечнике. При отсутствии именно такого трансформатора, - всегда можно подобрать аналогичный, обеспечивающий на вторичной обмотке напряжение 12-14V, мощностью не менее 40W. Либо сделать трансформатор самостоятельно, или перемотав обмотки какого-либо другого.
 Налаживание заключается в установке необходимой чувствительности каждого из каналов, подбором сопротивлений R3, R15 или R12, R14.
 Акустические системы, примененные с этим усилителем, подробно описаны в Л.1.
 На основе этого усилителя можно сделать несложный музыкальный центр, - проигрыватель CD, если на его вход подать сигнал с аналогового аудиовыхода старенького компьютерного CD-ROMa, а питать CD-ROM от этого же источника через два интегральных стабилизатора, например, КР142ЕН8Б и КР142ЕН5А.
 
 МОСТОВОЙ УСИЛИТЕЛЬ 20W.
 На основе микросхем TDA2005 можно сделать многоканальный усилитель для автомобильной акустической системы, при помощи которого можно будет воспроизводить сигнал, например, от карманного CD-плейера или другого источника.
 На рисунке 4 приводится схема усилительного модуля на микросхеме TDA2005, усилители которой включены по мостовой схеме, обладающего следующими параметрами:
 
 1. Напряжение питания........5-18V.
 2. Номинальное напряжение
 питания.......14,4V.
 3. Выходная мощность при КНИ = 10% на нагрузке 4 Оm...........20W.
 4. Выходная мощность при КНИ = 10% на нагрузке 3,2 Оm..........22W.
 5. Выходная мощность при КНИ < 1% на нагрузке 4 Оm...........15W.
 6. Чувствительность усилителя.....220mV.
 7. Диапазон частот............20-20000Гц.
 8. КНИ при мощности до 8W.......< 0,3%.
 Первый усилитель (вход - вывод 5) включен как обычно, в схеме стереоусилителя, прямой вход второго усилителя (вывод 1) зашунтирован по переменному току конденсатором СЗ. Сигнал поступает на инверсный вход второго усилителя (вывод 2) с выхода первого усилителя через делитель R5-R4-R3, образованный резисторами, задающими обратную связь. Для того чтобы получить равенство (по модулю) сигналов на выходах усилителей, сопротивление резистора ООС R6 второго усилителя в два раза больше аналогичного сопротивления (R3) первого усилителя.
 Акустическая система (сопротивлением не ниже 3,2 Оm) включается между выходами этих усилителей.
 Мостовая схема позволяет получить двукратное увеличение мощности и дает избавиться от габаритного разделительного конденсатора большой емкости, который обычно ставят между выходом усилителя и акустической системой. Отсутствие вышеуказанного конденсатора еще и улучшает работу усилителя на низких частотах.
 Усилительный модуль собран на печатной плате, схема которой приводится на рисунке.
 
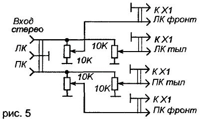
 Оптимально, в легковом автомобиле использовать систему из четырех таких усилительных модулей, включив их согласно схеме на рисунке 5.
 
 При помощи переменных резисторов можно оптимально отрегулировать уровни поступающих на модули сигналов, так чтобы было оптимальное соотношение мощностей стереоканалов, а так же, фронтальных и тыловых каналов.
 Все четыре усилительных модуля можно разместить на общем радиаторе и в общем корпусе, здесь же можно разместить и интегральный стабилизатор для питания источника сигнала (например, КР142ЕН12А).
 Печатные платы собственных элементов крепления не имеют, - роль крепежного элемента выполняют радиаторные пластины.
  ДВУХПОЛОСНОЙ УСИЛИТЕЛЬ
 Используя две микросхемы TDA2005 можно сделать двухполосный стереоусилитель, в котором каждый из стереоканалов будет содержать по двухполосному усилителю с частотой разделения, например, 2 кГц. Один из усилителей TDA2005 будет работать в низкочастотном канале (20-2000 Гц) и с его выхода сигнал будет поступать на НЧ акустическую систему. Второй усилитель TDA2005 будет работать на частотах от 2000 Гц до 20000 Гц и с его выхода сигнал будет поступать на ВЧ-акустическую систему.
 Принципиальная схема одного из каналов двухполосного стереоусилителя показана на рисунке 6.
 
 Входной сигнал поступает на два пассивных фильтра, - фильтр нижних частот на элементах R1-C1 и фильтр верхних частот на элементах C3-R2.
 Уровень низкочастотного сигнала не регулируется, к выходу верхнего по схеме усилителя подключается акустическая система, работающая на низких частотах. Или низкочастотный динамик двуполосной акустической системы. Для улучшения воспроизведения низкочастотных составляющих емкость разделительного конденсатора С10 выбрана большой (используется конденсатор К50-35 емкостью 4700 мкФ на напряжение 16 V). Соответственно, более высокие емкости и конденсаторов С2, С7 и С8 чем аналогичных конденсаторов высокочастотного канала.
 Уровень высокочастотного сигнала регулируется при помощи переменного (или подстроечного) резистора R2. С его помощью можно согласовать по уровням высокочастотную и низкочастотную составляющую, соответственно отдачи динамиков и получить равенство или необходимое преобладание НЧ или ВЧ.
 В высокочастотном канале используются электролитические конденсаторы меньшей емкости, в частности, емкость переходного конденсатора С13, через который сигнал подается на акустическую систему, всего 100 мкФ.
 Детали обоих стереоканалов монтируются на печатных платах, аналогичных плате стереоусилителя (рис. 2), только здесь нужно две платы. Входные цепи с регуляторами тембра, баланса и громкости можно сделать как в схеме стереоусилителя на рисунке 1. А вот источник питания должен быть в два раза мощнее, поскольку ток потребления схемой двухполосного стереоусилителя вдвое больше (работают четыре усилителя).
 Это же касается и радиатора, - он должен быть в два раза больше радиатора стереоусилителя (рис. 3).
 Коэффициент полезного действия усилителей микросхемы TDA2005 около 60%, это значит, что мощность силового трансформатора источника питания должна быть как минимум в 1,8 раза больше суммарной максимальной мощности усилителей.
 Акустические системы могут иметь сопротивления от 2 до 8 Оm.
 В автомобильном варианте, в низкочастотных каналах можно использовать усилители по мостовым схемам (рис. 4), а в высокочастотных по схеме нижнего усилителя на рис. 6.
 В таком варианте потребуется три микросхемы TDA2005, - две, включенные по мостовым схемам, будут работать в НЧ каналах, а одна, включенная по стереосхеме, - в ВЧ каналах.
 Нужно учесть, что сопротивления АС, включенных на выходе мостовых усилителей (рис. 4) не должны быть ниже 3,2 Оm. А сопротивления АС, включенных на выходе стереоусилителей, - не ниже 1,8 Оm.
 аВТОР ПопцоВ Г. Радиоконструктор 11-2005
 Литература:
 1. Попцов Г. Простая 20-ваттная акустическая система.
 ж.Радиоконструктор 07-2005, стр. 14.
 2.  CD-ROM «PHILIPS».

