Особенности УМЗЧ для переносной РЭА
- Подробности
- Категория: Все о УЗЧ
- Опубликовано: 20.03.2017 15:24
- Просмотров: 3726
Игорь Безверхний, г. Киев
Современные усилители мощности звуковой частоты (УМЗЧ), даже очень мощные и качественные, уже давно превратились в простые конструкции. Они состоят из микросхемы, которая, как правило, устанавливается на радиаторе, и около десятка деталей внешней обвязки. Правда, микросхем этих очень много. Каковы их особенности и отличия? На этот вопрос нельзя полноценно ответить в одной публикации. Поэтому настоящая статья посвящена только нескольким микросхемам, маломощным и малогабаритным, от фирм Analog Devices и Maxim для переносной радиоэлектронной аппаратуры (РЭА).
Одна из особенностей рассматриваемых микросхем - это малые размеры. К аппаратуре, в которой применяются подобные УМЗЧ, можно отнести: переносные компьютеры (Desktop, Portable, Palmtop), коммуникаторы, радиотелефоны, планшеты, электронные словари и органайзеры, музыкальные, говорящие игрушки и игры (в том числе карманные) и др. Этот перечень можно продолжать до бесконечности. Используют эти МС в своих конструкциях и радиолюбители. В этой статье рассмотрены четыре микросхемы УМЗЧ, разработанные и произведенные компаниями Analog Devices и Maxim.
Часть из перечисленных выше устройств питается низким напряжением 3...5 В и менее. Кроме того, в большинстве из этих устройств используются химические источники питания. Поэтому к УМЗЧ, применяемых в этих устройствах, предъявляются повышенные требования к экономичности. Для полноценного использования низковольтного источника питания в микросхемах УМЗЧ для перечисленных применений очень часто используются выходные каскады с мостовым выходом.
Основные принципы работы УМЗЧ с мостовым выходом
Такой усилитель содержит два выходных усилителя (канала), сигналы на выходах которых имеют одинаковый размах, но противоположные фазы. Громкоговоритель включается между выходами этих каналов. На рис.1 показаны две наиболее распространенные схемы управления мостового УМЗЧ: параллельная (рис.1,а) и последовательная (рис.1 ,б).

Одним из достоинств мостового УМЗЧ является отсутствие разделительного конденсатора на выходе. Еще одна особенность, которая называется «rail-to-rail» («от шины до шины»). Смысл ее в том, что при напряжении питания U, максимальный размах выходного сигнала на каждом из выходов может достигать U (от шины «земля» до шины напряжения питания), а на мостовом выходе -2U, без учета небольших падений напряжения на выходных транзисторах в режиме насыщения. Для уменьшения этих падений напряжения, в выходных каскадах микросхем УМЗЧ применяют МДП-транзисторы с очень малым сопротивлением канала при открытии таких транзисторов до насыщения.
При параллельном управлении (рис.1 ,а) один канал представляет собой инвертирующий усилитель, а другой - неинвертирующий. В мостовом УМЗЧ с последовательным (рис.1 ,б) управлением оба канала - это инвертирующие усилители. Такие усилители в англоязычной технической документации иногда называют «Master-Slave» (дословный перевод «хозяин-раб»). Этот термин на русский язык переводится как «ведущий-ведомый». В этой схеме (рис.1 ,б) сигнал на второй канал поступает с выхода первого через делитель R1R2, с помощью которого выравнивается размах инверсного сигнала на входе канала 2 с размахом сигнала на входе канала 1, а значит, обеспечива-ется равенство размахов противофазных сигналов на выходах УМЗЧ, между которыми подключен громкоговоритель.
Микросхема УМЗЧ SSM2211 фирмы Analog Devices
Микросхема SSM2211 фирмы Analog Devices -это высококачественный УМЗЧ с мостовым выходом и плавным (без щелчка) включением и выключением. Микросхема способна развивать мощность 1 Вт на нагрузке сопротивлением 8 Ом или 1,5 Вт на нагрузке в 4 Ом. Диапазон рабочих температур -20...+85°С. Эта микросхема питается от одиночного источника питания +2,7...+5,5 В, но при этом сохраняет работоспособность при снижении напряжения до 1,75 В. При выходной мощности 1 Вт коэффициент нелинейных искажений (THD) не превышает 0,2%, а полоса рабочих частот составляет 4 МГц. Микросхема изготавливается в одном из двух 8-выводных корпусов SOIC (SSM2211S) для поверхностного монтажа или PDIP (SSM2211Р). Максимальные размеры микросхемы SSM2211S 4x5x1,75 мм, a SSM2211P -7,11x10,92x4,95 мм. Функциональная схема микросхемы SSM2211 показана на рис.2, а расположение выводов - на рис.3 (масштаб здесь и ниже не соблюдается).


Назначение выводов микросхемы SSM2211 приведено в табл.1.

Таблица 1
Из рис.2 видно, что в микросхеме используется последовательное управление каналами. Микросхема SSM2211 имеет дифференциальный вход (выводы 3 и 4) и мостовой выход (выводы 5 и 8). К выводу 2 подключается внешний конденсатор, которым заземляется по переменной составляющей неинвертирующий вход второго канала. Внутренние резисторы, подключенные к этим выводам, -это делитель начального смещения неинвертирующего входа второго канала. Два других внутренних резистора - это цепь ООС, определяющая коэффициент усиления канала 2, а значит, выравнивает размах выходного сигнала на выводе 8 с размахом сигнала на выводе 5. При подаче низкого потенциала (до 1 В) на вывод 1 (SHUTDOWN), выходные каскады канала 2 плавно запираются, и потребление микросхемы значительно снижается. При высоком уровне управляющего напряжения (более 1,7 В) на этом выводе схема управления напряжением смещения на работу микросхемы не влияет. Типовая схема включения микросхемы SSM2211 показана на рис.4.

Конденсатор Сs блокирует источник питания по переменной составляющей тока микросхемы. В качестве этого конденсатора, как правило, используется конденсатор фильтра питания всего устройства. Конденсатор Сс - разделительный, а Св - блокирует неинвертирующие входы обоих каналов мостового усилителя. Благодаря внешнему соединению неинвертирующих входов (выводы 2 и 3) схема управления смещением управляет включением и выключением обоих каналов. Обратная связь через rf и ограничивающий резистор RI задают коэффициент усиления УМЗЧ по напряжению, определить который можно по формуле:
KU = 2RF/R|.

На рис.5 показано, как можно подключить два громкоговорителя к микросхеме SSM2211. В этой схеме каждый канал нагружен на свой громкоговоритель. Такое подключение громкоговорителей (один провод и шина корпус), в отличие от мостового (двухпроводного) включения, называют однопроводным и сокращенно обозначают SE (Single-Ended).
Если из схемы рис.5 изъять один громкоговоритель, например, ВА1, что вполне допустимо, то коэффициент усиления УМЗЧ по напряжению будет вдвое меньше, чем при типовом включении, и определить его можно по формуле:
КU = RF/RI.
Микросхема УМЗЧ SSM2250 фирмы Analog Devices
Микросхема SSM2250 фирмы Analog Devices представляет собой стереофонический УМЗЧ, основное применение которого - это звуковые карты и различные компьютеры, включая настольные. Главная особенность этой микросхемы - это наличие двух режимов работы: СТЕРЕО (при работе на головные телефоны) и МОНО (при работе на внутренний громкоговоритель компьютера). В режиме МОНО микросхема развивает мощность до 1,5 Вт на нагрузке в 4 Ом, в режиме СТЕРЕО до 250 мВт на головные телефоны (на нагрузке 32 Ом номинальная мощность 2x90 мВт). Сопротивление
применяемых в схеме головных телефонов лежит в пределах от 32 до 600 Ом (оптимальное сопротивление 80 Ом). Диапазон рабочих температур -40...+85°С.
Функциональная схема микросхемы SSM2250 показана на рис.6.

Внимательный читатель легко заметит, что включение двух верхних усилителей (каналов мостовой схемы) и схемы управления смещением совпадает с функциональной схемой микросхемы SSM2211 (рис.2). В микросхему добавлены схема переключения режимов МОНО/СТЕРЕО (тлф.) и еще один усилитель, который используется в качестве усилителя правого канала для головных телефонов. В режиме МОНО входы LEFT IN и RIGHT IN соединены внутренним ключом микросхемы, и ее работа не отличается от работы микросхемы SSM2211. В режиме СТЕРЕО (тлф.) этот ключ разомкнут, а усилитель с выходом BTL+ заперт, и в качестве стерео усилителя для головных телефонов используются верхний и нижний, по функциональной схеме, усилители.
Микросхема выполнена в одном из двух корпусов: MSOP, который имеет 10 выводов (SSM2250RM), или TSSOP с 14-ю выводами для поверхностного монтажа (SSM2250RU). Расположение выводов этих микросхем показано на рис.7, а назначение приведено в табл.2.

Таблица 2

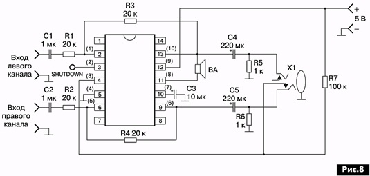
Типовое включение микросхемы SSM2250RU показано на схеме рис.8.

На этой схеме так же, как и на функциональной схеме (рис.6), в скобках указаны номера выводов микросхемы SSM2250RM.
Назначение деталей: С1, С2, C4, C5 - разделительные конденсаторы; 03 блокирует неинвертирующие входы обоих каналов мостового усилителя; R1, R2 - ограничивающие резисторы; R3, R4 -резисторы ООС; резисторы R5, R6 работают в режиме МОНО в качестве эквивалентов нагрузки при отключенных головных телефонах; R7 - подтягивающий резистор, задает высокий уровень на выводе SE/BTL.
Переключение режимов МОНО/СТЕРЕО (тлф.) осуществляется выключателем, который совмещен с гнездом подключения головных телефонов Х1. В режиме контакты этого выключателя разомкнуты и через резистор R7 на вывод SE/BTL подается высокий потенциал. При этом схема переключения режимов обеспечивает включение среднего усилителя (по функциональной схеме рис.6), и, если на выводе SHUTDOWN будет высокий потенциал, усилитель работает на громкоговоритель, как усилитель с мостовым выходом. В режиме СТЕРЕО в гнездо Х1 (рис.6) вставлен штекер головных телефонов, и телефон левого канала шунтирует малым сопротивлением вывод SHUTDOWN
на корпус, уменьшая напряжение на этом выводе. При этом средний усилитель (по функциональной схеме) запирается, а верхний и нижний будут работать на головные телефоны. Для современных УМЗЧ, которые используются в переносной РЭА, очень важным параметром является КПД (экономичность). Достичь высокого КПД (более 90%) можно при использовании в качестве УИЗЧ усилителей класса D, об этих усилителях и микросхемах фирмы Maxim для них идет речь в этой части статьи.
Основные принципы работы УМЗЧ класса D Наиболее радикальным способом повышения
экономичности УМЗЧ, является использование режима работы класса D. В журнале «Радиоаматор» неоднократно публиковались статьи по усилителям класса D, например, в статье [1].
В этом режиме выходные транзисторы могут находиться только в запертом или открытом до насыщения состоянии, т.е. они работают в ключевом режиме, В режиме работы класса D входной аналоговый сигнал звуковой частоты преобразуется в импульсы прямоугольной формы одинаковой амплитуды, длительность которых пропорциональна мгновенному значению входного сигнала в момент выборки. Такое преобразование называется широтно-импульсной модуляцией [ШИМ}. Усилители класса D имеют максимальный КПД, так как основные потери энергии на выходных мощных ключах происходят только в момент переключения, при насыщении потери энергии минимальны и будут тем меньше, чем меньше сопротивление насыщенного ключа.
Обычные усилители класса D имеют КПД около 90% и достаточно большой коэффициент нелинейных искажений (до 10%), но применение новых технологий (ноу-хау производителей) позволяет снизить коэффициент нелинейных искажений до долей процента.
Упрощенная принципиальная схема УМЗЧ класса D показана на рис.9.

Основой этого усилителя является обычный двухтактный бестрансформаторный УМЗЧ с инвертирующим входом, который используется как широт-но-импульсный модулятор (ШИМ). Назначение деталей схемы:
• C1, C2, C4 - разделительные конденсаторы; C5 - конденсатор фильтра питания;
• R1 - ограничивающий резистор;
• R2 - резистор ООС;
• L1, СЗ - фильтр нижних частот.
На инвертирующий вход усилителя кроме сигнала звука поступает пилообразный (треугольный] сигнал с генератора. Частота работы этого генератора лежит, обычно, в пределах 200,. .600 кГц, но в некоторых случаях может быть уменьшена до 100 кГц или увеличена до 1,5 МГц. Размах «пилы» от генератора и коэффициент усиления УМЗЧ выбраны так, чтобы выходные транзисторы этого каскада открывались попеременно до насыщения при переходе напряжения «пилы» через ноль. Эпюры напряжений, поясняющие работу этой схемы, показаны на рис. 10.

До момента времени t1 (рис.10) звуковой сигнал на входе отсутствует, "Пила» абсолютно симметрична, и на выходе (точка В рис.9) образуются симметричные прямоугольные импульсы - меандр. Скважность этих импульсов равна 2. При подаче на вход усилителя сигнала НЧ. «пила» будет смещаться вверх или вниз. Изменятся моменты отпирания транзисторов микросхемы, и, как следствие, будут меняться длительность выходных импульсов и пауза между ними (рис.10).
Причем эти параметры будут изменяться по закону входного низкочастотного сигнала звука. Полученный импульсный сигнал с переменной скважностью называют, как мы говорили выше, широтно-импульсным, или ШИМ-сигналом, а процесс его получения широтно-импульсной модуляцией. ШИМ-сигнал содержит большую по амплитуде НЧ (звуковую) составляющую, по форме повторяющую модулирующий сигнал. Далее ШИМ-сигнал поступает на ФНЧ (L1, С3); который пропустит НЧ-составляющую на громкоговоритель и подавит В Ч составляющие ШИМ-сигнала. За счет процесса заряда-разряда конденсатора ФНЧ переменное напряжение на громкоговорителе будет зубчатым, что можно увидеть на увеличенном фрагменте к нижнему графику рис. 10, Эта «зубчатость» уменьшается с увеличением частоты генератора ШИМ. а также при увеличении постоянной времени ФНЧ,
На выходе современных УМЗЧ класса D используются мощные ключи на МДП-транзисторах, которые отличаются быстродействием и низким сопротивлением канала в открытом состоянии, что позволяет получить высокий КПД,
Микросхема УМЗЧ класса D МАХ4295 фирмы Maxim
Микросхема МАХ4295 фирмы Maxim -это высокоэкономичный монофонический УМЗЧ класса D с мостовым выходом и плавным включением и выключением (режим малого потребления). Микросхема способна развивать мощность до 2 Вт на нагрузке сопротивлением 4 Ом при напряжении питания 5 В или 0,7 Вт при напряжении питания 3 В. Диапазон рабочих температур-40..,+85"С. Микросхема питается от одиночного источника питания +2,7...+5,5 В. При выходной мощности 2 Вт и сопротивлении нагрузки (громкоговорителя) 4 Ом КПД составляет 87%, Одна из особенностей этой микросхемы является возможность программно устанавливать частоту генератора пилообразного напряжения (125, 250, 500 или 1000 кГц), Коэффициент нелинейных искажений (THD + N) не превышает
0,4%, при нагрузке 4 Ом и частоте ШИМ 125 кГц. Полоса рабочих частот составляет 1,5 МГц. Микросхема изготавливается в корпусе QSOR который имеет 16 выводов. Функциональная схема микросхемы МАХ4295 показана на рис. 11,

а расположение выводов - на рис.12.

Назначение выводов этой микросхемы можно найти в табл.З.

Микросхема МАХ4295 содержит: предварительный усилитель (верхний слева, рис.11), схема управления питанием и схема защиты, генератор импульсного напряжения, схема сравнения (компаратор) ШИМ, два канал а усиления, каждый из которых состоит из предвыходного каскада и выходного двухтактного ключевого каскада на комплиментарных МДП-транзисторах. Кроме того, на входе одного из этих каналов установлен инвертор. Напряжение питания на выходные каскады микросхемы поступает отдельно от напряжения питания остальной схемы. Частота работы генератора импульсного напряжения, т.е. частота ШИМ, определяется логическими уровнями на выводах FS1 и FS2 (табл.4).

При подаче низкого уровня напряжения на вход плавного выключения SHDN микросхема плавно запирается, ток потребления снижается до 1,5 мкА и менее.
Типовое включение микросхемы МАХ42Э5 показано на схеме рис.13.

Рассмотрим назначение деталей этой схемы: С1 - разделительный конденсатор; С2, СЗ - конденсаторы фильтра питания; С4, С5 - конденсаторы фильтра питания выходных каскадов; С6 - конденсатор схемы плавного включения; R1 - ограничивающий резистор; R2 - резистор ООС; L1, С7 и L2, С8 - фильтры нижних частот.
Особенности
микросхемы УМЗЧ класса D
МАХ4297 фирмы Maxim
Микросхема МАХ42Э7 фирмы Maxim -это высокоэкономичным стереофонический УМЗЧ класса D с мостовым выходом и плавным включением/выключением. Эта микросхема отличается от МАХ4295 наличием второго мостового канала усиления класса D, включая компаратор ШИМ, но имеет общие каскады -генератор «пилы», схему управления питанием и схему защиты. Микросхема изготавливаться в корпусе SSOP, который имеет 24 вывода. Расположение выводов микросхемы МАХ4297 показано на рис.14,

а назначение выводов этой микросхемы приведено в табл.3.
Типовое включение микросхемы МАХ4297 показано на схеме рис.15.

Разобраться в назначении деталей этой схемы читатель может самостоятельно, сравнив эту схему со схемой включения микросхемы МАХ4295 (рис.13).
Дополнительную информацию о представленных в настоящей статье микросхемах можно найти на сайтах производителей [1 и 2],
Ссылки
1. Безверхний И. Б. Популярные микросхемы для современных УМЗЧ класса D от Texas
Instruments // Радиоаматор. - 2010. - №12. -С.16-19.
2. http://www.analog.conn- сайт компании Analog Devices.
3. http://www.maxim-ic.cotn - сайт компании Maxim.
РА №5-6/ 2015

