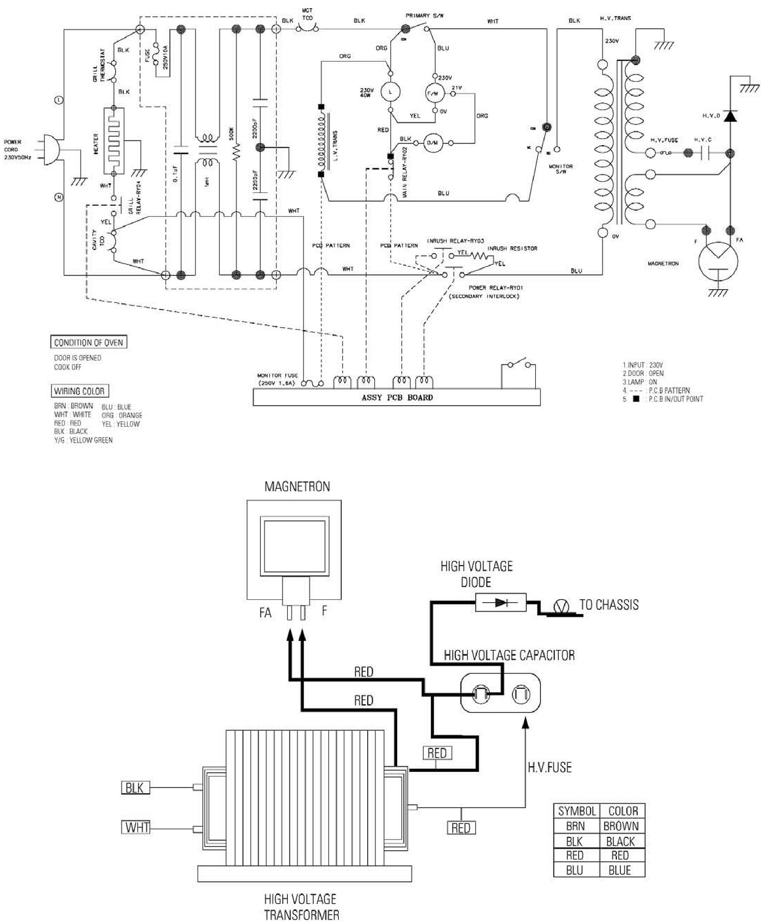
Принципиальная схема микроволновой печи Samsung CE2733R Рейтинг: 5 / 5Пожалуйста, оцените Оценка 1 Оценка 2 Оценка 3 Оценка 4 Оценка 5 Подробности Категория: Схемы бытовой техники Опубликовано: 04.06.2017 10:56 Просмотров: 10196 Понравилась статья - поделись с друзьями 0 Оставлять комментарии могут только зарегистрированные пользователи