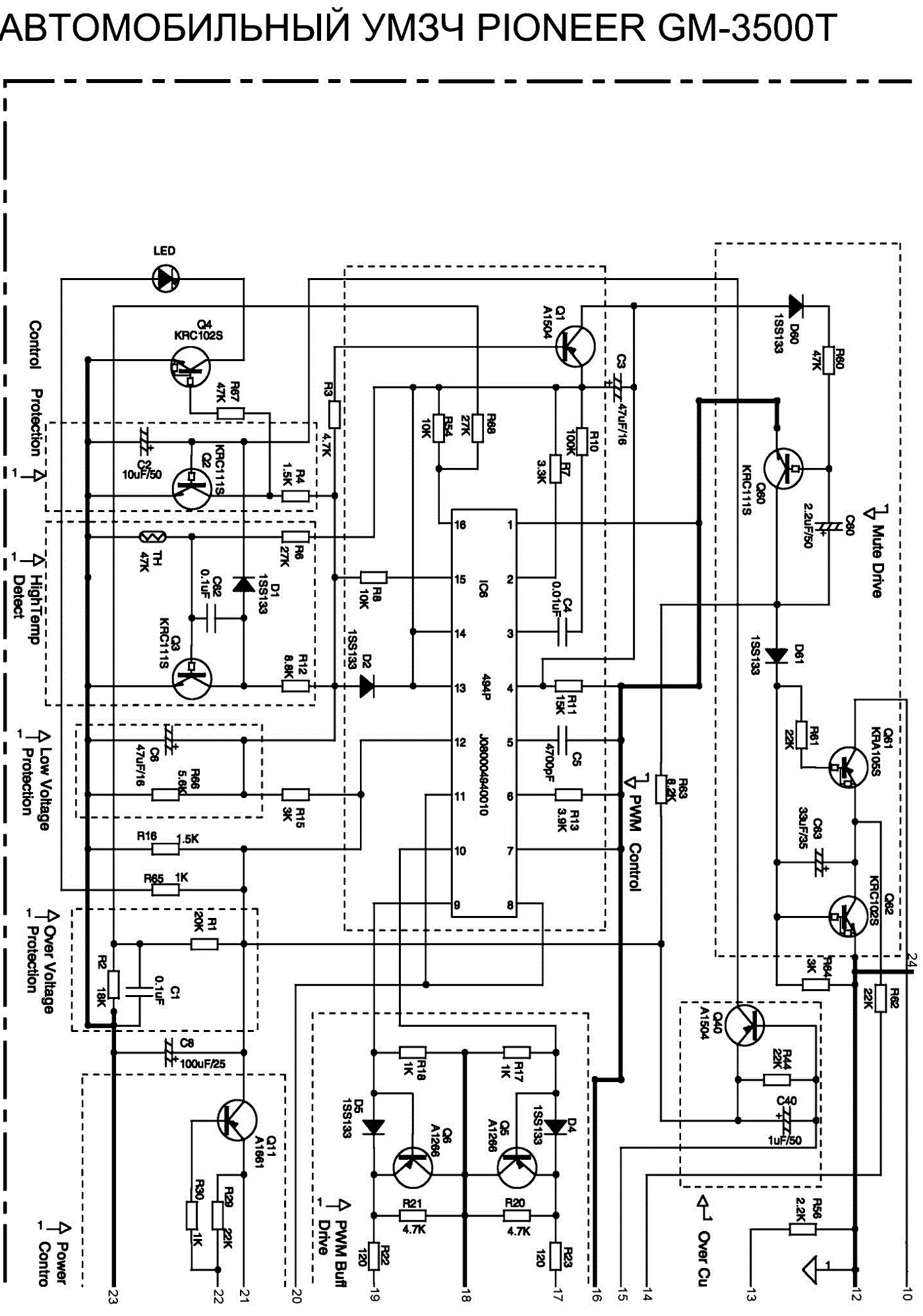
Автомобильный УМЗЧ PIONEER GM-3500T Рейтинг: 0 / 5Пожалуйста, оцените Оценка 1 Оценка 2 Оценка 3 Оценка 4 Оценка 5 Подробности Категория: Схемы бытовой техники Опубликовано: 20.04.2018 10:10 Просмотров: 3254 Понравилась статья - поделись с друзьями 0 (принципиальная схема) Оставлять комментарии могут только зарегистрированные пользователи