Дополнительный выключатель вентилятора для «дэу нексия»
- Подробности
 - Категория: Прочие схемы
 - Опубликовано: 15.02.2018 09:47
 - Просмотров: 1859
 
Ливийский В.
 Эксплуатируя автомобиль «Дэу Нексия» 2010 года выпуска с 8-клапанным двигателем 1,5 л, я столкнулся с такой проблемой: двигатель перегревается, охлаждающая жидкость закипает, и только после этого включается вентилятор радиатора. Проблема оказалась в том, что, несмотря на то, что термостат, как и положено, срабатывает при 80°С, вентилятор радиатора включается по сигналу ЭБУ только при достижении температуры 115-120 С. Температуру определял по смартфону с программой «Сканмастер», подключенному к диагностическому разъему автомобиля через ELM327 адаптер.
 В принципе, по всей видимости ошибается ЭБУ или же это какая-то очень «северная» прошивка. По всей видимости нужно сделать перепрошивку. Но, перепрошивка «Нексии» стоит дорого, и к тому же, других претензий у меня к ЭБУ нет, по этому «ковырять» прошивку особо не хотелось.
 В общем, было решено сделать терморегулятор, который будет определять температуру по индикаторному датчику (там их два, один на индикатор температуры, другой на ЭБУ), и при достижении 80°С, то есть, когда открывается термостат и начинается циркуляция через радиатор, включать вентилятор радиатора.

 Типовая схема терморегулятора, как известно, предполагает использование компаратора или операционного усилителя. Но, увы, порывшись в своих «закромах» я ни того, ни другого не обнаружил. Только несколько микросхем К561ЛН2.
 Схема индикатора температуры автомобиля «Нексия» показана на рисунке 1. Термистор R - это датчик индикатора температуры. Подключив к нему мульти-метр (не нарушая схемы), я обнаружил, что при холодном двигателе напряжение на R находится около 12V. С прогревом это напряжение снижается, и при нужных 80°С составляет 5,89V, то есть, практически 6V. Нужно, имея в наличии К561ЛН2 сделать схему, которая при напряжении на входе ниже 6V будет включать вентилятор, а при напряжении более 6V его выключать.
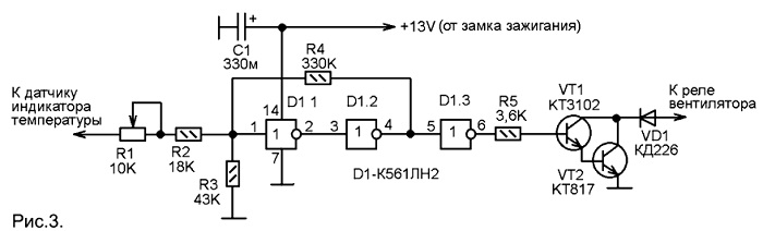
 Изучив работу триггера Шмитта на элементах микросхемы К561ЛН2 при напряжении питания 13V (рис.2), я обнаружил, что при снижении напряжения порог переключения составляет около 4,2V. Но надо чтобы 6V. Решено было просто понизить входное напряжение резистивным делителем. А заодно и сделать так, чтобы можно было регулировать температурный порог включения вентилятора. Получилась схема, показанная на рис.3.
 По питанию схема подключается к выходу замка зажигания, так что бы питание поступало только во время включенного зажигания. Вход подключается к датчику индикатора температуры через делитель на резисторах R1-R2-R3. Делитель, как уже сказано выше, нужен чтобы подогнать напряжение на датчике к значению 4,2V порога переключения триггера Шмитта на элементах D1.1 и D1.2. Переменный резистор R1 введен в схему для того, чтобы можно было регулировать температурный порог включения вентилятора, например, зимой его сделать повыше, а летом - пониже.
 Ключ на транзисторах VT1 и VT2 через диод VD1 подключается к обмотке реле включения вентилятора. Когда ключ открыт, через него ток поступает на обмотку реле, и реле включает вентилятор. Диод VD1 нужен для защиты транзисторов ключа от повреждения обратным выбросом ЭДС самоиндукции обмотки реле.
 При включении холодного двигателя напряжение на датчике около 12V. То есть, существенно выше заданного порога. При этом, на выходе триггера Шмитта D1.1-D1.2 - логическая единица. Она поступает на инвертор на D1.3, и на его выходе уже ноль. Ключ на транзисторах VT1 и VT2 закрыт. Вентилятор не работает.
 В процессе прогрева напряжение на датчике падает. В определенный момент оно достигает заданного порогового значения. При этом, на выходе триггера Шмитта D1.1-D1.2 устанавливается логический ноль, а на выходе элемента D1.3 -логическая единица. Ключ VT1-VT2 открывается и вентилятор включается.
 С началом работы вентилятора температура несколько повышается (не знаю почему, но это факт), а потом начинает снижаться. Напряжение на датчике при этом растет. Достигнув порога переключения, на выходе триггера Шмитта D1.1-D1.2 устанавливается логическая единица. На выходе элемента D1.3 - ноль. Ключ VT1-VT2 закрывается и вентилятор выключается.
 Налаживать схему удобнее всего с использованием смартфона с программой «Сканмастер», подключенного к диагностическому разъему автомобиля через ELM327 адаптер. ELM327 адаптер можно купить «за дорого» в магазине автозапчастей или «за дешево» на широко известном китайском сайте посылочной торговли. В комплекте идет диск с программами (на английском языке), но я установил бесплатное приложение ScanMasterLite на русском языке из Google Play Market. Впрочем, рекламой не занимаюсь, есть много и других аналогичных приложений для Android, просто сообщаю, чем пользовался и где это можно взять.
 Резистор R1 установить в положение минимального сопротивления. Включить двигатель.
 На смартфоне запустить программу Скан Мастер, и нужно выбрать «Поток данных», а потом «Температура охлаждающей жидкости». При этом будет показывать температуру охлаждающей жидкости в градусах по Цельсию.
 Следить за температурой, и как только она достигнет значения, при котором нужно чтобы включился вентилятор (у меня это 80°С), начать медленно и осторожно поворачивать R1 до тех пока на включится вентилятор.
 На этом налаживание закончено.
 Питание микросхемы D1 не стабилизировано умышленно. Важно, чтобы питание D1 менялось так же, как и напряжение бортовой сети автомобиля, то есть, так же как и питание датчика индикатора температуры. Только в этом случае схема работает стабильно.
 РК 10-2016
 

