Радиостанция «Нива-М» с переделками для работы на диапазоне 160 м
- Подробности
- Категория: Модернизация и ремонт
- Опубликовано: 18.06.2017 14:28
- Просмотров: 11417
«Нива-М» была разработана в СССР и выпускалась Омским приборостроительным заводом им. Н.Г. Козицкого в конце 70-х годов прошлого века как стационарная радиостанция (182м) для сельхозпредприятий. После того, как эти радиостанции отработали свой амортизационный срок, часть из них досталась радиолюбителям, которые нередко переделывают их и используют для работы в диапазоне 160м.
«Нива-М» - это стационарная одноканальная, однополосная, транзисторная KB радиостанция. Она состоит из узлов: приемопередатчика и блока питания (БП). Приемопередатчик радиостанции выполнен в виде настольного телефонного аппарата-коммутатора.
|
Основные Технические Характеристики |
||
|
Диапазон частот |
1,6...2,85 МГц |
|
|
Число фиксированных частот |
1 |
|
|
Значение фиксированной несущей частоты |
1850 кГц |
|
|
Выходная мощность передатчика |
0,5 Вт |
|
|
Приемник |
чувствительность |
не хуже 7 мкВ |
|
|
выходная мощность номинальная |
не менее 200 мВт |
|
Потребляемая мощность |
прием: 0,65 Вт; передача: 3,5 Вт |
|
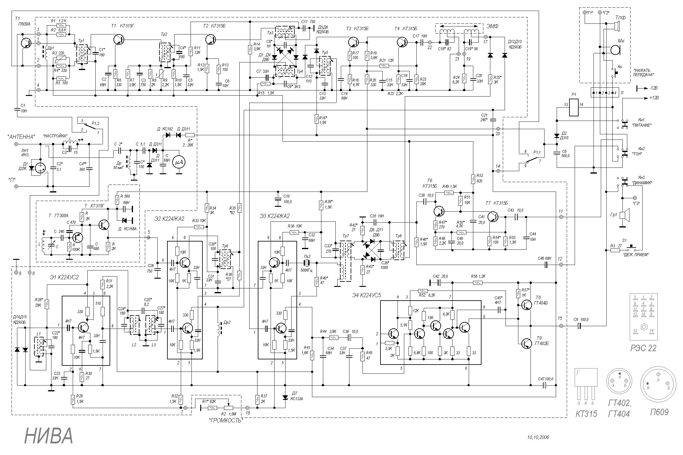
Основные технические характеристики радиостанции «Нива-М» приведены в табл.1, принципиальная схема приемопередатчика этой радиостанции с одним из вариантов переделки для работы на любительском диапазоне 160 м (от Михалыча UR5GFR с сайта детских и молодежных радиостанций [1]) показана на Рисунке

Основное отличие этой схемы от оригинальной рассмотрено ниже.
Напряжение питания +12 В поступает на приемопередатчик через контакты кнопки Кн1 «ПИТАНИЕ».
Схема и работа приемопередатчика в режиме «Передача»
В режиме «Передача» должна быть нажата кнопка Кн на трубке (см. схему на Рисунке). При этом сработает реле Р1, через контакты которого напряжение питания подается на каскады передатчика. Сигнал звука (3Ч) с микрофона МК усиливается по напряжению микрофонным усилителем на транзисторах Т7, Т6. Связь между транзисторами непосредственная. Для стабилизации режима транзисторы охвачены ООС по постоянному току через резистор R50.
Для настройки передатчика по максимуму сигнала в антенне по индикатору радиостанции (неоновая лампа или в модернизированной схеме микроамперметр) необходимо нажать кнопку «ТОН». При этом микрофонный усилитель превращается в тональный генератор 1000 Гц за счет ПОС через цепь R46C46. Затем усиленный сигнал 3Ч поступает на первый кольцевой модулятор (КМ1), который собран на диодах Д8-Д11. На другой вход КМ 1 (через Тр7) подается сигнал 500 кГц от опорного кварцованного генератора, который собран на верхнем по схеме транзисторе микросхемы ЭЗ К224ЖА2. Промодулированный сигнал 500 кГц поступает на электромеханический фильтр (ЭМФ) через резистор R25 и открытый при передаче коммутирующий диод Д12. ЭМФ подавляет верхнюю боковую полосу модулированного сигнала и частоту 500 кГц. Нижняя боковая полоса усиливается в УПЧ, который собран на транзисторах Т4 и ТЗ. Этот УПЧ используется также и в режиме «Прием». ТЗ через открытый при передаче коммутирующий диод Д5 нагружен на входной трансформатор Тр4 второго кольцевого модулятора (КМ2). Коммутирующий диод Д6 в этом режиме закрыт. КМ2 собран на диодах Д1-Д4. На второй вход КМ2 (среднюю точку первичной обмотки Тр4 относительно корпуса) поступает сигнал несущей частоты от второго, так называемого, диапазонного генератора.
В радиостанции «Нива-М» заводского изготовления (без переделки) этот генератор (рис.1) собран на верхнем (по схеме) транзисторе микросхемы Э2 типа К224ЖА2, аналогично опорному кварцованному генератору, о котором шла речь выше. При модернизации «Нивы-М» каскад на этом транзисторе микросхемы Э2 К224ЖА2 использован как усилитель, а диапазонный генератор собран на транзисторе ГТ308А по схеме автогенератора с емкостной обратной связью («емкостная трехточка»). Сигнал этого генератора поступает на усилитель микросхемы Э2 через ЭП (эмиттерный повторитель) на транзисторе КТ315А. Оба каскада генератор и ЭП собраны на отдельной дополнительной плате (см. схему на вкладке).
С выхода КМ2 верхняя боковая полоса сигнала несущей частоты поступает на трехкаскадный УВЧ, собранный на транзисторах Т2, Т1 КТ315Г и Т1 П609А, который установлен вне платы блока. В некоторых схемах он обозначается просто буквой Т без номера. На этом транзисторе собран усилитель мощности с параллельным питанием. К коллектору Т1 (Т) подключена нагрузка: П-образный антенный контур, в состав которого входит вариометр L, и антенна. Для индикации уровня сигнала в антенне в режиме «Передача» используется неоновая лампа ЛН1, а в модернизированной радиостанции дополнительно еще и стрелочный индикатор с детектором, который собран по схеме удвоения на диодах Д311.
Схема и работа приемопередатчика в режиме «Прием»
В этом режиме сигнал, принятый антенной, выделяется П-образным антенным контуром (см. выше) и дополнительно контуром входной цепи L1C22. Этот контур согласован автотрансформаторно с антенной и УВЧ приемника. УВЧ приемника резонансный с ОЭ. Он собран на микросхеме Э1
К224УС2. Похоже, на схеме есть опечатка, так как коллекторной нагрузкой УВЧ является двухконтурный полосовой фильтр L2C24, L3C27 с емкостной связью через С25. Этот фильтр согласован с УВЧ и смесителем автотрансформаторно. Изменением постоянного напряжения на выводе 2 Э1 К224УС2 потенциометром R2 (вне платы) регулируется коэффициент усиления УВЧ, а значит, и громкость приема.
Смеситель приемника выполнен на нижнем транзисторе МС Э2 К224ЖА2. Его нагрузкой является контур Др2С21. В качестве генератора (гетеродина) используется тот же генератор, который используется в передающей части. Напомню, что в модернизированной радиостанции он расположен на дополнительной плате. Со смесителя сигнал ПЧ подается на ЭФМ через открытый при приеме коммутирующий диод Д13. Двухкаскадный УПЧ (Т4, ТЗ) тот же, что и в режиме «Передача». ТЗ через разделительный диод Д6 (Д5 заперт) нагружен контур С12, Тр6. Однополосный детектор с генератором поднесущей 500 кГц собран на МС ЭЗ К224ЖА2. Генератор тот же, что и при работе в режиме «Передача». Нагрузка смесителя - резистор R41.
Предварительный УНЧ собран на микросхеме Э4 К224УС5, а комплиментарный усилитель мощности класса В - на транзисторах Т8 ГТ404Б и Т9 ГТ402Б.
Блок питания (БП)
Главная функция БП - получение постоянного напряжения питания радиостанции 12,6В при токе потребления не более 0,3 А из переменного напряжения сети 127/220 В. Принципиальная схема сетевого БП показана на рис.2.
В состав БП входят: понижающий трансформатор Тр1, выпрямительный мост на диодах Д2-Д5 и компенсационный стабилизатор постоянного напряжения на транзисторах Т1-ТЗ. В блоке питания имеется измерительный прибор ИП, который служит для измерения напряжения сети, напряжения питания радиостанции и т.д.
Отрицательное напряжение с выпрямительного моста (Д2-Д5) сглаживается конденсатором С и подается на обмотку реле Р и стабилизатор. Регулирующий элемент стабилизатора - это составной транзистор на Т1, Т2, которым управляет схема сравнения (компаратор) на Т3. Для этого каскад на Т3 сравнивает опорное напряжение на эмиттере ТЗ, которое создается с помощью стабилитрона Д6, с частью выходного напряжения БП с делителя R13R14.
Делитель напряжения на резисторах R1, R2, диод Д1, резистор R3 и конденсатор С1 служат для измерения напряжения сети стрелочным прибором ИП. Резисторы R5, R6 ограничивающие (добавочные) при измерении выходного напряжения. Резистор R8 - шунт микроамперметра при измерении тока на пределе 50 мА, а резистор R9 - шунт при измерении тока на пределе 300 мА.
Реле Р обеспечивает переключение нагрузки БП к внешнему источнику постоянного напряжения (аккумулятору) при отключении напряжения сети.
В заключение следует заметить, что схема радиостанции «Карат-М» мало чем отличается от схемы приемопередатчика радиостанции «Нива-М», рассмотренной в этой статье. Приемопередатчики этих радиостанций собраны на одинаковых печатных платах. Есть некоторые отличия в цепях коммутации. Кроме того, «Карат-М» не имеет штатного сетевого БП.
Схемы радиостанций Карат-М, Карат 2 и Нива-М с уже внесенными переделками для диапазона 160 м от Михалыча, UR5GFR скачать
Ссылки
1. http://ur6gwz.at.ua/load/4-1-0-11-UR6GWZ. Сайт детских и молодежных радиостанций.
РА 5'2012


