Коротковолновый усилитель мощности
- Подробности
- Категория: Усилители мощности КВ
- Опубликовано: 15.03.2017 18:27
- Просмотров: 10707
А. Каракоця UR5CX, г. Черкассы PA 11 '2005
Применение автоматической регулировки тока покоя лампы по огибающей однополосного сигнала позволяет значительно снизить его и приблизить режим работы усилителя к идеальному. Вторым, не менее важным, узлом в усилителе является стабилизатор напряжения экранной сетки, которому в любительском конструировании уделяется недостаточно внимания. Жесткий контроль цепей экранной сетки и происходящих в них процессов позволяет определить, что требует лампа для правильной работы.
По поведению тока экранной сетки можно судить о том, как настроен П-контур, найти оптимальное согласование усилителя с нагрузкой и тем самым избавиться от многих проблем при эксплуатации усилителя. Ток сетки уменьшается при сильной связи с нагрузкой (при недостаточной емкости конденсатора С2) и соответственно увеличивается при слабой связи, когда емкость конденсатора С2 слишком велика. Для лампы ГУ-74Б при оптимальной связи с нагрузкой ток экранной сетки составляет около 30 мА. В этом случае выходная мощность максимальна.
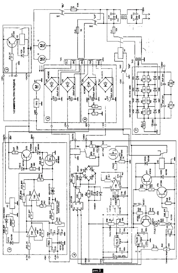
На рис.1 и рис.2 показаны соответственно принципиальные схемы описываемого усилителя мощности на тетроде ГУ-74Б и блока питания к нему. Рассмотрим подробнее процессы, происходящие в цепи экранной сетки тетрода, и прежде всего динатронный эффект. При работе лампы некоторое количество электронов, летящих от катода к аноду, перехватывается экранной сеткой и поступает в цепь ее питания, образуя положительный ток. Часть этих электронов выбивает из поверхности сетки так называемые вторичные электроны, образующие отрицательный ток сетки, который, попадая во внешнюю цепь, увеличивает ее напряжение. Увеличившееся напряжение сетки приводит к еще большей эмиссии вторичных электронов и увеличению напряжения экранной сетки. Этот разрушительный процесс развивается столь стремительно, что наш мозг не успеет сообразить, что происходит, а рука дотянуться до нужного выключателя. Поэтому лучшим решением данной проблемы является применение быстродействующей электронной защиты, реагирующей на ток экранной сетки и его поведение в процессе работы усилителя.
Цепь питания экранной сетки содержит резистор утечки R7, варистор R8, дроссель L3 и предохранитель FU1 (рис.1). В первый момент при возникновении динатронного эффекта резистор R7 "пытается спасти ситуацию" и снизить увеличивающееся напряжение в цепи сетки. Иногда он справляется с этим, но крайне редко. Когда напряжение на экранной сетке достигает величины 320 В, вступает в работу варистор R8: он открывается, соединяя цепь сетки с корпусом. При этом перегорает предохранитель FU1. С целью уменьшения вероятности возникновения динатронного эффекта применена коммутация напряжения экранной сетки, осуществляемая с помощью вакуумного реле К11. Реле подает напряжение на сетку в режиме передачи и замыкает цепь сетки на корпус в режиме приема.
В последнее время получило распространение крайне ошибочное мнение о возможности применения в цепи сетки последовательно включенного диода или цепочки диодов, которые якобы препятствуют проникновению увеличивающегося при динатрон-ном эффекте напряжения в стабилизатор, полностью решая все возникающие в этом случае проблемы. Однако такое решение не учитывает того факта, что при слабой связи с нагрузкой ток сетки может стать отрицательным. Кроме того, при работе однополосным сигналом ток экранной сетки постоянно меняется, переходя из отрицательного в положительный и наоборот, хотя при настройке (при подаче тонального сигнала) ток сетки был установлен равным +30 мА.
В результате в отрицательный полупериод ток "обрезается" диодами и ситуация выходит из-под контроля. Вывод из этого следует лишь один: применение диодов в цепи экранной сетки совсем не полезно, а даже опасно, поскольку они создают предпосылки для аварийных ситуаций. Решает данную проблему использование в цепи сетки диодного моста, который не препятствует прохождению прямого и обратного токов, а позволяет их контролировать и отключать "опасные" напряжения в аварийных ситуациях.
Для этого в усилителе применена быстродействующая электронная защита (рис.2) на оптопаре АОТ128, тиристоре КУ101 и трех транзисторах: КТ203, КТ209 и КТ816. Она контролирует ток экранной сетки и при превышении установленного порога отключает анодное напряжение +2200 В и напряжение коммутации +24VTX. При этом светится светодиод "FAULT" на передней панели усилителя. После устранения причины срабатывания схемы аварийного отключения для возвращения защиты в исходное состояние достаточно нажать кнопку "RESET". Мостовой выпрямитель BR позволяет схеме реагировать как на положительный, так и на отрицательный ток сетки. Оптопара передает сигнал, соответствующий величине тока сетки, в схему управления на тиристоре VS1, который через транзисторы VT6 и VT7 включает реле К5. Реле коммутирует напряжение +24 В, которым с помощью реле К1 включается и выключается высокое напряжение +2200 В.
Теперь рассмотрим процесс стабилизации напряжения экранной сетки и сам стабилизатор. Агитировать за стабилизацию напряжения сетки, думаю, неуместно, но все же минимальные требования изложу. Самое главное, к чему приводит нестабилизированное или плохо стабилизированное напряжение сетки, - это значительное повышение коэффициента интермодуляции. Как в приемниках применяют все возможные меры для расширения динамического диапазона, так и в передатчиках нужно предъявлять самые жесткие требования к сужению полосы излучаемых частот. Частично решить эту задачу можно путем установки в усилитель хорошего стабилизатора экранного напряжения. Кроме того, стабилизатор защитит весь усилитель мощности в аварийной ситуации, так как это сразу же отразится на токе экранной сетки.
Современная элементная база позволяет построить достаточно эффективный стабилизатор напряжения. В данной конструкции применены операционный усилитель UA748 и мощный полевой транзистор IRF840 (спасибо G3SEK). Выходное напряжение стабилизатора определяется опорным напряжением 12 В с выхода 78L12, которое сравнивается с частью выходного напряжения, подаваемого с резистора R38. Управляющее напряжение величиной около 4 В через делитель подается на затвор транзистора VT2, который непосредственно управляет величиной выходного напряжения стабилизатора. При увеличении выходного напряжения стабилизатора транзистор открывается и уменьшает напряжение, при снижении, наоборот, транзистор закрывается и выходное напряжение увеличивается. Измерение тока экранной сетки происходит на резисторе R40, к которому подключается измерительный прибор. Входное напряжение стабилизатора должно быть выше выходного на 40...50 В, т.е. необходимо дать некоторый запас на стабилизацию.
Система защиты и стабилизатор напряжения экранной сетки смонтированы на печатной плате размерами 140x90 мм. Транзистор IRF840 установлен на радиаторе. Остальные узлы блока питания (рис.2) также размещены на печатных платах такого же размера и расположены друг над другом в отсеке блока (рис.3). Это касается стабилизатора напряжения управляющей сетки



(плата 3), источников питания +38 В, +24 В (плата 5), -80 В, +340 В (плата 6).
В источнике питания используются два тороидальных трансформатора (рис.3): TV2 мощностью 1200 Вт и с напряжением на вторичной обмотке ~ 1800 В и ТVЗ мощностью 200 Вт и с переменными напряжениями на вторичных обмотках 235, 70, 20, 29 и 13 В. Трансформатор TV 1 работает в сетевом фильтре, который препятствует проникновению ВЧ напряжений в сеть 220 В. Трансформатор TV2 включается в сеть с помощью реле К1, которое также отключает его от сети в случае аварии.
На транзисторе VT1 собран формирователь напряжения +24VTX. При замыкании контактов 1 и 2 срабатывает реле К2, и напряжение +24 В подается на все реле, которые обеспечивают режим передачи. Ток в цепи замыкания контактов не более 10 мА, что позволяет коммутировать усилитель любым трансивером.
Охлаждение лампы обеспечивают два вентилятора, один из которых нагнетает воздух в отсек входных цепей, а другой - вытягивает с анода. Распространенное мнение о том, что достаточно одного вытяжного вентилятора, является ошибочным и вводит в заблуждение многих радиолюбителей. В этом случае охлаждается только анод лампы и происходит сильный перегрев ножки, в результате чего провисают сетки, и лампа очень быстро приходит в негодность. Второй вентилятор лучше всего располагать над анодом горизонтально. В этом случае он обеспечит наилучшее охлаждение лампы при его минимальной мощности. Вентилятор можно расположить сбоку анода, но в этом случае его мощность необходимо увеличить примерно в два раза. Конструкция лампового отсека показана на рис.4.
Под субшасси размещены все элементы, обеспечивающие работу экранной сетки, управляющей сетки и катода. Необходимые для лампы напряжения подаются через проходные конденсаторы (на схеме не показаны). Таким образом, все элементы защищены электрическим экраном от анодных цепей, что обеспечивает необходимую развязку.
Конденсаторы С26-С34 (рис.1конструктивные, они вмонтированы в панель лампы ГУ-74Б. Однако встречаются панели, где такие конденсаторы отсутствуют. Поэтому перед установкой панели необходимо убедиться в наличии этих конденсаторов и в случае отсутствия установить их равномерно по кольцу экранной сетки. Общая емкость конденсаторов должна быть не менее 20000 пФ.
Резисторы R10, R11 в цепи управляющей сетки антипаразитные, они должны быть обязательно безындукционными, т.е. непроволочными. R3-R6 - токоограничивающие резисторы, также безындукционные и расположены по кругу в соответствии с количеством выводов катода лампы. На них же с помощью измерительного прибора РА1 осуществляется измерение анодного тока лампы.
Входная цепь управляющей сетки включает в себя трансформатор TV1, катушки индуктивности L4 и L5, конденсаторы С36 и С37, а также нагрузочный безындукционный резистор R12 сопротивлением 50 Ом и мощностью 20...25 Вт. Применение такой упрощенной, по сравнению с полосовыми входными контурами, схемы вполне оправданно, так как в этом случае снижаются жесткие требования к входной мощности усилителя. В этом варианте она составляет 15... 18 Вт. В случае применения входных полосовых контуров входная мощность снижается до 4...5 Вт и устанавливать ее необходимо очень точно, ориентируясь по появлению тока управляющей сетки. В противном случае неизбежны интермодуляционные искажения, расширение полосы излучаемого сигнала и другие неприятности. Кроме того, установка такой мощности в большинстве трансиверов невозможна. Трансформатор TV 1 выполнен на двух склеенных между собой ферритовых кольцах К20х10x5 М2000НМ бифилярной линией (две скрутки на 1 см длины) проводом МГТФ-0,12 и содержит 4 витка с отводом посредине. Катушки L4 и L5 бескаркасные, они содержат по 8 витков посеребренного провода диаметром 1 мм на оправке диаметром 8 мм и расположены взаимно перпендикулярно.
Цепи коммутации выполнены на вакуумных реле типа П1Д и вакуумных замыкателях В1 В. Применение таких реле обусловлено, прежде всего, их высокой надежностью и быстродействием. Замыкатели К1-К5 осуществляют переключение диапазонов. WARC- диапазоны совмещены с обычными с целью уменьшения габаритов усилителя


. При аккуратной и тщательной настройке П-кон-тура удалось получить практически такую же мощность в нагрузке, как и при разделенных диапазонах.
Выходная мощность измеряется вольтметром PW1 посредством измерения напряжения на вторичной обмотке трансформатора TV3, первичной обмоткой которого является антенный провод, продетый сквозь ферритовое кольцо, на котором намотана вторичная обмотка. Она содержит 10 витков провода ПЭЛШО-0,3. Подбором резистора R2 осуществляется калибровка шкалы измерительного прибора.
Узел, собранный на плате 1 (рис.1), обеспечивает работу системы ALC, подачу напряжения смещения на лампу, а также управление стабилизатором напряжения управляющей сетки. Плата расположена в подвале лампового отсека. Трансформатор TV2 выполнен в виде "бинокля" на ферритовых кольцах К 10x5x4 М2000НМ по пять колец в столбике (рис.5). Первая обмотка имеет 4 витка провода МГТФ-0,07, через нее подается напряжение смещения управляющей сетки. Вторая обмотка состоит из одного витка такого же провода, на нее подается напряжение ALC с трансивера. Третья обмотка представляет собой один виток медной трубки, через нее подается напряжение смещения на операционный усилитель, а также переменное напряжение, пропорциональное высокочастотному входному сигналу, которое в дальнейшем управляет всем стабилизатором напряжения смещения управляющей сетки.
Сам стабилизатор расположен на печатной плате 3, которая установлена в отсеке блока питания. При налаживании необходимо подбором резистора R27 установить ток через стабилитрон VD12, равным 30 мА. При вращении движка резиаора R21 напряжение на коллекторе VT3 должно изменяться в пределах-70...-30 В. Измерения проводят в режиме передачи, т.е. когда на обмотку реле КЗ подано напряжение +24VTX. В дальнейшем переменным резистором R21 устанавливают начальный ток лампы 40...50 мА. Резистором R19 регулируют скорость изменения напряжения смещения. Обычно его устанавливают в среднее положение.
Конструктивно усилитель размещен в прямоугольном корпусе с габаритными размерами 360x170x380 мм. Корпус разделен пополам экранирующей перегородкой (рис.3). В правой части расположены источники питания, в левой - усилитель.
Настройку усилителя проводят после полной проверки всех источников питания и цепей коммутации. Прежде всего следует настроить входные цепи усилителя. Для этого необходим транси-вер и КСВ-метр, который включается между выходом трансивера и входом усилителя. Изменением индуктивности катушек L4 и L5 и емкостей конденсаторов С36 и С37 добиваются КСВ на всех диапазонах не более 1,5. Этот процесс лучше проводить при пониженной до 5... 10 Вт выходной мощности трансивера. После этого можно приступать к проведению настройки главного узла усилителя - П-контура. Если Вы собираетесь сделать это с помощью лампочки накаливания, то лучше бы Вы и не собирали этот усилитель: бросьте все в мусор и спокойно работайте на трансивере.
Для правильной настройки П-контура необходим трансивер с регулируемой выходной мощностью, высокочастотный вольтметр и эквивалент нагрузки. Эквивалент нагрузки представляет собой набор безындукционных резисторов, соединенных последовательно-параллельно таким образом, чтобы общее сопротивление равнялось 50 Ом. Лампочка накаливания не может заменить эквивалент нагрузки по той простой причине, что ее сопротивление сильно меняется при изменении степени накала нити. Она может служить лишь плохим индикатором наличия или отсутствия высокочастотного напряжения на выходе усилителя.
Катушка L1 П-контура содержит 9 витков посеребренной медной трубки диаметром 6 мм, диаметр намотки 40 мм, отводы от 3-го и 5-го витков. Катушка L2 содержит 20 витков посеребренной шины 3x1 мм на каркасе диаметром 50 мм, отводы от 4-го, 6-го и 11 -го витков. Ориентировочные значения индуктивностей и емкостей П-контура приведены в таблице.

Ко входу усилителя подключают выход трансивера, а к выходу усилителя - эквивалент на-грузки и высокочастотный вольтметр. Для более корректной настройки П-контура необходимо также контролировать токи управляющей и экранной сеток. Наличие тока управляющей сетки свидетельствует о превышении входной мощности, а ток экранной сетки величиной 30 мА - о правильно выбранной связи с нагрузкой. Если ток экранной сет-ки меньше 30 мА или даже "заходит" в отрицательную область -это свидетельствует о том, что емкость конденсатора С2 недостаточна. Если ток больше 30 мА, значит, емкость С2 велика. Вращая движки конденсаторов С1 и С2 добиваются максимальных показаний высокочастотного вольтметра, при необходимости изменяя количество витков катушки. Так как П-контур состоит из двух катушек, начинать настройку удобно с диапазона 20 м. Мощность на выходе усилителя вычисляют, разделив квадрат выходного напряжения на сопротивление нагрузки. Номинальная выходная мощность лампы ГУ-74Б равна 550 Вт при отсутствии тока управляющей сетки. Такая мощность обеспечивается на всех диапазонах в случае правильной настройки П-контура.
Литература
1. Сокол ГГ. Усилитель мощности с автоматической регулировкой тока покоя лампы по огибающей SSB-cигнала//www.cqhаm.ru.
2. Ian White. PS boards and kit for Tetrode PA control and protec-tion//www. ifwtech.co.uk/g3sek.


