Антенный УКВ-усилитель
- Подробности
 - Категория: Все для антенн
 - Опубликовано: 15.03.2017 14:10
 - Просмотров: 14366
 
Игорь Гончаренко (DL2KQ), г. Бонн, Германия
 При работе на УКВ малошумящий усилитель (МШУ, в иностранной литературе LNA — от английского low noise amplifier), расположенный непосредственно у антенны, необходим практически всегда. На сотнях мегагерц затухание вполне ощутимо даже в очень хороших коаксиальных кабелях (не говоря уже об обычных). И неразумно ослаблять потерями в кабеле и без того слабые сигналы, принятые антенной, — коэффициент шума приёмника возрастает на величину этих потерь. Скомпенсировать их последующим усилением на приёме тоже невозможно: пропорционально будет расти и шум.
 Разных антенных МШУ существует немало, но для самостоятельного изготовления предпочтительны усилители, которые:
 —  имеют простую схему и  малое число элементов;
 — собраны на простой в изготовлении печатной плате;
 —  не требуют налаживания;
 —  имеют   большой   динамический диапазон по интермодуляции;
 — допускают сравнительно большую входную мощность.
 Некоторые из этих условий требуют пояснения. Большой динамический диапазон необходим, поскольку МШУ при перегрузке мешающими сигналами (например, ТВ- и УКВ-вещания, служебных передатчиков и т. п.) порождают помехи на других частотах, причём нередко такие помехи попадают именно на принимаемый сигнал.
 Повышенная допустимая входная мощность нужна в случае использования МШУ на радиостанции. В режиме передачи на антенне будет присутствовать мощность в десятки, а то и сотни ватт. Понятно, что на передаче МШУ отключён, но ведь речь идёт об УКВ! И даже малая конструктивная ёмкость хороших реле на УКВ существенно снижает развязку приёмного и передающего трактов.
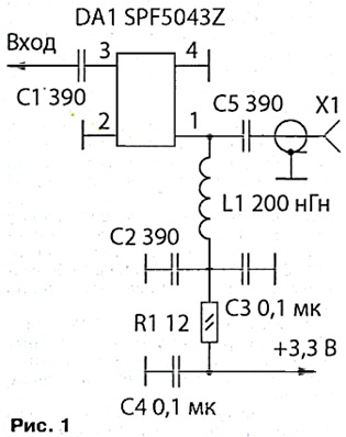
 Принципиальная схема МШУ с полосой пропускания от 100 до 1300 МГц, отвечающего вышеперечисленным условиям, показана на рис. 1.
  
  Он выполнен на микросхеме SPF5043Z (http:// www.rfmd.com/CS/Documents/SPF-5043ZDS.pdf) и может быть использован как на любительских УКВ-радиостанциях, так и для дальнего приёма ТВ-и УКВ-радиовещания, в популярных ныне широкополосных SDR-приёмниках на основе DVB USB-тюнеров и т. д.
 Эта микросхема недорогая (примерно 3 долл. США) и очень удобна для
 применения в МШУ. Она имеет согласованный в широкой полосе вход и выход, низкий коэффициент шума, большой динамический диапазон и высокую перегрузочную способность по входу.
 Усилитель по схеме рис. 1 предполагает наличие отдельного проводника питания. Если же требуется питание по коаксиальному кабелю, все элементы выходной цепи (правее вывода 1 микросхемы) устанавливают внизу, а кабель подключают прямо к выводу 1 микросхемы SPF5043Z.
 Усилитель в описанном конструктивном исполнении имеет следующие измеренные параметры в любительских УКВ-диапазонах:
 1.  Усиление — 22,8 дБ на 144 МГц, 20,5 дБ на 432 МГц, 12,1 дБ на 1296 МГц.
 2.  Коэффициент шума — 0,6 дБ на 144 МГц, 0,65 дБ на 432 МГц, 0,8 дБ на 1296МГц.
 3.  КСВ по входу— 1,7 на 144 МГц, 1,3 на 432 МГц,  1,4 на 1296 МГц. Это без всяких цепей согласования.
 4.  Точка IP3 — не менее 26 дБм во всех вышеперечисленных диапазонах.
 5. Допустимая мощность на входе — уровень   сигнала   на   входе   200 мВт (23 дБм не привёл к повреждению усилителя во всех диапазонах, по данным изготовителя    он    выдерживает    до 25дБм).
 6.  Потребляемый ток — 25 мА. Усилитель собран на плате размерами примерно 18x14 мм, вырезанной
 обычным резаком. Используется фольгированный с двух сторон стеклотекстолит толщиной 1 мм. На нижней стороне фольга сохранена полностью и используется в качестве общего провода, а на верхней стороне прорезаны зазоры, как показано на рис. 2 (масштаб 4:1).
  
 Габариты корпуса SOT-343 микросхемы (без выводов) — 1,2x2 мм. Это, конечно, мелкая деталь, но SPF5043Z ещё вполне можно паять тонким жалом обычного паяльника, не используя специальную паяльную станцию с феном.
 Пассивные элементы платы применены типоразмера 0603 для поверхностного монтажа. Красными точками на рис. 2 показаны места перемычек, соединяющих проводники общего провода верхней и нижней сторон платы. Их число выбирают по принципу "кашу маслом не испортишь". Эти перемычки обеспечивают низкоимпедансную "УКВ-землю" и устойчивость усилителя к внешним полям. Устойчивость МШУ при таком конструктивном выполнении такая, что он не нуждается в экранированном корпусе.
 Вход усилителя распаивают сразу на антенну (если она приёмная) или на реле коммутации RX-TX (если она приёмопередающая). Для защиты от статического электричества и грозовых разрядов желательно, чтобы антенна была замкнута по постоянному току и/или заземлена (петлевой или рамочный вибратор и т. п.). Если антенна разомкнута по постоянному току, параллельно входу МШУ надо установить пару ограничительных диодов СВЧ-диапазона, включённых встречно-параллельно.
 Устройство не требует налаживания. Даже не представляю, что нужно сделать, чтобы этот усилитель работал неправильно.
 Если для питания используется не то напряжение, которое указано на рис. 1, надо изменить соответственно R1 (на самом усилителе должно быть 3 В — это оптимум по шумам). При повышении питания на усилителе до 5 В немного возрастает коэффициент шума, но и увеличивается динамический диапазон (и потребляемый ток тоже).
  
 На рис. 3 приведена частотная зависимость коэффициента усиления. Чтобы не перегрузить вход анализатора, на выходе усилителя был включён аттенюатор 20 дБ, т. е. истинный коэффициент усиления выше приведённого на рис. 3 на 20 дБ.
  
 На рис. 4 приведена зависимость КСВ по входу от частоты в 50-ом ном тракте. Согласование в широкой полосе достаточное для большинства применений — во всей полосе КСВ не превышает 2, а в полосе частот от 230 до 1300 МГц не превышает 1,4.
 Чтобы получить более низкий КСВ, требуется дополнительное согласование. Для этого надо знать комплексный входной импеданс. Его изменение от частоты показано на рис. 5.
  
 Из рис. 5 следует, что если МШУ используется как однодиапазонный на 144 МГц, для лучшего согласования надо компенсировать отрицательное реактивное сопротивление -j24 Ом. Для этого достаточно включить дроссель индуктивностью 30 нГн последовательно со входом. При этом достигается КСВ не более 1,1, а полоса согласования по уровню КСВ менее 1,2 будет 125... 165 МГц. Это позволяет обойтись без подстройки согласующего дросселя.
 В диапазоне 1296 МГц достаточно уменьшить ёмкость конденсатора С1 до 9,1 пФ, компенсируя положительное реактивное сопротивление j13 Ом. Подстройка также не требуется.
 Радио №2/2014
 

