МИО-стимулятор
- Подробности
 - Категория: медицина
 - Опубликовано: 13.10.2019 11:49
 - Просмотров: 2382
 
В последнее время в продаже появились так называемые МИО-стимуляторы, предназначенные для воздействия низкочастотными электрическими токами на мускулатуру и периферическую нервную систему человека. МИО-стимуляторы применяются с целью:
 - увеличения массы мышц;
 - снижения толщины жировой прослойки, активизируя гормональную регуляцию и обменные процессы во всем организме.

 Электростимуляция мышц с помощью электростимулятора, действительно, является довольно эффективной. При электростимуляции достигается быстрый прирост мышечной массы и более широкий охват мышечных групп по сравнению с обычной тренировкой. Возможно также проведение избирательной электростимуляции наиболее важных мышц в режиме максимальных сокращений с последующими расслаблениями. Если судить по тонусу (твердости) мышц, то во время электростимуляции они развивают напряжение, превышающее максимальное произвольное: тонометр показывает 108% твердости при максимальном произвольном усилии. Использование прерывистого режима электростимуляции (например, 10 секунд-посылка, 10 секунд-пауза) обеспечивает практически неизменную величину сокращения мышц во время посылки, т. е. утомление при электростимуляции наступает значительно позже, чем при выполнении максимальных произвольных сокращений, при которых утомление наступает сначала в нервных центрах, потом в мышцах.
 При электростимуляции мышц происходит увеличение энергетического потенциала мышц и всего организма, повышение активности ферментных систем в тканях и органах. Это усиливает окислительные процессы и повышает устойчивость мышцы к утомлению. Кроме того, увеличивается содержание гликогена в мышце. В электростимулированной мышце содержание молочной кислоты (она вызывает чувство мышечной боли после интенсивных нагрузок) не увеличивается совсем или же возрастает незначительно, в то время как работа такой же интенсивности вызывает в мышце другой конечности (нестимулированной) резкое увеличение содержания этого вещества. Таким образом, электростимуляция предотвращает накопление молочной кислоты.
 В электростимулированных мышцах повышаются анаэробные и аэробные окисления. Электростимуляция вызывает увеличение уровня кальция, натрия, железа и миоглобина, который передает кислород непосредственно работающим тканям и депонирует его в мышце.
 В нестимулированных мышцах утомительная работа вызывает значительный распад АТФ. При такой же нагрузке в предварительно электростимулированной мышце распад АТФ незначителен, т. е. создаются благоприятные условия для ее ресинтеза.
 Таким образом, электростимуляция приводит к увеличению массы мышц, их энергетических резервов и активности ферментных систем, повышению функционального состояния не только стимулированных нервно-мышечных структур, но и всего организма.
 В физкультурно-оздоровительной и спортивной практике электростимуляция применяется для следующих целей:
 - наращивания мышечной массы и силы;
 - повышения работоспособности мышц;
 - восстановления работоспособности мышц после значительных нагрузок;
 - восстановления работоспособности мышц после травм, растяжений и ушибов (без нарушения целостности тканей);
 - нормализации жирового обмена.
 Проведение электростимуляции относительно противопоказано при следующих заболеваниях:
 - гемофилии; -эпилепсии;
 - рассеянном склерозе (в фазе обострения);
 - всех инфекционных и неинфекционных болезнях в острой стадии;
 - тяжелых формах гипертонической болезни;
 - кожных заболеваниях в острой стадии;
 - свежих кровоизлияниях в полостях и тканях;
 - разрывах мышц и связок, переломах костей.
 Также противопоказано воздействие электростимулятора на голосовые связки и иннервирующие их нервные волокна, так как может возникнуть закрытие дыхательных путей. У лиц с имплантированным кардиостимулятором электростимуляция может вызвать нарушение его работы. В очень редких случаях имеется индивидуальная непереносимость электрических импульсов (повышенная чувствительность кожи).
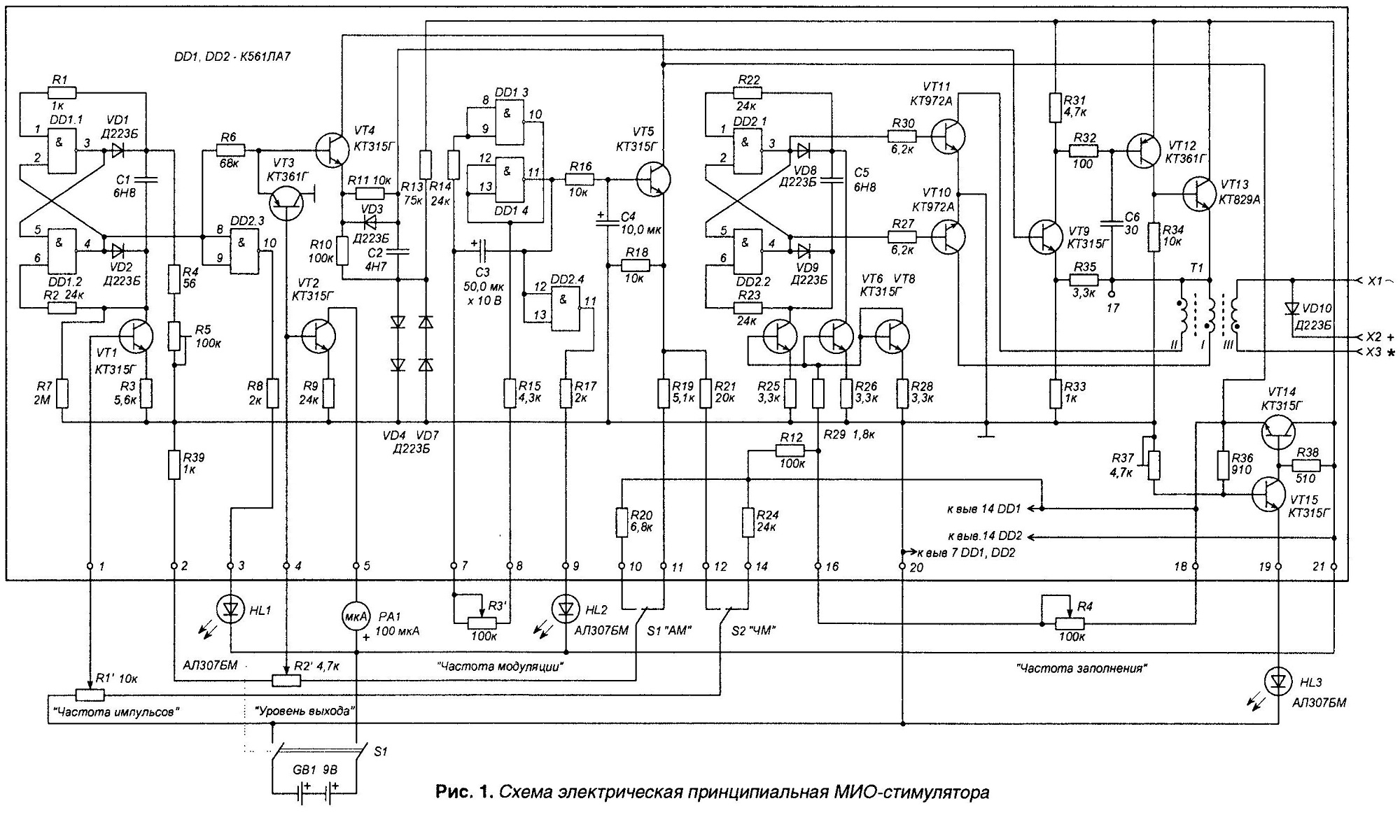
 Принципиальная электрическая схема МИО-стимулятора приведена на рис. 1. Электростимулятор состоит из следующих элементов:
 - генератора стимулирующих импульсов - DD1.1, DD1.2, VD1, VD2, VT1, C1,R1...R7,R1';
 - генератора модуляции -DD1.3, DD1.4, VT5, СЗ, С4, R14.. .R16, R18.. .R21, R24, R3';
 - генератора частоты заполнения - DD2.1, DD2.2, VD8, VD9, VT6.. .VT8, С5, R22, R23, R25.. .R30, VT10, VT11, R4';
 - усилителя мощности - VT9, VT12, VT13, R31.. .R35, С6, С7, Т1, VD10;
 - стабилизатора напряжения -VT14, VT15, R36.. .R38, НЗ;
 - аттенюатора и формирователя импульсов - VD4.. .VD7, R10.. .R13, С2, R39, R2'.
 Генератор импульсов создает прямоугольный сигнал, длительность которого определяется емкостью конденсатора С1 и суммарным сопротивлением резисторов R4, R5. Частота следования импульсов определяется конденсатором С1 и цепочкой VT1., R7. Ток через VT1 определяется напряжением на базе и зависит от положения движка R1'.
 Прямоугольный сигнал с выхода элемента DD1.2 поступает на аттенюатор импульсов, разрешая работу последнего. Напряжение на эмиттере VT4 зависит от напряжения на движке переменного резистора R2'. С эмиттера VT4 сигнал поступает на формирователь. Фронт импульса формируется цепочкой R11, С2. Срез импульса формируется цепочкой С2, VD3, R10.
 Генератор модуляции собран по традиционной схеме и отдельного описания не требует. Длительность импульса модуляции определяется временем разряда конденсатора СЗ через резисторы R15 и R3'. Цепочкой формируется экспоненциальный фронт и срез импульса модуляции. Полный сигнал снимается с эмиттера VT5.
 Частота заполнения определяется временем перезаряда конденсатора С5 по цепи: выход DD2.1 - VD8-C5-VT7, затем по цепи: выход DD2.2-VD9 - С5 - VT6. Для получения сигнала заполнения, близкого по форме к меандру, используется зеркало токов на транзисторах VT6... VT8. Ток перезаряда С5, а следовательно, и частота заполнения определяются сопротивлениями R41, R28, R29.
 В режиме непрерывной генерации переключатели S1 и S2 находятся в положениях "0". При этом частота генератора импульсов определяется напряжением, снимаемым с R1'.
 Амплитуда выходного сигнала определяется напряжением, снимаемым с движка-R2'. Импульсы с конденсатора С2 поступают на вход усилителя, который усиливает сигнал с коэффициентом (1/R35/R33), с выхода которого сигналы поступают на первичные обмотки трансформатора, коммутируемые ключами VT12, VT13.
 В режиме амплитудной модуляции переключатель "AM" находится в положении "1", "ЧМ" - в положении "0". При этом частота импульсов определяется так же, как и в режиме непрерывной генерации. Максимальная амплитуда выходного сигнала определяется напряжением, снимаемым с движка переменного резистора R2', который включен в цепь VT5, R19 - R2' - R39. Так как на эмиттере VT5 присутствует сигнал модуляции, то выходной сигнал будет изменяться в соответствии с ним.
 В режиме частотной модуляции переключатель "AM" находится в положении "0", "ЧМ"- в положении "1". При этом амплитуда выходного сигнала определяется также, как и в режиме непрерывной генерации. Мгновенная частота импульсов определяется мгновенным напряжением, снимаемым с движка R1', который включен в цепь VT5 - R21 - R1'. То есть изменение частоты прямопропорционально изменению напряжения на эмиттере VT5.
 Выходные стимулирующие импульсы (СИ) представляют собой регулируемые по амплитуде и частоте заполнения симметричные биполярные импульсы, модулированные по трапецеидальному закону с экспоненциальной формой фронта и среза. Форма СИ представлена на рис. 2.
 Стимулятор обеспечивает работу в следующих режимах (рис. 3):
 - режим непрерывной генерации (рис. За);
 - режим амплитудной модуляции (рис. 3б);
 - режим частотной модуляции (рис. Зв).
 Описанный МИО-стимулятор собран на доступных деталях и практически не нуждается в налаживании. Все постоянные резисторы -МЛТ-0,125, переменные -СПЗ-4аМ-20, подстроенные резисторы R5, R37 типа СПЗ-386. Микросхемы серии К561 можно заменить на микросхемы серии К176. Конденсаторы С1, С2, С5, С6 - КМ-5; СЗ, С4, С7 - К50-10. Трансформатор Т1 наматывается на броневом сердечнике Б36 из феррита 2000НМ. Обмотки Н1-К1 и Н2-К2 содержат по 80 витков провода ПЭЛ-0,3. Обмотка НЗ-КЗ-420 витков провода ПЭЛ-0,2. Микроамперметр М4248.0 с током отклонения 100 мкА.
 Подготовка стимулятора к работе
 Ручка регулятора амплитуды "Уровень выхода" совмещена с выключателем, поэтому в нерабочем состоянии она должна быть выведена в крайнее левое положение (минимальный уровень выходного сигнала).
 Включение стимулятора и проверка его работоспособности
 Без подключения электродов вывести ручку "Уровень выхода" в крайнее правое положение при установленных переключателях "AM" - "1", "ЧМ" - "0". При этом должен светиться индикатор питания HL3, ритмично загораться индикатор модуляции HL2, синхронно ему должна отклоняться вправо стрелка индикатора уровня задания выходного напряжения. Если индикаторы не светятся более 10±3 с, то следует выключить электростимулятор и проверить правильность монтажа электрической схемы.
 Электростимуляция с целью прироста мышечной массы и силы
 Электрическая стимуляция с целью прироста мышечной массы и силы осуществляется 20-дневными курсами с перерывами между ними в 3 дня. Тренировки проводят 1 ...2 раза в день на различные группы мышц.
 Электроды располагают в области средней трети стимулируемой мышцы. На крупных мышцах целесообразно, чтобы расстояние между электродами составляло 4...6 см. Электроды фиксируются на теле резиновым или другим эластичным бинтом, если позволяют условия, то и массой тела.
 Электроды подключаются к гнездам, обозначенным "*" и"~".
 В местах наложения электродов кожу предварительно протирают марлевым тампоном, смоченным раствором поваренной соли (0,5 чайной ложки на стакан воды) или теплой водопроводной водой.
 Рекомендуемая последовательность стимуляции групп мышц (рис. 4);
 - бицепсы (зоны 2); - трицепсы (зоны 10);
 - мышцы предплечья (зоны 3,11);
 - дельтовидные мышцы (зоны 1);
 - мышцы брюшного пресса (зоны 4, 5, 6);
 - трапецевидная мышца (зона 8);
 - широчайшие мышцы спины (зоны 9);
 - мышцы бедер (зоны 7,13);
 - икроножные мышцы (зоны 14).
 Тумблеры "AM" и "ЧМ" должны быть включены. Частота следования импульсов 30... 100 Гц, частота стимуляции 0,2...0,25 Гц (12... 15 посылок в мин.), частота заполнения 2...8 кГц. Оптимальные положения ручек этих регулировок устанавливают, руководствуясь наименьшими дискомфортными ощущениями при электростимуляции. Плавным поворотом вправо ручки "Уровень выхода" добиваются такой амплитуды стимулирующих импульсов, при которой происходит сильное и максимально переносимое, но безболезненное сокращение мышцы на фоне ее расслабления. Волевым напряжением мышцы-антагониста (например, трицепса, если стимулируется бицепс, и наоборот) стараются не допустить движения в суставе. При этом дополнительно тренируется еще и мышца-антагонист, что повышает эффективность электростимуляции.
 Жжение или другие неприятные ощущения в области наложения электродов в большинстве случаев свидетельствуют о недостаточном контакте электродов с кожей. При этом необходимо выключить стимулятор, протереть кожу в этих местах тампоном, смоченным раствором поваренной соли и обеспечить плотное прилегание электродов к телу с помощью эластичного бинта.
 Электростимуляция с целью увеличения работоспособности
 Электростимуляция мышц перед значительными физическими нагрузками (например, интенсивной спортивной тренировкой, утомительной работой) создает благоприятные условия для сохранения и увеличения энергетических резервов мышц и всего организма.
 С этой целью выполняется стимуляция основных групп мышц: бедренных, ягодичных, мышц живота (рис. 4, зоны 4, 5, 6, 7, 12, 13) или тех мышц, которым предстоит активная нагрузка.
 "AM" и "ЧМ" должны быть включены, частота импульсов 80... 120 Гц, частота заполнения 6.. .8 кГц, частота стимуляции 0,2.. .0,4 Гц (12.. .24 посылки в мин.). Амплитуда выходного сигнала-до сокращения мышц
 без движения в суставах. Длительность стимуляции одной мышцы -5...10МИН.
 Электростимуляция при излишнем весе
 Электростимуляция позволяет снизить толщину жировой прослойки, активизируя гормональную регуляцию и обменные процессы во всем организме. С этой целью выполняют стимуляцию больших групп мышц (ягодичные, брюшного пресса, зоны 4, 5, 6, 12, рис. 4).
 С учетом наибольшего отложения подкожно-жировой клетчатки на животе стимулируют зоны 4, 5, 6 (рис. 4) по 10 мин. каждую - всего до 50 мин.
 Режим модуляции: "AM" включена, "ЧМ" - выключена, частота модуляции 100...200 Гц, частота несущей 3...8 кГц, частота стимуляции 0,5 Гц (30 посылок в мин.). Уровень выхода-до сильного и максимально переносимого сокращения мышц, но безболезненного. Курс - 15 ежедневных сеансов, повторный курс через 5.. .6 месяцев. Обязательно соблюдение разгрузочной диеты.
 Техника безопасности
 1. Запрещается накладывать и изменять место наложения электродов при включенном электростимуляторе.
 2. Запрещается производить изменение режимов работы ("AM", "ЧМ") при включенном электростимуляторе.
 3. Во избежание выхода стимулятора из строя запрещается замыкание выходных гнезд и электродов между собой.
 Описанный МИО-стимулятор показал хорошую повторяемость, простоту в обращении и положительный результат электростимуляции.
 Электроды для электростимуляции представляют собой пластины из электропроводящего полимера марки 52-361 (фторкаучук СКФ-26, наполненный ацетиленовой сажей). При отсутствии полимера 52-361 электроды можно изготовить из мягкого листового свинца толщиной 0,4. ..0,8 мм. Размеры электродов - 20x120 мм.
 При эксплуатации электродов из свинцовых пластин под них необходимо класть прокладку из мягкой ткани (бязь, фланель), смоченную раствором поваренной соли.
 Автор статьи - А. Мохорев.
 Статья опубликована в РЛ, №/№ 5...6,2004 г.
 Сборник: Лучшие конструкции "РАДИОЛЮБИТЕЛЯ" №1
 Цифровой измеритель частоты пульса
 Стимулятор сна
 Прибор для ориентации слепых
 

