Простейшие цифровые устройства. Часть 4
- Подробности
 - Категория: Практические советы
 - Опубликовано: 25.03.2018 18:32
 - Просмотров: 5667
 
Андрей Белый
 В этой статье цикла рассмотрены примеры использования КМОП ИМС для создания несложных цифровых устройств.

 Применение КМОП ИМС
 16-разрядный двоичный счетчик импульсов
 Его удобно построить на 2 ИМС типа К561ИЕ10. Для этого надо включить последовательно 4 двоичных счетчика, входящих в состав двух таких ИМС (рис.1).
 Так как на входы «С» всех счетчиков подан лог «0», то счетчики срабатывают по заднему фронту импульса на входе СЕ. Каждый из счетчиков, входящих в состав К561ИЕ10, имеет состояния от 0000 до 1111, а два включенных последовательно счетчика ИМС DD1 (рис.1), соответственно от 0000 0000 до 1111 1111.
 После достижения состояния 1111 очередной счетный импульс переводит первый счетчик в состояние 0000, при этом на его выходе «8» образуется задний фронт импульса, который поступает на вход СЕ второго счетчика. Таким образом, состояние двух счетчиков с 0000 1111 изменяется на 0001 0000. То есть несмотря на то, что первый счетчик перешел в состояние 0000, тот факт, что он досчитал до 1111, запомнил второй счетчик. Аналогично работают и два счетчика, входящих в состав ИМС DD2.
 Для того чтобы 16-разрядный счетчик считал сначала, перед началом работы надо разряды всех его счетчиков установить в состояние «О», т.е. счетчик должен начать работу с состояния 0000 0000 0000 0000. Однако при включении питающего напряжения на выходах счетчиков устанавливается произвольное состояние, например, 0111 1100 0101 1110. Поэтому в схеме имеются элементы R1 и С1, которые при включении питания формируют короткий положительный импульс на входах R всех счетчиков. Это обеспечивает установку всех разрядов счетчика в состояние «0» при включении питания. Наличие лог. «1» на выходе какого-либо разряда счетчика означает поступление на его вход определенного количества импульсов, как это показано на рис.1. Суммировав количество импульсов, соответствующих «1», на выходах счетчика, получим число импульсов, поступивших на вход счетчика на данный момент.
 Например, состояние 0100 11000001 1111 соответствует 16384+2048+1024+16+8+4+2+1=19490 импульсам.
 Напряжение питания +5... 15 В подают на выв. 16 ИМС DD1-DD2, а к общему проводу подключают выв. 8 ИMC DD1-DD2.
 Бегущий «0» или «1»
 На рис.2 показано, как с помощью ИМС К561ИЕ10 (DD1) и К561 КП2 (DD2) организовать бегущий «0» или бегущую «1», в зависимости оттого, какой потенциал лог. «0» или лог. «1» подан на вывод 3 ИМС К561КП2. Сигнал бегущий «0» или бегущая «1» получается на выводах 13, 14, 15, 12, 1, 5, 2 и 4 в указанной последовательности. То есть потенциал лог. «0» (или лог. «1» в зависимости от положения переключателя S1) будет перемещаться по выходам ИМС К561КП2 после поступления каждого очередного импульса на вход счетчика К561ИЕ10. При этом остальные 7 выходов ИМС К561КП2 будут оставаться в неактивном состоянии, т.е. на них не будет ни лог. «0», ни лог. «1».
 Если Вам необходимо обеспечить на неактивных выходах ИМС К561КП2 какой-либо определенный потенциал (например, лог. «0» в схеме бегущая «1»),то выходы Х1-Х8 следует подключить к обще- му проводу устройства, каждый через резистор номиналом 4,7...10 кОм (на рис.2 эти 8 резисторов не показаны). Если надо обеспечить на неактивных, в данный момент времени, выходах К561КП2 потенциал лог. «1», то их следует подключить к «+» источника питания, каждый через резистор номиналом 4,7...10 кОм.
 Поскольку в состав ИМС К561ИЕ10 входит два 4-разрядных счетчика, а коммутатор К561КП2 рассчитан на управление 3-разрядным двоичным кодом, то для построения этого устройства используется только один счетчик из состава DD1 типа К561ИЕ10, а точнее, первые 3 разряда этого счетчика. Для того чтобы неиспользуемая в схеме вторая половина ИМС DD1 не оказывала влияние на работу устройства, ее входы С и СЕ (выв. 9 и 10) соединены с общим проводом устройства.
 Как и в предыдущей схеме, цепьВ1С1 используется для установки счетчика в исходное состояние 0000.
 Переключателем S1 на вход X (выв. 3) ИМС К561КП2 подается либо сигнал лог. «0» (в нижнем положении S1), либо лог. «1» (в верхнем положении S1).
 Для того чтобы коммутатор К561КП2 переключал сигнал с его входа X на выходы Х1-Х8, на его вход V подан сигнал лог. «0». Если этот вход К561КП2 подключить к выходу 4 разряда счетчика DD1 (выв. 6), то мы получим устройство, которое по первым 8 входным импульсам переключает состояние выходов К561КП2, а по следующим 8 - нет. Т.е. в течение следующих 8 импульсов, поступающих на вход ИМС К561ИЕ10, все 8 выходов DD3 будут находиться в неактивном состоянии. Затем вновь 8 импульсов будут переключать выходы К561КП2, а следующие 8 - нет. Если после этого к выходам К561КП2 подключить драйверы светодиодов, то можно получить необычную цветную иллюминацию. Но тут уже все определяется вашей выдумкой и желанием создать что-то необычное.
 Напряжение питания +5...15 В подают на выв. 16 ИМС DD1-DD2, а к общему проводу подключают выв. 8 ИМС DD1-DD2.
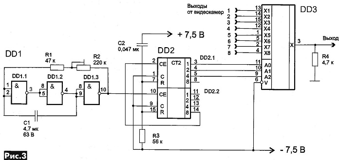
 Коммутатор для системы видеонаблюдения
 В системах видеонаблюдения за частным домом или дачным участком обычно используется много видеокамер - 4-16 шт. Использовать для просмотра изображения с каждой видеокамеры отдельный монитор дорого и неудобно. Поэтому изображения с нескольких видеокамер выводятся на один монитор такими способами:
 • одновременно (при этом каждой видеокамере отводится часть экрана монитора);
 • последовательно - в случае, когда важно видеть все детали, отображаемые каждой видеокамерой.
 Для случая последовательной передачи изображений с видеокамер на монитор пригодится устройство, показанное на рис.3.
 Оно предназначено для последовательного вывода на экран монитора сигналов до 8 видеокамер. Устройство позволяет коммутировать видеосигнал с амплитудой до 5 В (напряжение питания ±7,5 В) и изменять время просмотра каждой видеокамеры от 5 до 30 с.
 Устройство состоит из следующих основных частей:
 • задающий генератор на ИМС DD1;
 • делитель частоты на ИМС DD2.2;
 • счетчик, управляющий работой коммутатора DD2.1;
 » коммутатор видеосигнала DD3.
 Задающий генератор
 Он выполнен на трех инверторах ИМС DD1. В качестве DD1 можно использовать ИМС К561ЛН2, содержащую 6 инверторов, или ИМС типа «2И-НЕ» (К561ЛА7) или ИМС типа «2ИЛИ-НЕ» (К561ЛЕ5), элементы которых надо включить как инверторы. Для этого входы ИМС К561ЛА7 или К561ЛЕ5 надо соединить вместе, как показано на рис.3.
 Задающий генератор работает следующим образом. При включении напряжения питания конденсатор С1 разряжен и при этом потенциал лог. «О» будет как на входе элемента DD1.1, так и на выходе элемента DD1.2. Таким образом, на выходе элемента DD1.3 (выв. 10 ИМС DD1) будет потенциал лог. «1». Это приведет к тому, что конденсатор С1 начнет заряжаться через резисторы R1 и R2. Заряд конденсатора С1 будет продолжаться до тех пор, пока напряжение на нем и, соответственно, на входе элемента DD1.1 (выв. 1 и 2) не превысит порогового уровня лог. «1», т.е. примерно половины величины напряжения источника питания. После переключения DD1.1 на его выходе (выв. 3), а соответственно и на входе DD1.2 будет потенциал лог. «0», т.е. на выходе DD1.2 и входе DD1.3 будет лог. «1». Элементов 1.3 переключится, и на его выходе будет лог. «0». Таким образом начнется разряд конденсатора С1. Если его ток заряда тек от выв. 10 ИМС DD1 через R1 и R2 и далее через выв. 4 ИМС DD1 на общий провод, то ток разряда протекает в противоположном направлении: от левого по схеме вывода С1 через R1 и R2 и далее через выв. 10 ИМС DD1 на общий провод.
 Длительность заряда конденсатора С1 определяется по формуле:
 t=0,7*C1*(R1+R2).
 А частота колебаний генератора на DD1:
 F=1/2*[0,7*C1*(R1+R2)].
 Пример расчета элементов задающего генератора
 Для обеспечения частоты выходных импульсов DD1.2, управляющего работой коммутатора DD3, от 1/5 до 1/30 Гц (период переключения видеокамер 5...30 с) частота генератора должна быть в 16 раз выше (т.е. на коэффициент деления частоты счетчиком DD2), т.е. 3,2...0,53 Гц. Это достаточно низкая частота.
 В целом следует избегать в своих разработках задающих генераторов, работающих на частотах менее нескольких кГц, поскольку их стабильность получается неудовлетворительной. Для получения хорошей стабильности частоты в генераторах используются специальные частотно-задающие электромеханические элементы, так называемые, кварцевые резонаторы. Однако такие резонаторы стабильно работают лишь на частотах выше 32 кГц (типовая частота для электронных часов) и выше. Это надо учитывать в своих разработках.
 Вернемся к нашим расчетам. В RC-генераторах следует использовать термостабильные конденсаторы пленочного типа. Т.е. использовать в них оксидные (электролитические) и керамические конденсаторы с классом температурного коэффициента емкости (ТКЕ) НЗО-Н90 категорически нельзя.
 В данном случае выберем для использования в генераторе конденсатор типа К73-17 номиналом 4,7 мкФ 63 В, тогда, используя приведенную выше формулу частоты генератора, получим:
 3,2Гц=1/(1,4*4,7*10-6*R1),
 откуда получим R=47,5 кОм.
 0,53 Гц=1/[1,4*4,7*10-6*(R1+R2)],
 откуда R1+R2=287 кОм.
 Округляем значение R1 до ближайшего стандартного 47 кОм и получаем номинал переменного резистора R2 - 287-47,5=210 кОм. Округляем его до ближайшего стандартного 220 кОм.
 Разумеется, что при использовании конденсатора С1 иного номинала получатся иные номиналы резисторов R1 и R2.
 Делитель частоты
 Он собран на «половинке» ИМС DD1-DD1.2 типа К561ИЕ10. Он обеспечивает деление частоты входных импульсов на 16, что необходимо для обеспечения достаточно «медленного» переключения счетчика DD2.1, управляющего работой коммутатора. Применение дополнительного делителя частоты вызвано тем, что создать стабильно работающий задающий генератор с низкой частотой переключения (1/5... 1/30 Гц) достаточно сложно. Для обычного RC-генератора, схема которого показана на рис.3, без делителя частоты понадобились бы слишком большие номиналы резисторов и конденсаторов, что отрицательно сказалось бы на его временной и температурной стабильности.
 Счетчик, управляющий работой коммутатора
 Выполнен так же, как и счетчик в схеме бегущий «0» или бегущая «1», рассмотренной ранее.
 Коммутатор видеосигнала
 Выполнен на ИМС DD3 типа К561КП2. В данной схеме эта ИМС коммутирует сигналы, поступающие на ее входы Х1-Х8 на выход X. В каждый момент времени на выход X подключен тот входной сигнал, который задан состоянием счетчика DD2.1.
 Поскольку на вход ИМС DD3 поступают не цифровые, а аналоговые видеосигналы, то между ее выходом X и общим проводом включен согласующий резистор R4. При использовании длинных коаксиальных кабелей связи видеокамер с коммутатором его необходимо дополнить согласующими резисторами номиналом 50...75 Ом (точный номинал зависит от типа примененного кабеля, и в первую очередь от его волнового сопротивления) которые включают между каждым из входов DD1 и общим проводом.
 Питание устройства
 Как уже отмечалось выше, для питания устройства необходим двухполярный источник напряжения величиной ±7,5 В. При этом к +7,5 В подключают выв. 14 DD1 и выв. 16 DD2 и DD3.
 К напряжению -7,5 В подключают выв. 7 DD1 и выв. 8 DD2 и DD3.
 Работа устройства
 Прямоугольные импульсы с выв. 10 DD1.3 поступают на вход СЕ счетчика DD2.2, который делит их на 16, т.е. на выходе 8 DD2.2 (выв. 14) частота импульсов будет в 16 раз меньше, чем частота импульсов задающего генератора. В данном случае она должна составлять от 1/5 до 1/30 Гц, чтобы обеспечить время просмотра каждой видеокамеры от 5 до 30 с. Длительность просмотра 5...30 с регулируют резистором R2, изменяющим частоту задающего генератора. При переключении DD1.1 на выход коммутатора DD3 последовательно подключают сигналы с 1-й, 2-й... 8-й видеокамеры. Затем цикл повторяется.
 Желающие могут скачать полный цикл статей в формате pdf
 

