Комплексная охрана помещения с датчиком движения
- Подробности
 - Категория: охрана пром
 - Опубликовано: 13.04.2017 13:09
 - Просмотров: 2354
 
Горчук Н.В.
Приобретение охранного устройства для квартиры, дачи, дома, офиса, гаража или другого помещения может быть весьма затратным. В то же время, используя готовые, свободные в продаже изделия, не предназначенные для охраны помещения, можно собрать достаточно эффективную охранную систему. Здесь описывается четыре варианта, различного функционального назначения, эффективности и себестоимости.
Наиболее простой и дешевый способ приобретения датчика движения, это покупка готового бытового выключателя с датчиком движения, предназначенного для автоматического включения света при движении в контролируемой зоне человека. Бытовой выключатель с датчиком движения представляет собой устройство, устанавливаемое вместо обычного выключателя. Его схема содержит пироэлектрический датчик движения, фотодатчик и реле времени. На выходе -электромагнитное реле. Датчик движения реагирует на движение человека (или другого существа не меньше кошки). Фотодатчик служит для запрета включения света в дневное время. Чтобы выключатель с датчиком движения можно было использовать как охранный, фотодатчик нужно заблокировать. Проще всего это сделать, залепив фоторезистор кусочком черного пластилина. 
Выходная схема выключателя с датчиком движения (ДД) показана на рисунке 1.

Первый вариант.
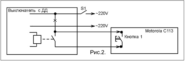
При вторжении вызывается охрана по сотовому телефону (рис.2.).

 Прежде всего нужен старый сотовый телефон с режимом упрощенного набора одной кнопкой. Этот режим подразумевает вызов абонентов по номеру из «телефонной книги». Например, чтобы позвонить первому в списке абоненту нужно нажать и удерживать кнопку «1». Такой режим есть у многих телефонов, например, у сотового телефона «Motorola C113». Вносим в «телефонную книгу» первым в списке номер, по которому нужно звонить в случае вторжения.
Затем самое сложное, - нужно вскрыть корпус сотового телефона и подпаять два тонких монтажных проводка к дорожкам-контактам его кнопки «1».
Следующий этап, - вскрыть корпус выключателя с ДД и отсоединить выводы контактов его реле от электросети. Монтажные провода, припаянные к кнопке «1» сотового телефона подпаять с другого конца к выводам контактов реле.
Теперь при срабатывании датчика движения сотовый телефон будет звонить по первому в «телефонной книге» номеру. Это будет сигналом, что в помещение кто-то вторгся.
Выключатель S1 нужен для выключения системы в то время, когда охрана не нужна.
Второй вариант. Получить информацию, о факте взлома - это полдела, нужно как-то отреагировать, принять меры к поимке преступников. В этом может помочь видеозапись с места преступлен-ния. А наиболее дешевым способом её можно сделать с помощью автомобильного видеорегистратора (рис.3.).

 Об этом уже было написано на страницах журнала, поэтому расскажу вкратце. Обычная функция выключателя с ДД сохраняется, - он включает свет. Это важно в том смысле, что способствует более качественной видеозаписи. Параллельно светильнику включен дополнительный источник питания с выходом 12V. От него напряжение подается на «зарядку» видеорегистратор а, так же, как это делается при установке его в автомобиле.
Таким образом, если появилось движение, включается видеозапись и освещение.
Для сообщения о вторжении используется все тот же сотовый телефон, только теперь его кнопка «1» замыкается с помощью отдельного реле К1 с обмоткой на 12V. Это может быть практически любое электромагнитное реле с 12-вольтной обмоткой и замыкающими контактами, например, реле звукового сигнала автомобиля «ВАЗ».
Третий вариант. Допустим, сообщено о взломе, и лица взломщиков отсняты, но все же желательно как-то «предложить» им убираться, пока они не вынесли все из дома, как-то спугнуть. В качестве «пугала» неплохо сработает обычная электронная сирена, вроде той, что идет в комплекте с автосигнализациями. В принципе, сирену можно подключить параллельно видеорегистратора, к тому же блоку питания с выходом 12V, при условии, что он выдерживает нагрузку в 2-ЗА. Но тогда сирена будет орать каждый раз при включении питания охранного устройства выключателем S1, и каждый раз, когда хозяин будет приходить домой. Это плохо. Поэтому нужна схема, которая бы задерживала включение сирены.
Первая задержка должна быть в несколько минут, - обязательно большечем отрабатывает реле времени выключателя с ДД. Эта задержка должна включаться в момент включения питания выключателем S1. Вторая задержка должна составлять секунд десять, она будет задерживать включение сирены при срабатывании, чтобы у хозяина было время на то, чтобы выключить охранную систему войдя в помещение.
Схема показана на рис.4.

 Для питания сирены используется второй блок питания с выходом 12V, он должен допускать
ток до ЗА. На микросхеме D1 сделана схема задержки. Цепь C2-R2 задает время задержки после включения питания, а цепь R1-C1 задает время задержки включения сирены.
При включении питания выключателем S1 на выходе второго блока питания появляется напряжение, поступающее на схему на ИМС D1. При этом зарядный ток конденсатора С2 через R2 блокирует элемент D1.2 в состоянии нуля на выходе. После зарядки С2, если сработает выключатель с ДД, на выходе первого блока питания появится напряжение для включения видеорегистратора. И оно через R1 поступит на С1. Сирена включится только спустя время на зарядку С1 через R1.
Четвертый вариант предполагает использовать не только автомобильный видеорегистратор, но и автомобильную сигнализацию, можно самую не дорогую, без сложных датчиков. Ведь от неё требуется только две функции, - включение сирены при срабатывании выключателя с ДД и дистанционное включение и выключение звуковой сигнализации с помощью идущего в комплекте сигнализации брелка-микропередатчика (рис.5).

Питание на автосигнализацию подается с выхода второго блока питания 12V, но вход этого блока питания подключен к электросети до выключателя S1. Это сделано чтобы сигнализация на включение охраны не реагировала как на отключение и подключение аккумулятора в автомобиле (сирена, блокировка...).
Реле К1 должно быть с двумя контактными группами, - первая для сотового телефона, а вторая подключается к автосигнализации вместо любого контактного датчика (дверей, капота, багажника).
РК 01-2015
		
	
			
 

