Выключатель вентилятора с таймером
- Подробности
 - Категория: автоматика в доме
 - Опубликовано: 25.03.2017 09:08
 - Просмотров: 2349
 
А. СУББОТМН, г. Звенигово, Марий Эл
 По истечении 3...5 мин после включения вентилятора это устройство выключает его и отключается само, не потребляя более энергию от сети 220 В. За основу разработки взято "Простое реле времени" А. Выжанова ("Радио". 2007, № 6, с. 54).
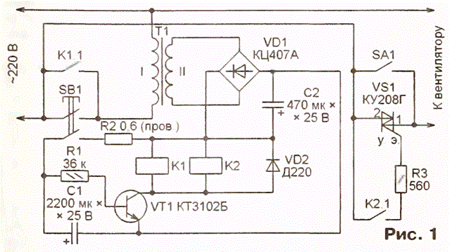
Схема прибора показана на рис. 1, а его внешний вид — на рис. 2.
 
  
  
 При нажатии на кнопку SB1 сетевое напряжение  поступает  на  обмотку I трансформатора Т1. Вторая группа контактов кнопки замыкает цепь зарядки конденсатора С1 до напряжения на выходе выпрямителя, состоящего из диодного моста и сглаживающего конденсатора С2. В результате открывается транзистор VT1. срабатывают реле К1 и К2.
 Контакты К 1.1 блокируют "сетевую" группу контактов кнопки, и ее можно отпустить, прибор продолжит работу. Контакты К2.1 замыкают цепь управляющего электрода симистора VS1. Симистор начинает открываться в каждом полупериоде сетевого напряжения, через него на вентилятор поступает переменное напряжение 220 В и вентилятор работает Благодаря симистору, выдерживающему ток до 5 А, он может быть довольно мощным.
 После отпускания кнопки SB1 напряжение на конденсаторе С1 медленно снижается. Но транзистор VT1 остается открытым, а вентилятор включенным, пока оно не упадет приблизительно до 1,5 В. Затем транзистор закрывается, а реле разрывают цепи, которые они удерживали замкнутыми. Симистор прекращает открываться. Вентилятор и все устройство выключены до следующего нажатия на кнопку SB1. При необходимости можно включить вентилятор на неопределенное время выключателем SA1, не прибегая к "услугам" автомата.
 В конструкции использованы реле РЭС49 исполнения РС4.569.421-02 (паспорт РС4.569.425) с сопротивлением обмотки 270 Ом и рабочим напряжением 12 В. Их можно заменить другими маломощными реле — ток, коммутируемый их контактами, не превышает нескольких миллиампер.
 Трансформатор Т1 следует выбирать с переменным напряжением на обмотке II на 1...2 В больше постоянного напряжения срабатывания реле. А номинальное напряжение конденсаторов С1 и С2 должно быть в 1,5...2 раза больше напряжения на этой обмотке. Резистор R2, ограничивающий до безопасного значения ток зарядки конденсатора С1, можно изготовить из отрезка нихромовой проволоки. Точно подбирать его сопротивление нет необходимости.
 При указанных на схеме номиналах элементов получена задержка выключения вентилятора около 5 мин Подбирая конденсатор С1, ее можно изменить.
 Радио №8, 2010
 

