Микрофонные усилители
- Подробности
 - Категория: Схемы для УНЧ
 - Опубликовано: 20.03.2017 14:46
 - Просмотров: 8831
 
Подавляющее большинство микрофонов имеют выходной сигнал очень небольшой величины - около 0,1.. 1 мВ. В данном случае подразумеваются высококачественные микрофоны. К таковым, к сожалению, не относятся электретные микрофоны современных телефонных аппаратов. Они имеют, как правило, встроенные усилители, но их рабочий частотный диапазон весьма узок, а частотная характеристика крайне нелинейна.
 Материал подготовил Евгений Яковлев, г. Ужгород
 В этом дайджесте статьи из чешского радиолюбительского журнала «Amaterske RADIO» [1] приводятся некоторые схемы микрофонных усилителей и рассказано об основных направлениях их конструирования.
 Этот дайджест, как и вообще любой дайджест, является лишь кратким пересказом печатной публикации, которая по тем или иным причинам мало доступна читателям, но может представлять для них интерес. За достоверность первоисточника и его рекомендации несет ответственность только автор первоисточника.
 При конструировании схем микрофонных усилителей решают несколько задач.
 Во-первых, стремятся достичь усиления порядка 60 дБ, т.е. усилить сигнал микрофона в 1000 раз.
 Во-вторых, сделать это с минимальными дополнительными шумами.
 Вообще, создать усилитель без собственных шумов невозможно так же, как построить устройство с КПД больше единицы. Как говорится, «за удовольствие надо платить».
 Простейшие, но широко распространенные «звуковые карты» персональных компьютеров имеют лишь линейный вход и не рассчитаны на подключение к нему микрофона с малым выходным напряжением. Невозможно непосредственное подключение и электретных микрофонов, поскольку для них требуется внешнее «питание».
 Усилитель для электретного микрофона
 Простейшая схема микрофонного усилителя для электретного микрофона показана на рис.1.
  
 Микрофон подключается к гнезду К1 «MIC IN». Через резисторы R1 и R2 на него подается питание от источника 5 В. Резистор R2 и конденсатор С1 являются непосредственно фильтром питания микрофона, а резистор R1 выполняет функцию нагрузки микрофона. Выходное напряжение встроенного в электретный микрофон усилителя на полевом транзисторе через конденсатор СЗ подается на базу транзистора Т1. Он обеспечивает необходимое усиление всей схемы, поскольку транзистор Т2 включен, как эмиттерный повторитель и его коэффициент передачи по напряжению менее единицы.
 Усилитель для динамического микрофона.
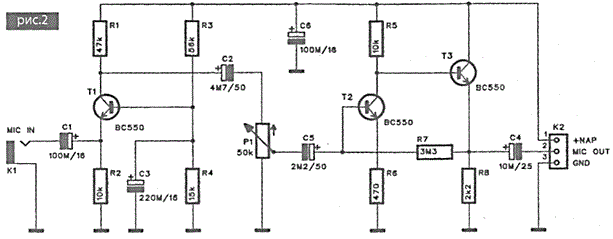
  Схема рис.2 отличается от схемы рис.1 тем, что предназначена для работы с динамическими микрофонами.
  
  Такие микрофоны не требуют внешнего питания, поскольку в них нет встроенного предусилителя, но и выходной сигнал этих микрофонов весьма мал. Это обусловило использование транзистора Т1, включенного по схеме с общей базой, в схеме рис.2 в качестве дополнительного усилителя. Его усиление невелико, но в целом весь усилитель обладает неплохими параметрами. На рис.3 показана частотная характеристика усилителя.
  
  Из графика видно, что в диапазоне 20 Гц... 100 кГц усиление составляет примерно 39 дБ.
 Усилитель для электретного микрофона на ИМС.
 Микросхемы давно вошли в нашу жизнь. Они составили достойную конкуренцию дискретной электронике. С развитием элементной базы постоянно снижается стоимость радиокомпонентов, повышается их качество. Микросхемы перестали быть дефицитом.
 В статье [1] предлагалось шире использовать ОУ, например, типа NJM4580, NE5532, NE5534 или еще более высококачественные, хотя и более дорогие, LME49710, LME49720 и др.
  
 Схема рис.4, как и схема рис.1, предназначена для работы с электретным микрофоном. ОУ IC1-A питается от несимметричного (однополярного) источника питания «+NAP». Резисторы R2 и R4 обеспечивают искусственную среднюю точку питания на неинвертирующем входе ОУ. Чтобы не нарушать режим работы операционного усилителя по постоянному току, его входные и выходные цепи разделены от микрофона и УМЗЧ конденсаторами С2 и С5.
 Выключатель S1 изменяет коэффициент усиления ОУ скачкообразно, а потенциометр Р1 плавно регулирует выходное напряжение схемы.
 Усилитель для симметричного включения микрофона
 В профессиональной аппаратуре, как правило, используется симметричное включение микрофонов. Это обусловлено жесткими требованиями к максимальному подавлению наводок на микрофонный кабель. Эти наводки вызваны
 Это обусловлено жесткими требованиями к максимальному подавлению наводок на микрофонный кабель. Эти наводки вызваны большими мощностями внешних УМЗЧ и колонок громкоговорителей, различными осветительными приборами и зрительными эффектами (мигающие прожекторы, бегущие огни и т.д.). Такие «наводки» воздействуют симметрично на оба провода микрофона, поэтому достаточно легко и просто могут быть скомпенсированы в схеме.
  
  Схема рис.5 относится к «среднему классу качества» по классификации источника [1]. При идентичных номиналах радиокомпонентов в каналах усилителей Т1, Т2 и ТЗ, Т4 идентичны и сами усилители. К недостаткам схемы можно отнести то, что она требует доработки для совместного применения с электретными (конденсаторными) микрофонами и необходимость двухполярного источника питания ±15 В.
 Усилитель с пониженным коэффициентом шума
  
 На схеме рис.6 показан еще один вариант микрофонного усилителя. Его характерной чертой является параллельное соединение нескольких транзисторов в каждом канале (плече) микрофонного усилителя. Каждый из двух проводов микрофона по постоянному току развязан конденсаторами С1 и С2. Стабилитроны D1-D4 являются защитными.
 Параллельное соединение транзисторов Т2, Т4, Т6, Т8, а также Т1, ТЗ, Т5, Т7 способствует снижению собственных шумов усилителя. Сигналы, передаваемые по каждому из «сигнальных» проводов микрофона, усиливаются операционными усилителями микросхем IC1 и IC2. Этот принцип часто использовался на практике до начала широкого использования специализированных микросхем микрофонных усилителей. С их внедрением схемотехника упростилась, но стоимость изготовления микрофонных усилителей возросла.
 Микрофонный усилитель на специализированной ИМС
 Большие изменения в практике конструирования высококачественных микрофонных усилителей произошли при начале массового производства специализированных микросхем. К ним, в частности, относится микросхема SSM2017 фирмы Analog Devices. Эти микросхемы долгое время были оптимальными для микрофонных усилителей. Они имеют симметричный вход, для регулировки усиления достаточно одного потенциометра, а выход у них несимметричный. К сожалению, по ряду причин в настоящее время производство этих микросхем фирмой Analog Devices прекращено. На их замену предполагалось выпускать микросхемы фирмы THAT, но рынок не терпит «вакуума», и фирма Analog Devices начала производство микросхем SSM2019. За рубежом они популярны и в настоящее время, как и ИМС THAT 1510/1512. Параметры обоих типов микросхем подобны. Функциональная схема микросхемы ТНАТ1512 показана на рис.7.
  
 Применение указанных микросхем значительно упрощает схему устройства (рис.8).
  
  В ней используется двухполярное питание. Усиление регулируют потенциометром Р1. С целью
 устранения даже небольшого постоянного напряжения на выходе микросхемы IC1 в схеме используется каскад на микросхеме IC2. Для питания усилителя используется 3 источника питания: 48 В для микрофона и двух-полярный источник для питания ИМС1С1 и IC2.
 В заключение обзора зарубежных публикаций еще раз хочу подчеркнуть, что данный дайджест, как и любой другой, не подразумевает согласие или несогласие подготовившего его автора с материалами первоисточника. Он является только «информацией к размышлению», но некоторые «особенности» зарубежного издания вызывают недоумение и у автора этого дайджеста. Имеется в виду странная «традиция» иностранного журнала никогда не указывать на принципиальных схемах номера выводов подачи питания для подавляющего большинства микросхем. Это касается, в частности, IC1 на рис.8. Увы, о величинах напряжения питания IC2 тоже приходится только догадываться: на колодке К2 они не указаны.
 РА 4'2011
 Литература
 1. Mikrofonni predzesilovace // Amaterske RADIO. - 2010. - №9. -S.28-34.
 

