АВТОМОБИЛЬНЫЙ УМЗЧ
- Подробности
- Категория: УМЗЧ на микросхемах
- Опубликовано: 19.03.2017 13:23
- Просмотров: 2736
В этой статье описывается автомобильный УМЗЧ с акустическими системами, предназначенный для усиления и воспроизведения стереосигналов, поступающих от автомобильной аппаратуры или портативной аппаратуры, используемой в автомобиле. Усилитель может быть использован как самостоятельное устройство и как узел для модернизации автомобильной магнитолы. Не исключено и его применение в качестве УМЗЧ самодельного аудиоцентра, выполненного на базе устаревших узлов от персональных ЭВМ (источник питания, CD-проигрыватель).
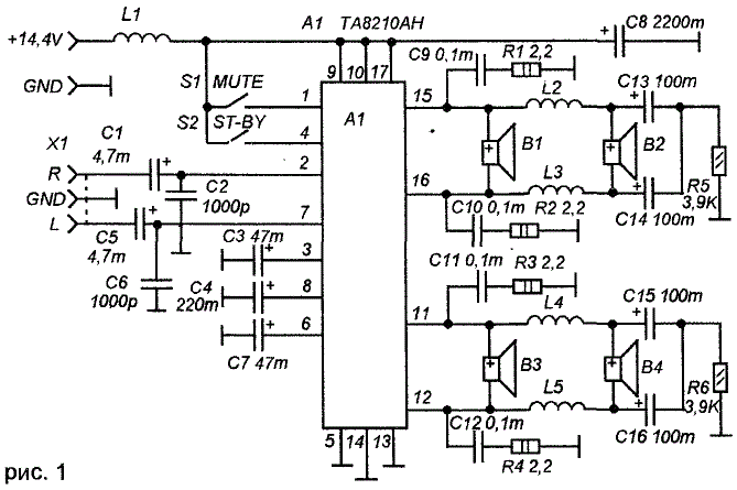
Усилитель сделан на базе микросхемы ТА8210АН (или TA8210AL), содержащей двухканальный мостовой УМЗЧ с достаточно хорошими характеристиками : коэффициент усиления 50 дб, входное сопротивление 30 кОм, частотный диапазон 20... 20000 Гц, при выходной мощности 1 W КНИ не превышает 0,05%, выходная мощность на нагрузке 4 Ом 2x22W, сопротивление нагрузки может быть от 8 до 2 Ом, Ток потребления не более 10 А. В большинстве отечественных автомобилей на передней панеле (торпеде) есть места для установки двух небольших широкополосных динамиков. В принципе, эти места расположены очень удобно, но их размеры не позволяют устанавливать акустические системы, хорошо воспроизводящие низкочастотные составляющие. НЧ-динамики большие, и их устанавливают в других местах, например, в багажном отделении, на полке багажника, за спинками заднего сидения. Таким образом, получаются тыловые и фронтальные АС. Но, устанавливать широкополосные тыловые динамики нет смысла, - здесь важнее низкочастотные. А, фронтальные динамики могут быть широкополосными, но с завалом на низких частотах.
На рисунке 1 приводится базовая схема такого усилителя, в котором фронтальные динамики В1 и ВЗ сопротивлением по 4 Ом подключены прямо на выходы мостового УМЗЧ, а тыловые низкочастотные ВЗ и В4 -подключены через фильтры L2-L3-C13-C14 и L4-L5-C15-C16, выделяющие НЧ составляющую сигнала (ниже 600 Гц). Резисторы R5 и R6 создают напряжения смещения на конденсаторах, давая возможность использовать более доступные полярные электролитические конденсаторы.
В результате, основное воспроизведение сигнала происходит при помощи фронтальных динамиков, а низкочастотная составляющая - тыловыми (или иначе расположенными низкочастотными). Мощность по НЧ и СЧ-ВЧ акустическим системам, при равенстве их сопротивлений, распределяется, примерно, одинаково. При питании от источника напряжением 14,5V и сопротивлениях динамиков по 4 Ом на каждый динамик приходится, примерно, по 15 W максимальной мощности.

Если УМЗЧ будет использоваться в составе домашнего аудиоцентра, то динамики и все элементы их фильтров располагаются внутри акустических систем. В автомобиле, элементы фильтров располагаются рядом с низкочастотными динамиками, — в отдельных пластмассовых корпусах. Катушки каналов намотаны на каркасах диаметром 32 мм, в качестве которых используются отрезки пластиковых водопроводных труб такого диаметра. Всего два каркаса. Катушки все одинаковые, - по 100 витков провода ПЭВ 0,57. Катушки L2 и L3 намотаны на одном каркасе, рядом, на намотка выполнена в разные стороны. Аналогично сделаны и катушки L4 и L5. Катушка фильтра питания L1 намотана на корпусе старого фломастера, - 100 витков провода ПЭВ 0,57.
Для всех катушек можно использовать любой медный намоточный провод сечением от 0,5 мм и больше.
Усилитель должен эксплуатироваться с теплоотводом площадью поверхности не менее 100 см2.
Выключатели S1 и S2 показаны на схеме условно, - это могут быть как выключатели, так и цепи управления от аппаратуры -источника аудиосигнала.
Как уже отмечалось выше, на фронтальные динамики поступают все частоты, включая и частоты ниже 600 Гц, которые воспроизводятся низкочастотными динамиками. Если фронтальные динамики достаточно хороши и детали торпеды автомобиля не создают вибрации на низких частота, - это не вызывает проблем. Но, если в фонограмме есть "мощные низы", а фронтальные динамики из-за | своей широкополосности и | малого диаметра диффузора начинают создавать искажения на НЧ или наблюдаются призвуки от вибрации торпеды автомобиля, - желательно уменьшить уровень НЧ сигналов, поступающих на них. Так же, желательно, разместить в зоне фронтальных громкоговорителей и маленькие высокочастотные "пищалки", которые улучшат воспроизведение ВЧ-составляющих. В этом случае, можно в качестве В1 и ВЗ использовать среднечастотные динамики.
Принципиальная схема одного из вариантов выходных цепей усилителя, в случае трехполосной акустической системы показана на рисунке 2.

Среднечастотные фронтальные динамики В1 и ВЗ подключены через фильтры C17-R7 и C20-R11, которые ослабляют низкочастотные составляющие ниже 400-500 Гц. Высокочастотные "пищалки" В5 и В6 подключены через фильтры C19-R9 и C22-R12, подавляющие частоты ниже, примерно, 5000 Гц. В составе фильтров участвуют и сопротивления динамиков.
Обратите внимание, - в этой схеме (рисунок 2) среднечастотные и высокочастотные динамики подключаются только
к одному из выходов усилителей НЧ, образующих мостовые усилители. Это понижает мощность, поступающую на эти динамики в два раза, по сравнению с мощностью, поступающей на
низкочастотные динамики. Кроме понижения мощности, это создает и некоторый "перекос" в работе мостовых усилителей, поскольку нагрузки плечей усилителей получаются неравными и это неравенство изменяется с частотой. Это может привести к возникновению дополнительных искажений в низкочастотном тракте. Конечно, подключение СЧ и ВЧ динамиков к разным плечам мостового усилителя частично решает проблему "перекоса", но не решает проблему его зависимости от частоты и понижения мощности на СЧ и ВЧ.

Более эффективно, - подключить СЧ и ВЧ динамики так же как НЧ — по мостовой схеме, между выходами плеч мостового усилителя. С выскочастотными динамиками проблем не возникает, - конденсаторы С19 и С22 - неполярные, и ВЧ акустические системы их можно через них подключать между выходами плеч УМЗЧ. Другое дело со среднечастотными АС, - в них используются полярные электролитические конденсаторы, поэтому, фильтры выполнены по симметричным схемам и в них есть резисторы, создающие смещение на полярных конденсаторах (рис. 3).
Снегирев И. Радиоконструктор 1-2005


